Cos'è ElectroYou | Login Iscriviti

ElectroYou - la comunità dei professionisti del mondo elettrico

Alimentazione e ricarica

Elettronica lineare e digitale: didattica ed applicazioni

Moderatori: Foto Utentecarloc, Foto Utenteg.schgor, Foto UtenteBrunoValente, Foto UtenteIsidoroKZ

0
voti

[1] Alimentazione e ricarica

Messaggioda Foto UtenteN2O3 » 7 gen 2016, 0:11

Ciao a tutti,
probabilmente il titolo sarà un po' generico, ma non sapevo come descriverlo :D
Vi spiego brevemente cosa vorrei fare:
Ho acquistato un piccolo PAM8403 al modico prezzo di 1.20€ per usare due piccolissime casse (trovate all'interno di quei "mini" speaker che regalavano con le patatine). Vorrei sapere se esiste un modo, per avere una doppia alimentazione:
In pratica, il circuito può essere alimentato tra i 2.5 e i 5.5V. La mia idea era di avere comunque qualcosa di portatile e quindi mi sono detto: collego 2 pile in serie da 1.5V e 2500MAh e sono a posto.
Però ci sarebbe la menata di dover tutte le volte dover cambiare le pile, metterle sotto carica ecc.
Per fare un lavoro più pulito, pensavo di usare comunque le pile, ma volendo, anche un generatore esterno(anche una classicissima USB, tanto non credo che il circuito chieda più di 500mA e come tensione ci siamo); ma allo stesso tempo, che quando il circuito si connette alla USB, ricarichi le pile.
Vi ringrazio, buona serata :D
Avatar utente
Foto UtenteN2O3
3 2
 
Messaggi: 36
Iscritto il: 22 ott 2014, 17:02

0
voti

[2] Re: Alimentazione e ricarica

Messaggioda Foto Utenteg.schgor » 7 gen 2016, 23:08

Per una cosa semplice, puoi provare
con una resistenza ed uno Zener da 3.3V
fra USB e batterie.
Avatar utente
Foto Utenteg.schgor
57,8k 9 12 13
G.Master EY
G.Master EY
 
Messaggi: 16971
Iscritto il: 25 ott 2005, 9:58
Località: MILANO

0
voti

[3] Re: Alimentazione e ricarica

Messaggioda Foto Utentemarioursino » 8 gen 2016, 11:28

Avatar utente
Foto Utentemarioursino
5.687 3 9 13
G.Master EY
G.Master EY
 
Messaggi: 1598
Iscritto il: 5 dic 2009, 4:32

0
voti

[4] Re: Alimentazione e ricarica

Messaggioda Foto UtenteN2O3 » 8 gen 2016, 22:32

Grazie mille a tutti per le risposte, lo apprezzo davvero tanto. Scusatemi se ci ho messo un po' a rispondere, ma ero impegnato.

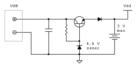
Comunque sia, per marioursino:

Il circuito sotto disegnato mi sembra perfetto. Secondo te, il condensatore da 47uF può andare bene? (se non dico cavolate, quel condensatore è un semplicissimo filtro di bypass, giusto?); la resistenza da quanto? Per lo zener direi che un 1N4732 (da 1W) può andare bene, mentre per il diodo, un 1N4007 credo possa bastare.
Correggetemi se sbaglio, sono uno studente e molte cose non le so #-o

Grazie mille ancora a tutti!
Avatar utente
Foto UtenteN2O3
3 2
 
Messaggi: 36
Iscritto il: 22 ott 2014, 17:02

0
voti

[5] Re: Alimentazione e ricarica

Messaggioda Foto UtenteN2O3 » 10 gen 2016, 14:48

Ah, un'altra cosa:
In questo caso, nel momento in cui le batterie sono cariche, che succede? Devo essere io nel ricordarmi di scollegare l'alimentazione? Grazie :ok:
Avatar utente
Foto UtenteN2O3
3 2
 
Messaggi: 36
Iscritto il: 22 ott 2014, 17:02

0
voti

[6] Re: Alimentazione e ricarica

Messaggioda Foto Utentemarioursino » 12 gen 2016, 14:12

Mi sono accordo di aver dimenticato la resistenza di limitazione per la corrente di ricarica. Il circuito corretto sarebbe questo, supponendo che la porta USB possa fornirti 0.5 A (tutto da vedere).



Quando la batteria raggiunge i 3 V il circuito smette di caricarla automaticamente.
Avatar utente
Foto Utentemarioursino
5.687 3 9 13
G.Master EY
G.Master EY
 
Messaggi: 1598
Iscritto il: 5 dic 2009, 4:32


Torna a Elettronica generale

Chi c’è in linea

Visitano il forum: Nessuno e 84 ospiti