Salve, ho un dubbio sugli amplificatori operazionali multistadio.
In tutte le topologie circuitali che ho incontrato, il primo stadio è una coppia differenziale polarizzata con un generatore di corrente mentre i successivi sono sprovvisti di tale generatore. Perché?
Ad esempio, consideriamo un amplificatore operazionale CMOS a due stadi: ho una coppia differenziale qualsiasi e uno stadio a source comune a valle di ciascun ramo; cosa m'impedisce di "unire" i due stadi a source comune e polarizzare anch'essi con un apposito generatore di corrente?
Grazie anticipatamente.
Operazionali multistadio: un solo generatore di corrente?
Moderatori:
carloc,
g.schgor,
BrunoValente,
IsidoroKZ
5 messaggi
• Pagina 1 di 1
0
voti
Se fai vedere lo schema a cui ti stai riferendo è meglio.
-

BrunoValente
39,6k 7 11 13 - G.Master EY

- Messaggi: 7796
- Iscritto il: 8 mag 2007, 14:48
0
voti
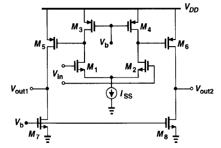
La domanda è generica però, se posso postare un'immagine, mi risulta comodo riferirmi a questo semplice circuito (in allegato). Il mio dubbio, come dicevo, è sulla possibilità di polarizzare con un generatore di corrente anche il secondo stadio.
Credo però di aver avuto un'idea: qui la VSG di M5 e M6, imposta dalla corrente di M7 e M8, fissa il valore di modo comune dell'uscita dello stadio differenziale. Tale valore non sarebbe ben definito se M5 e M6 non avessero il source ad un potenziale fisso e a quel punto (mi sa) occorrerebbe un doppio feedback di modo comune: uno per il primo stadio e uno per il secondo (un'assurdità).
Credo però di aver avuto un'idea: qui la VSG di M5 e M6, imposta dalla corrente di M7 e M8, fissa il valore di modo comune dell'uscita dello stadio differenziale. Tale valore non sarebbe ben definito se M5 e M6 non avessero il source ad un potenziale fisso e a quel punto (mi sa) occorrerebbe un doppio feedback di modo comune: uno per il primo stadio e uno per il secondo (un'assurdità).
- Allegati
-
- Clipboard02.jpg (28.52 KiB) Osservato 4380 volte
0
voti
Be', nel primo stadio la sorgente di corrente è indispensabile, serve per la reiezione al modo comune delle tensioni sui due ingressi, nel secondo stadio questa necessità non c'è ma aspettiamo il parere degli analogici.
Non mi pare che la VSG di M5 e M6 sia imposta dalla corrente di M7 e M8, mi pare dipenda solo da come si polarizza il primo stadio.
sPaCeMaN ha scritto:..la VSG di M5 e M6, imposta dalla corrente di M7 e M8, fissa il valore di modo comune dell'uscita dello stadio differenziale...
Non mi pare che la VSG di M5 e M6 sia imposta dalla corrente di M7 e M8, mi pare dipenda solo da come si polarizza il primo stadio.
-

BrunoValente
39,6k 7 11 13 - G.Master EY

- Messaggi: 7796
- Iscritto il: 8 mag 2007, 14:48
5 messaggi
• Pagina 1 di 1
Chi c’è in linea
Visitano il forum: Nessuno e 114 ospiti

Elettrotecnica e non solo (admin)
Un gatto tra gli elettroni (IsidoroKZ)
Esperienza e simulazioni (g.schgor)
Moleskine di un idraulico (RenzoDF)
Il Blog di ElectroYou (webmaster)
Idee microcontrollate (TardoFreak)
PICcoli grandi PICMicro (Paolino)
Il blog elettrico di carloc (carloc)
DirtEYblooog (dirtydeeds)
Di tutto... un po' (jordan20)
AK47 (lillo)
Esperienze elettroniche (marco438)
Telecomunicazioni musicali (clavicordo)
Automazione ed Elettronica (gustavo)
Direttive per la sicurezza (ErnestoCappelletti)
EYnfo dall'Alaska (mir)
Apriamo il quadro! (attilio)
H7-25 (asdf)
Passione Elettrica (massimob)
Elettroni a spasso (guidob)
Bloguerra (guerra)

