Salve,
vorrei proporre il seguente quesito.
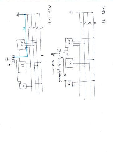
In un capannone industriale è stato progettato, e quindi realizzato, un impianto elettrico TT con fornitura enel in BT di 60 kW.
L'impianto in fase di progetto è stato sovradimensionato in ottica di installare successivamente una cabina MT-BT di proprietà del committente.
Per quanto riguarda la rete di terra, attualmente è presente una corda di rame nuda (35 mmq) interrata lungo tutto il perimetro del capannone e collegata ai ferri di armatura. Tutte le macchine saranno collegate tramite il PE alla rete di terra locale.
In futuro, nel passaggio al sistema TN-S, dovremmo prevedere attorno alla cabina di trasformazione,che si trova a una trentina di metri dal capannone, una rete di terra addizionale (che accolga il neutro a terra: centro stella del trasformatore).
1° quesito: devo collegare con G/V la rete di terra attorno alla cabina alla rete di terra del capannone per renderla unica?
2° quesito: tutte le masse delle macchine che nel sistema TT vanno ai nodi equipotenziali e sono collegati a terra posso lasciarli così avendo unito le terre con il G/V ?
Allego un disegno con la proposta di modifica per passare da TT a TN-S. Grazie in anticipo per i vostri suggerimenti.
Trasformare un impianto TT in TN-S
Moderatori:
sebago,
MASSIMO-G,
lillo,
Mike
6 messaggi
• Pagina 1 di 1
0
voti
nmedoro ha scritto:1° quesito: devo collegare con G/V la rete di terra attorno alla cabina alla rete di terra del capannone per renderla unica?
Certo che sì, altrimenti non avresti alcun TN.
nmedoro ha scritto:2° quesito: tutte le masse delle macchine che nel sistema TT vanno ai nodi equipotenziali e sono collegati a terra posso lasciarli così avendo unito le terre con il G/V ?
Quando si realizzerà la trasformazione, le masse risulteranno connesse alla rete del PE che sarà a monte di tutto (in cabina) collegato al neutro.
Ognuno sta solo sul cuor della terra
trafitto da un raggio di sole:
ed è subito sera
Salvatore Quasimodo
trafitto da un raggio di sole:
ed è subito sera
Salvatore Quasimodo
0
voti
Allego un disegno con la proposta di modifica per passare da TT a TN-S.
La modifica nella foto è corretta .
Anche se direi di unificare i due dispersori , non i due nodi di terra .
-

sankagiuliano
89 2 - New entry

- Messaggi: 89
- Iscritto il: 20 feb 2012, 20:23
1
voti
nmedoro ha scritto:1° quesito: devo collegare con G/V la rete di terra attorno alla cabina alla rete di terra del capannone per renderla unica?
Il dispersore di terra della cabina serve per la protezione e coordinamento dai contatti indiretti lato MT, non serve a nulla per il lato BT, perché il guasto si chiude sul PE.
Pertanto hai le seguenti possibilità:
a) realizzi il dispersore di terra in cabina e lo colleghi ad un collettore di terra in cabina al quale collegherai il centro stella del trasformatore e poi distribuisci in TN-C (3F+PEN) fino al quadro generale in capannone collegando il PEN al collettore di terra esistente.
b) come in a) solo che distribuisci in TN-S (3F+N+PE) collegando il PE al collettore di terra esistente.
La differenza tra a) e b) sta solo nel risparmio del PE. Però, se il capannone è un ambiente a maggior rischio in caso d'incendio e il quadro elettrico generale esistente non è in un locale compartimentato, puoi usare solo la b).
nmedoro ha scritto:2° quesito: tutte le masse delle macchine che nel sistema TT vanno ai nodi equipotenziali e sono collegati a terra posso lasciarli così avendo unito le terre con il G/V ?
A valle del QG del capannone cambia nulla.
nmedoro ha scritto:Allego un disegno con la proposta di modifica per passare da TT a TN-S. Grazie in anticipo per i vostri suggerimenti.
Corretto.
--
Michele Lysander Guetta
--
"Non pensare mai al dolore, al pericolo o ai nemici un momento più lungo del necessario per combatterli." — Ayn Rand
Michele Lysander Guetta
--
"Non pensare mai al dolore, al pericolo o ai nemici un momento più lungo del necessario per combatterli." — Ayn Rand
-

Mike
55,6k 7 10 12 - G.Master EY

- Messaggi: 17001
- Iscritto il: 1 ott 2004, 18:25
- Località: Conegliano (TV)
1
voti
nmedoro ha scritto:
1° quesito: devo collegare con G/V la rete di terra attorno alla cabina alla rete di terra del capannone per renderla unica?
Lasciami fare il pignolo: non è necessario che usi un G/V per il collegamento. Puoi usare un cavo nudo oppure un unipolare con guaina di qualsiasi colore (nastrato alle estremità)
0
voti
fare il pignolo
per stare in tema
oppure un unipolare con guaina di qualsiasi colore (nastrato alle estremità)
Nastrato con gialloverde ,
ad eccezione di cavi di colore blu che lo identificherebbe come PEN (che non è).
-

sankagiuliano
89 2 - New entry

- Messaggi: 89
- Iscritto il: 20 feb 2012, 20:23
6 messaggi
• Pagina 1 di 1
Torna a Impianti, sicurezza e quadristica
Chi c’è in linea
Visitano il forum: Nessuno e 108 ospiti

Elettrotecnica e non solo (admin)
Un gatto tra gli elettroni (IsidoroKZ)
Esperienza e simulazioni (g.schgor)
Moleskine di un idraulico (RenzoDF)
Il Blog di ElectroYou (webmaster)
Idee microcontrollate (TardoFreak)
PICcoli grandi PICMicro (Paolino)
Il blog elettrico di carloc (carloc)
DirtEYblooog (dirtydeeds)
Di tutto... un po' (jordan20)
AK47 (lillo)
Esperienze elettroniche (marco438)
Telecomunicazioni musicali (clavicordo)
Automazione ed Elettronica (gustavo)
Direttive per la sicurezza (ErnestoCappelletti)
EYnfo dall'Alaska (mir)
Apriamo il quadro! (attilio)
H7-25 (asdf)
Passione Elettrica (massimob)
Elettroni a spasso (guidob)
Bloguerra (guerra)


