Cos'è ElectroYou | Login Iscriviti

ElectroYou - la comunità dei professionisti del mondo elettrico

Simboli componenti su schema

Elettronica lineare e digitale: didattica ed applicazioni

Moderatori: Foto Utentecarloc, Foto Utenteg.schgor, Foto UtenteBrunoValente, Foto UtenteIsidoroKZ

0
voti

[1] Simboli componenti su schema

Messaggioda Foto UtenteFedib » 2 set 2016, 12:57

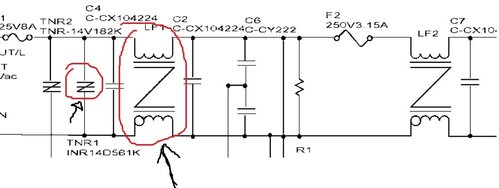
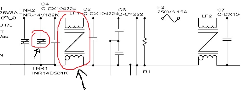
Salve ragazzi, stavo leggendo uno schema e ho trovato dei simboli che non conosco,quelli in foto cerchiati di rosso, forse il primo è un condensatore variabile ? il secondo non ne ho proprio idea oltre a sembrare un trasformatore :mrgreen: O_/
Se quello è un trasformatore perché è messo in quel modo ?
Grazie
Allegati
imm.jpg
Avatar utente
Foto UtenteFedib
455 2 5 7
Sostenitore
Sostenitore
 
Messaggi: 692
Iscritto il: 4 mar 2013, 22:42

4
voti

[2] Re: Simboli componenti su schema

Messaggioda Foto UtenteBrunoValente » 2 set 2016, 14:13

Quelli che sembrano condensatori variabili sono invece varistori quello che sembra un trasformatore è un doppio induttore accoppiato che serve a sopprimere i disturbi di modo comune.

Il circuito, nel suo insieme, è un filtro che serve ad attenuare i disturbi generati da quello che c'è a valle che altrimenti finirebbero in rete.
Avatar utente
Foto UtenteBrunoValente
39,6k 7 11 13
G.Master EY
G.Master EY
 
Messaggi: 7796
Iscritto il: 8 mag 2007, 14:48

1
voti

[3] Re: Simboli componenti su schema

Messaggioda Foto UtentePixy » 2 set 2016, 14:14

Non si vede completamente lo schema.
A me sembra un filtro su un alimentazione, ma non capisco se questa è duale.
Il "trasformatore, dovrvebbe essere una bobina di filtro doppia avvolta sullo stesso nucleo, ma in controfase.
Mentre gli altri, sei sicuro che sono condensatori ? Non credo che siano condensatori variabili.
Sentiamo pure cosa dicono gli altri...
Avatar utente
Foto UtentePixy
559 2 7
Expert EY
Expert EY
 
Messaggi: 478
Iscritto il: 20 nov 2012, 20:14

0
voti

[4] Re: Simboli componenti su schema

Messaggioda Foto UtentePixy » 2 set 2016, 14:16

vedo che io e Foto UtenteBrunoValente abbiamo risposto in contemporanea e ti ha spiegato meglio di me la cosa
Avatar utente
Foto UtentePixy
559 2 7
Expert EY
Expert EY
 
Messaggi: 478
Iscritto il: 20 nov 2012, 20:14

1
voti

[5] Re: Simboli componenti su schema

Messaggioda Foto Utenteelektronik » 2 set 2016, 14:19

Ciao Fedib, Il primo componente da sinistra mi sembra un MOV, il secondo un trasformatore separatore, quindi una bobina con due avvolgimenti.

N.B. Mentre scrivevo tra una chiacchiera e l'altra con mia moglie c'erano altre risposte, chiedo scusa e confermo pienamente quello che ha scritto di Bruno Valente
Avatar utente
Foto Utenteelektronik
7.800 4 6 7
Master
Master
 
Messaggi: 3836
Iscritto il: 12 mag 2015, 22:26

1
voti

[6] Re: Simboli componenti su schema

Messaggioda Foto UtenteFedib » 2 set 2016, 14:26

Grazie mille a tutti ora è molto più chiaro O_/
Avatar utente
Foto UtenteFedib
455 2 5 7
Sostenitore
Sostenitore
 
Messaggi: 692
Iscritto il: 4 mar 2013, 22:42


Torna a Elettronica generale

Chi c’è in linea

Visitano il forum: Nessuno e 79 ospiti