Non capisco sto schema:
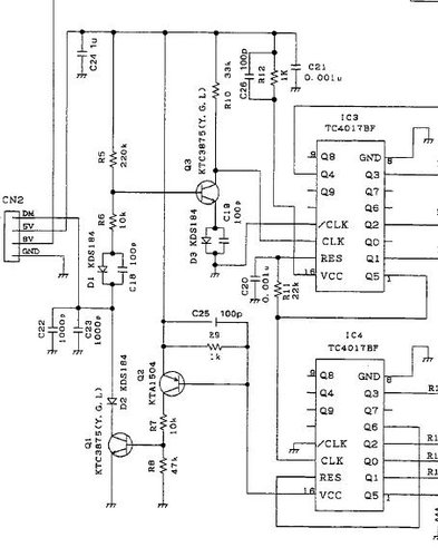
i due integrati codificano in treno di impulsi i segnali dai tasti connessi ad essi.
Questo treno di impulsi va verso Q2 (pnp) che polarizza o meno Q1 (npn)
Avendo quindi in uscita da esso un treno di impulsi negativo che va verso
Uscita DM.
E fino a qui tutto ok, ma come e’ possibile che Q2 lavori visto che e’ FISSO
Sul pin 16 VCC, da qui non esce nulla da IC4 o sbaglio ?
Secondo me e’ errato sto schema elettrico, che ne pensate
Eccolo:
Rimossi link immagini su siti esterni; leggi le istruzioni http://www.electroyou.it/donj/wiki/guid ... a#Immagini
Decoder tastiera...ma funziona cosi ?
Moderatori:
carloc,
g.schgor,
BrunoValente,
IsidoroKZ
22 messaggi
• Pagina 1 di 3 • 1, 2, 3
0
voti
1enry1 ha scritto:Non capisco sto schema
Neanch'io.
A cosa serve il parallelo C26-R12 (in alto al centro) lo sanno solo loro.
E D3 in parallelo a C19? Mah...
1enry1 ha scritto:i due integrati codificano in treno di impulsi i segnali dai tasti connessi ad essi.
Comunque lo schema è incompleto, la parte dei tasti è tagliata via.
1enry1 ha scritto:come e’ possibile che Q2 lavori visto che e’ FISSO
Sul pin 16 VCC, da qui non esce nulla da IC4 o sbaglio ?
Q2 conduce quando IC4 assorbe almeno 0,6 mA (R9 da 1k è una resistenza di sensing della corrente).
1enry1 ha scritto:Secondo me e’ errato sto schema elettrico, che ne pensate
Sono d'accordo. O per lo meno ci sono parecchi componenti inutili.
Big fan of ⋮ƎlectroYou! Ausili per disabili e anziani su ⋮ƎlectroYou
Caratteri utili: À È É Ì Ò Ó Ù α β γ δ ε η θ λ μ π ρ σ τ φ ω Ω º ª ² ³ √ ∛ ∜ ₀ ₁ ₂ ₃ ₄ ₅ ₆ ∃ ∄ ∆ ∈ ∉ ± ∓ ∾ ≃ ≈ ≠ ≤ ≥
Caratteri utili: À È É Ì Ò Ó Ù α β γ δ ε η θ λ μ π ρ σ τ φ ω Ω º ª ² ³ √ ∛ ∜ ₀ ₁ ₂ ₃ ₄ ₅ ₆ ∃ ∄ ∆ ∈ ∉ ± ∓ ∾ ≃ ≈ ≠ ≤ ≥
0
voti
esatto ! quello che penso anche io..... usano la resistenza da 1 k come sensing (assurdo ! )
ma essendo collegata al VCC , e non a un output come fa a mandare il treno di impulsi della codifica del tasto premuto , se Q2 e' collegato al vcc di ic4 ..... boh ?
ma essendo collegata al VCC , e non a un output come fa a mandare il treno di impulsi della codifica del tasto premuto , se Q2 e' collegato al vcc di ic4 ..... boh ?

2
voti
IC3 esegue la scansione delle 4 righe di una tastiera a matrice. Con alta probabilità le sue uscite Q1-Q2-Q3-Q4 alimentano resistenze che pilotano le basi di 4 transistor NPN a emettitore comune. I rispettivi collettori sono collegati ciascuno a una riga, quindi mettono a massa una riga alla volta.
IC4 esegue la scansione delle colonne. Con alta probabilità le sue uscite Q0-Q1-Q2-Q3 alimentano resistenze collegate alle colonne.
Quando un tasto è premuto in corrispondenza della riga e colonna alimentate al momento, scorre una corrente che proviene da un'uscita di IC4.
IC4 preleva questa corrente dalla sua alimentazione (piedino 16-Vcc). Questa stessa corrente provoca una caduta di tensione sulla resistenza R9 di sensing e manda in conduzione Q2.
Q2 a sua volta manda in conduzione Q1, che manda quasi a massa il pin DW. Dico quasi perché c'è la caduta di tensione del diodo D2.
Il pin DW è un ingresso-uscita. Quando DW viene mandato a massa da un circuito esterno, Q3 lo sente e fa avanzare il conteggio di IC3. Ogni 5 impulsi IC3 si resetta e fa avanzare di un impulso IC4.
Così viene eseguita la scansione righe-colonne.
Quando c'è un tasto premuto, abbiamo visto che DW viene mandato quasi a massa. Questo non è sufficiente a far avanzare il conteggio di IC3, ma è sufficiente al circuito esterno per sentire un maggior assorbimento di corrente da DW e quindi capire che c'è un tasto premuto in corrispondenza della riga e colonna attuali.
Sul contatore IC4, i pin Q4 (scollegato, simula una colonna mai premuta) e Q5 (resistenza a massa, simula una colonna sempre premuta) probabilmente servono per far capire al circuito esterno il punto in cui si trova la sequenza e risincronizzarsi se si perde.
Anche Q0 di IC3 è scollegato, simulando una riga mai premuta, e probabilmente anch'esso serve alla risincronizzazione.
Mi sembra che i livelli di tensione in questo circuito siano un po' critici.
Comunque è notevole che con un circuitino così semplice si potrebbe arrivare ad eseguire la scansione di una tastiera da 10 righe per 10 colonne (magari con un tasto "fittizio" sempre premuto per la sincronizzazione, quindi non 100 tasti ma "solo" 99).
IC4 esegue la scansione delle colonne. Con alta probabilità le sue uscite Q0-Q1-Q2-Q3 alimentano resistenze collegate alle colonne.
Quando un tasto è premuto in corrispondenza della riga e colonna alimentate al momento, scorre una corrente che proviene da un'uscita di IC4.
IC4 preleva questa corrente dalla sua alimentazione (piedino 16-Vcc). Questa stessa corrente provoca una caduta di tensione sulla resistenza R9 di sensing e manda in conduzione Q2.
Q2 a sua volta manda in conduzione Q1, che manda quasi a massa il pin DW. Dico quasi perché c'è la caduta di tensione del diodo D2.
Il pin DW è un ingresso-uscita. Quando DW viene mandato a massa da un circuito esterno, Q3 lo sente e fa avanzare il conteggio di IC3. Ogni 5 impulsi IC3 si resetta e fa avanzare di un impulso IC4.
Così viene eseguita la scansione righe-colonne.
Quando c'è un tasto premuto, abbiamo visto che DW viene mandato quasi a massa. Questo non è sufficiente a far avanzare il conteggio di IC3, ma è sufficiente al circuito esterno per sentire un maggior assorbimento di corrente da DW e quindi capire che c'è un tasto premuto in corrispondenza della riga e colonna attuali.
Sul contatore IC4, i pin Q4 (scollegato, simula una colonna mai premuta) e Q5 (resistenza a massa, simula una colonna sempre premuta) probabilmente servono per far capire al circuito esterno il punto in cui si trova la sequenza e risincronizzarsi se si perde.
Anche Q0 di IC3 è scollegato, simulando una riga mai premuta, e probabilmente anch'esso serve alla risincronizzazione.
Mi sembra che i livelli di tensione in questo circuito siano un po' critici.
Comunque è notevole che con un circuitino così semplice si potrebbe arrivare ad eseguire la scansione di una tastiera da 10 righe per 10 colonne (magari con un tasto "fittizio" sempre premuto per la sincronizzazione, quindi non 100 tasti ma "solo" 99).
Big fan of ⋮ƎlectroYou! Ausili per disabili e anziani su ⋮ƎlectroYou
Caratteri utili: À È É Ì Ò Ó Ù α β γ δ ε η θ λ μ π ρ σ τ φ ω Ω º ª ² ³ √ ∛ ∜ ₀ ₁ ₂ ₃ ₄ ₅ ₆ ∃ ∄ ∆ ∈ ∉ ± ∓ ∾ ≃ ≈ ≠ ≤ ≥
Caratteri utili: À È É Ì Ò Ó Ù α β γ δ ε η θ λ μ π ρ σ τ φ ω Ω º ª ² ³ √ ∛ ∜ ₀ ₁ ₂ ₃ ₄ ₅ ₆ ∃ ∄ ∆ ∈ ∉ ± ∓ ∾ ≃ ≈ ≠ ≤ ≥
0
voti
grandissimo GuidoB ti stimo fratello e pure trekkista !
comunque sti Jap, un fuznionamento un po' piu semplice e limeare no ? ah ah
Questo potrebbe spiegare un GRAVE difetto e/o problema di questo microfono: che a volte
crea un fastidioso rumore fischio.... ci sono forum con tantissime pagine di soluzioni ma
NESSUNO ad oggi ne e' venuto a capo , anzi si un americano ma mettendo in corto forse proprio questo
segnale ! NON molta tecnica come soluzione elettronica vero ?
E la cosa pare peggioare per chi mette una prolunga di cavo piu lunga di quello di serie, e' un microfono per radio ricetrasmettineti da auto ,
Se trovate al soluzione a questo MISTERO el fischio misterio , siete davvero dei MAGHIIII ...
comunque sti Jap, un fuznionamento un po' piu semplice e limeare no ? ah ah
Questo potrebbe spiegare un GRAVE difetto e/o problema di questo microfono: che a volte
crea un fastidioso rumore fischio.... ci sono forum con tantissime pagine di soluzioni ma
NESSUNO ad oggi ne e' venuto a capo , anzi si un americano ma mettendo in corto forse proprio questo
segnale ! NON molta tecnica come soluzione elettronica vero ?
E la cosa pare peggioare per chi mette una prolunga di cavo piu lunga di quello di serie, e' un microfono per radio ricetrasmettineti da auto ,
Se trovate al soluzione a questo MISTERO el fischio misterio , siete davvero dei MAGHIIII ...

1
voti
magari non ci hai pensato, ma se invece tu avessi trovato il modo di inserire uno schema completamente leggibile sarebbe stato segno di riguardo nei confronti di coloro che hanno seguito il thread o partecipato.1enry1 ha scritto:(...) Se trovate (...)
Saluti
W - U.H.F.
-

WALTERmwp
30,2k 4 8 13 - G.Master EY

- Messaggi: 8982
- Iscritto il: 17 lug 2010, 18:42
- Località: le 4 del mattino
22 messaggi
• Pagina 1 di 3 • 1, 2, 3
Chi c’è in linea
Visitano il forum: Nessuno e 79 ospiti

Elettrotecnica e non solo (admin)
Un gatto tra gli elettroni (IsidoroKZ)
Esperienza e simulazioni (g.schgor)
Moleskine di un idraulico (RenzoDF)
Il Blog di ElectroYou (webmaster)
Idee microcontrollate (TardoFreak)
PICcoli grandi PICMicro (Paolino)
Il blog elettrico di carloc (carloc)
DirtEYblooog (dirtydeeds)
Di tutto... un po' (jordan20)
AK47 (lillo)
Esperienze elettroniche (marco438)
Telecomunicazioni musicali (clavicordo)
Automazione ed Elettronica (gustavo)
Direttive per la sicurezza (ErnestoCappelletti)
EYnfo dall'Alaska (mir)
Apriamo il quadro! (attilio)
H7-25 (asdf)
Passione Elettrica (massimob)
Elettroni a spasso (guidob)
Bloguerra (guerra)


