incongruenza LTspice
3 messaggi
• Pagina 1 di 1
0
voti
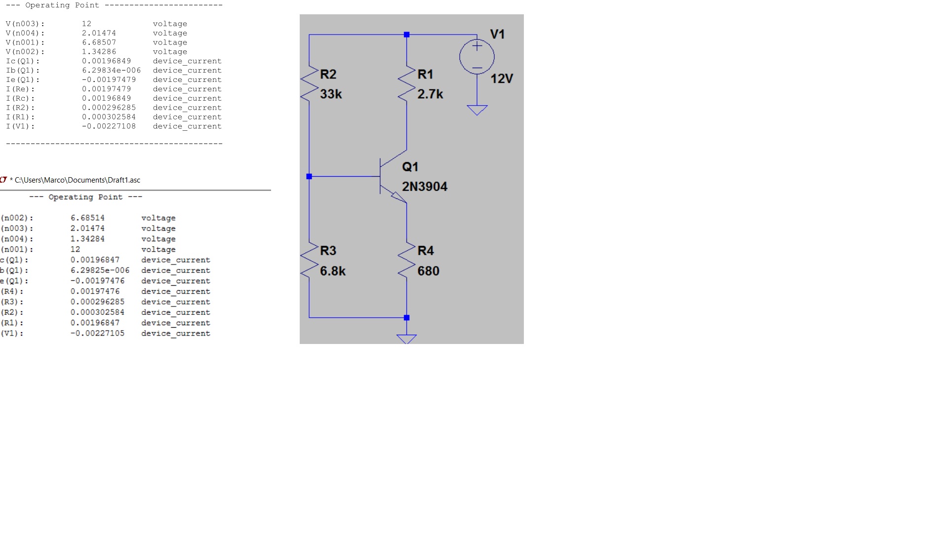
Ho notato del piccole incongruenze nei risultati della simulazione di questo circuito (fatta da me e da un Prof) che polarizza un BJT, la rete di polarizzazione cosiddetta a 4 resistori, pur usando gli stessi componenti stessi valori stesso simulatore, scusate la pignoleria ma ad esempio nella mia simulazione V(n001) è 6.68507 mentre in quella del prof V(n002) è 6.68514,ovviamente sono lo stesso nodo nel circuito anche se con nomi diversi , nomi diversi poiché ho disegnato gli elementi in ordine differente rispetto al prof, come mai i valori non coincidono?
0
voti
Avere risultati identici su numeri non interi è molto difficile eseguendo due volte un calcolo su una stessa macchina, figuriamoci su due calcolatori differenti
Di fatto, la rappresentazione di un numero non intero e non periodico è realizzata su computer nel formato floating point (per informazioni esatte su come tali numeri vengano gestiti, consiglio la lettura dello standard IEEE-754), che si porta dietro un certo numero di problemi legati all'esecuzione di operazioni ed arrotondamenti.
Tanto per fare un esempio: in generale, dato un numero
rappresentato sulla macchina come
con
avente
cifre, l'errore assoluto di arrotondamento (per eccesso) vale
, e cioè (ponendo
) nel caso della tua tensione hai un errore di qualche unità sull'ultima cifra rappresentata (circa 4-5, ad occhio) solo in conseguenza dell'arrotondamento!
In sostanza, per differenze minime come quelle che hai ottenuto non c'è davvero motivo di allarmarsi: è assolutamente normale che si presentino
Di fatto, la rappresentazione di un numero non intero e non periodico è realizzata su computer nel formato floating point (per informazioni esatte su come tali numeri vengano gestiti, consiglio la lettura dello standard IEEE-754), che si porta dietro un certo numero di problemi legati all'esecuzione di operazioni ed arrotondamenti.
Tanto per fare un esempio: in generale, dato un numero
rappresentato sulla macchina come
con
avente
cifre, l'errore assoluto di arrotondamento (per eccesso) vale
, e cioè (ponendo
) nel caso della tua tensione hai un errore di qualche unità sull'ultima cifra rappresentata (circa 4-5, ad occhio) solo in conseguenza dell'arrotondamento!In sostanza, per differenze minime come quelle che hai ottenuto non c'è davvero motivo di allarmarsi: è assolutamente normale che si presentino
-

rugweri
5.948 2 8 13 - CRU - Account cancellato su Richiesta utente
- Messaggi: 1366
- Iscritto il: 25 nov 2016, 18:46
1
voti
Uhm, a naso direi che è diversa la configurazione del programma. Intendo i parametri di convergenza SPICE, le tolleranze per i metodi iterativi usati per la soluzione dei problemi nonlineari etc. Prova a guardare in quella direzione, è probabile che ci siano delle differenze tra la configurazione tua e quelle del tuo professore.
Follow me on Mastodon: @davbucci@mastodon.sdf.org
-

DarwinNE
31,0k 7 11 13 - G.Master EY

- Messaggi: 4420
- Iscritto il: 18 apr 2010, 9:32
- Località: Grenoble - France
3 messaggi
• Pagina 1 di 1
Torna a Programmi applicativi: simulatori, CAD ed altro
Chi c’è in linea
Visitano il forum: Nessuno e 20 ospiti

Elettrotecnica e non solo (admin)
Un gatto tra gli elettroni (IsidoroKZ)
Esperienza e simulazioni (g.schgor)
Moleskine di un idraulico (RenzoDF)
Il Blog di ElectroYou (webmaster)
Idee microcontrollate (TardoFreak)
PICcoli grandi PICMicro (Paolino)
Il blog elettrico di carloc (carloc)
DirtEYblooog (dirtydeeds)
Di tutto... un po' (jordan20)
AK47 (lillo)
Esperienze elettroniche (marco438)
Telecomunicazioni musicali (clavicordo)
Automazione ed Elettronica (gustavo)
Direttive per la sicurezza (ErnestoCappelletti)
EYnfo dall'Alaska (mir)
Apriamo il quadro! (attilio)
H7-25 (asdf)
Passione Elettrica (massimob)
Elettroni a spasso (guidob)
Bloguerra (guerra)
