salve a tutti 1
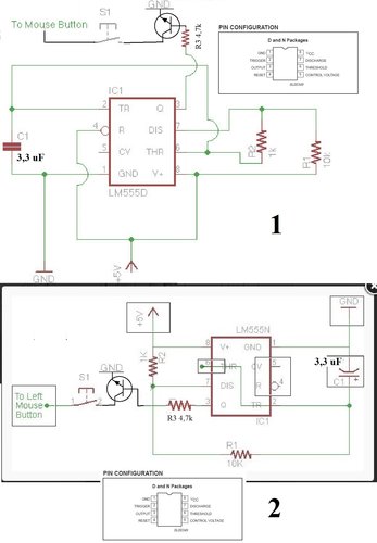
scusate ma cosa mi sta dicendo questo schema ? quello segnato di rosso ?
mi sta dicendo di mettere un trasistor ?
e per avere il rapid fire nel mouse del PC, ho cercato diverse soluzioni ma ancora sono in alto mare .
il mio mouse e un TRUST gtx25 che è sprovvisto di programma suo per controllare i pulsanti , ho provato di tutto ma in tutti i circuiti esce sempre il polo positivo in rapid fire e ho notato che nel mouse invece usa il negativo com contatto e di conseguenza non funziona. avete idee ? ringrazio per il vostro disturbo.
info rapid fire mouse n555es
Moderatore:
Paolino
33 messaggi
• Pagina 1 di 4 • 1, 2, 3, 4
0
voti
Definire come schema quel "coso" mi sembra troppo ottimistico
Leggi qui http://www.electroyou.it/donj/wiki/guid ... _elettrici
Leggi qui http://www.electroyou.it/donj/wiki/guid ... _elettrici
0
voti
mi anno consigliato di fare cosi per invertire l'uscita del dispositivo da polo positivo a polo negativo .
secondo voi che tipo di transistor devo mettere ?
secondo voi che tipo di transistor devo mettere ?
0
voti
TIP31
"Non farei mai parte di un club che accettasse la mia iscrizione" (G. Marx)
-

claudiocedrone
21,3k 4 7 9 - Master EY

- Messaggi: 15300
- Iscritto il: 18 gen 2012, 13:36
0
voti

"Non farei mai parte di un club che accettasse la mia iscrizione" (G. Marx)
-

claudiocedrone
21,3k 4 7 9 - Master EY

- Messaggi: 15300
- Iscritto il: 18 gen 2012, 13:36
0
voti
claudiocedrone ha scritto::-) La mia risposta era ironica
L'avevo capito ed ho messo apposta una faccina...anche se poi mi sono sentito di spararne una possibile delle mie fesserie tecniche
0
voti

"Non farei mai parte di un club che accettasse la mia iscrizione" (G. Marx)
-

claudiocedrone
21,3k 4 7 9 - Master EY

- Messaggi: 15300
- Iscritto il: 18 gen 2012, 13:36
33 messaggi
• Pagina 1 di 4 • 1, 2, 3, 4
Torna a Realizzazioni, interfacciamento e nozioni generali.
Chi c’è in linea
Visitano il forum: Nessuno e 9 ospiti

Elettrotecnica e non solo (admin)
Un gatto tra gli elettroni (IsidoroKZ)
Esperienza e simulazioni (g.schgor)
Moleskine di un idraulico (RenzoDF)
Il Blog di ElectroYou (webmaster)
Idee microcontrollate (TardoFreak)
PICcoli grandi PICMicro (Paolino)
Il blog elettrico di carloc (carloc)
DirtEYblooog (dirtydeeds)
Di tutto... un po' (jordan20)
AK47 (lillo)
Esperienze elettroniche (marco438)
Telecomunicazioni musicali (clavicordo)
Automazione ed Elettronica (gustavo)
Direttive per la sicurezza (ErnestoCappelletti)
EYnfo dall'Alaska (mir)
Apriamo il quadro! (attilio)
H7-25 (asdf)
Passione Elettrica (massimob)
Elettroni a spasso (guidob)
Bloguerra (guerra)


