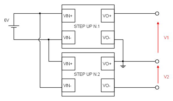
Avrei bisogno di una tensione continua duale di circa 13Vc per ramo ricavata da 4 batterie AA da 1,5V in serie.
Tempo fa ho acquistato su ebay questo simpatico step up:
http://www.ebay.it/itm/MINI-STEP-UP-2A-Convertitore-regolabile-MT3608-alimentatore-ART-FE05-/262423575626?hash=item3d19a9fc4a:g:S3EAAOSwaB5XjkAI
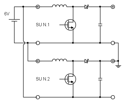
E' basato su questo IC (MT3608):
https://www.olimex.com/Products/Breadboarding/BB-PWR-3608/resources/MT3608.pdf
La configurazione dell'alimentatore è boost.
Se comprassi un altro step up e li collegassi come da schema secondo voi funziona o si brucia tutto?
Grazie,
Dario
Due STEP UP in serie per ottenere tensione duale
Moderatori:
carloc,
g.schgor,
BrunoValente,
IsidoroKZ
5 messaggi
• Pagina 1 di 1
0
voti
Provo a schematizzare meglio il circuito in modo che capiate perché ho pensato a quel collegamento.
Collegamento Dario:
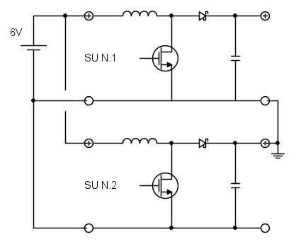
Collegamento Marco:
Sono confuso, non riesco a vedere il circuito nel suo funzionamento.
Dario
Collegamento Dario:
Collegamento Marco:
Sono confuso, non riesco a vedere il circuito nel suo funzionamento.
Dario
⋮ƎlectroYou e non smetti mai di imparare!
1
voti
Non puoi farlo, il boost non e` isolato 
Per usare proficuamente un simulatore, bisogna sapere molta più elettronica di lui
Plug it in - it works better!
Il 555 sta all'elettronica come Arduino all'informatica! (entrambi loro malgrado)
Se volete risposte rispondete a tutte le mie domande
Plug it in - it works better!
Il 555 sta all'elettronica come Arduino all'informatica! (entrambi loro malgrado)
Se volete risposte rispondete a tutte le mie domande
0
voti
Non si può ottenere una tensione duale partendo da una singola sorgente di alimentazione usando due convertitori boost non isolati come indicato negli schemi postati.
Nel collegamento di Dario alimenti con una tensione inversa il convertitore boost e se usi un mosfet metti in corto il generatore grazie al diodo intrinseco del mosfet.
Nel collegamento di Marco metti in corto il generatore.
Stefano
Nel collegamento di Dario alimenti con una tensione inversa il convertitore boost e se usi un mosfet metti in corto il generatore grazie al diodo intrinseco del mosfet.
Nel collegamento di Marco metti in corto il generatore.
Stefano
-

stefanodelfiore
1.673 3 8 - Master

- Messaggi: 569
- Iscritto il: 28 mar 2009, 20:15
- Località: Bologna
5 messaggi
• Pagina 1 di 1
Chi c’è in linea
Visitano il forum: Nessuno e 98 ospiti

Elettrotecnica e non solo (admin)
Un gatto tra gli elettroni (IsidoroKZ)
Esperienza e simulazioni (g.schgor)
Moleskine di un idraulico (RenzoDF)
Il Blog di ElectroYou (webmaster)
Idee microcontrollate (TardoFreak)
PICcoli grandi PICMicro (Paolino)
Il blog elettrico di carloc (carloc)
DirtEYblooog (dirtydeeds)
Di tutto... un po' (jordan20)
AK47 (lillo)
Esperienze elettroniche (marco438)
Telecomunicazioni musicali (clavicordo)
Automazione ed Elettronica (gustavo)
Direttive per la sicurezza (ErnestoCappelletti)
EYnfo dall'Alaska (mir)
Apriamo il quadro! (attilio)
H7-25 (asdf)
Passione Elettrica (massimob)
Elettroni a spasso (guidob)
Bloguerra (guerra)






