Salve a tutti qualcuno saprebbe indicarmi come è possibile (anche con un modello dinamico) simulare con SIMULINK dei carichi a corrente costante (come ad esempio dei led?).
Grazie per adesso
Carichi a corrente costante
15 messaggi
• Pagina 1 di 2 • 1, 2
2
voti
i led non sono carichi a corrente costante, ma carichi non lineari, il fatto che tu li debba fare lavorare a corrente costante è un altro discorso.
nei simulatori software hai un generatore di corrente costante che poni in serie al ramo interessato.....
non conosco simulink, ma io porrei semplicemente in serie un generatore di tensione da 1.5/3.3V (dipende dal led), ad una resistenza di basso valore, ed avrei simulato il carico del led.
saluti.
nei simulatori software hai un generatore di corrente costante che poni in serie al ramo interessato.....
non conosco simulink, ma io porrei semplicemente in serie un generatore di tensione da 1.5/3.3V (dipende dal led), ad una resistenza di basso valore, ed avrei simulato il carico del led.
saluti.
-

lelerelele
4.899 3 7 9 - Master

- Messaggi: 5505
- Iscritto il: 8 giu 2011, 8:57
- Località: Reggio Emilia
0
voti
Grazie per la risposta, e se volessi simulare un carico che assorbe una potenza costante? devo cercare di simulare una sorta di resistenza variabile ma non so come fare con simulink, qualcuno può aiutarmi?
1
voti
Ho l'impressione tu stia confondendo un simulatore di sistemi come Simulink con uno elettrico come Spice.
I due hanno delle cose in comune, ma sono anche profondamente differenti. In modo particolare proprio i modelli utilizzati.
Ti faccio notare una cosa importante: è una semplificazione, ma forse ti aiuta come ha aiutato me.
Con Spice, il tratto che unisce due componenti rappresenta due variabili, la tensione e la corrente. Con Simulink hai bisogno di due tratti (variabili) distinte. Per simulare un carico puoi fare un modello che rappresenti la corrente in funzione della tensione o vice-versa.
In SImulink, la resistenza è rappresentata da un moltiplicatore, un carico che assorba una corrente costante da un blocco costante.
Se hai capito questa parte, ti sarà facile capire anche perché un carico a potenza costante sia rappresentato da un blocco costante unito a un divisore.
I due hanno delle cose in comune, ma sono anche profondamente differenti. In modo particolare proprio i modelli utilizzati.
Ti faccio notare una cosa importante: è una semplificazione, ma forse ti aiuta come ha aiutato me.
Con Spice, il tratto che unisce due componenti rappresenta due variabili, la tensione e la corrente. Con Simulink hai bisogno di due tratti (variabili) distinte. Per simulare un carico puoi fare un modello che rappresenti la corrente in funzione della tensione o vice-versa.
In SImulink, la resistenza è rappresentata da un moltiplicatore, un carico che assorba una corrente costante da un blocco costante.
Se hai capito questa parte, ti sarà facile capire anche perché un carico a potenza costante sia rappresentato da un blocco costante unito a un divisore.
1
voti
Usare Simulink per la simulazione elettrica potrebbe essere molto sconveniente.
-

marioursino
5.687 3 9 13 - G.Master EY

- Messaggi: 1598
- Iscritto il: 5 dic 2009, 4:32
1
voti
Simulink è un simulatore con un grado di astrazione maggiore rispetto ad un simulatore elettrico. Questo comporta una maggiore complessità dei modelli, ma permette l'integrazione del mondo elettrico con quello, ad esempio, meccanico. In Simulink posso simulare un motore e il suo driver, e avere come variabili anche la coppia o l'inerzia del motore, che non sono simulabili con Spice (a meno di costruzioni un po' fantasiose).
Nella simulazione dei circuiti elettrici, Simulink ha anche la particolarità di rendere esplicite le relazioni tra le variabili di stato implicate nella simulazione, e questo è un ottimo veicolo di apprendimento.
Tutto questo senza nulla togliere alla tua affermazione che è sostanzialmente vera.
Nella simulazione dei circuiti elettrici, Simulink ha anche la particolarità di rendere esplicite le relazioni tra le variabili di stato implicate nella simulazione, e questo è un ottimo veicolo di apprendimento.
Tutto questo senza nulla togliere alla tua affermazione che è sostanzialmente vera.
0
voti
marioursino ha scritto:Usare Simulink per la simulazione elettrica potrebbe essere molto sconveniente.
Me ne sto accorgendo... il problema è che i miei "capi" vogliono che usi simulink. Per quanto mi riguarda potevo tranquillamente usare carta e penna.
Detto questo il problema che ho è proprio questo: ho un circuito composto da un generatore di tensione e soli generatori di corrente in parallelo. E' ovvio che piuttosto che simulare il carico con un generatore di corrente (variabile al variare della tensione) controllato da una lookup table preferirei simulare il carico con un resistore variabile e che varia al variare della tensione (perché la mia tensione cala nel modello)
Può essere che abbia scritto delle cavolate ma in tutta questa modellizzazione mi sto confondendo...
Ultima modifica di
MyShow il 18 mag 2017, 16:19, modificato 1 volta in totale.
0
voti
Stai usando un toolbox per simulare componenti elettrici?
-

marioursino
5.687 3 9 13 - G.Master EY

- Messaggi: 1598
- Iscritto il: 5 dic 2009, 4:32
2
voti
È stato davvero macchinoso.
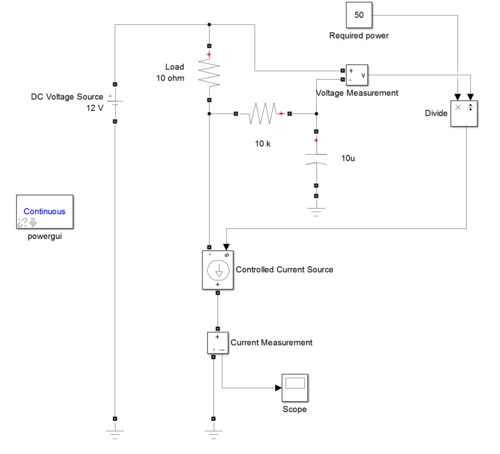
Di seguito utilizzo la libreria Specialized Technology in Power Systems (formerly SimPowerSystems™).
Per il carico a potenza costante puoi simulare un generatore di corrente controllato affinché assorba una corrente pari a
.
Con i componenti a disposizione puoi fare così:
Come vedi voltage measurement fornisce al denominatore di divide la tensione sul carico (load). La potenza richiesta è al numeratore e il risultato è fornito a un generatore di corrente controllato da un segnale "Simulink".
La rete RC (10 k / 10 uF) determina la dinamica del carico attivo.
Di seguito lo scope:
Come vedi sulla resistenza di carico scorre una corrente di circa 2.23 A, che corrisponde alla potenza richiesta.
Il carico che assorbe una corrente costante puoi simularlo con un semplice generatore a corrente costante, oppure tramite lo stesso generatore controllato del caso che ho appena esposto, dove il segnale di controllo è proprio la corrente che ti serve.
Di seguito utilizzo la libreria Specialized Technology in Power Systems (formerly SimPowerSystems™).
Per il carico a potenza costante puoi simulare un generatore di corrente controllato affinché assorba una corrente pari a
.Con i componenti a disposizione puoi fare così:
Come vedi voltage measurement fornisce al denominatore di divide la tensione sul carico (load). La potenza richiesta è al numeratore e il risultato è fornito a un generatore di corrente controllato da un segnale "Simulink".
La rete RC (10 k / 10 uF) determina la dinamica del carico attivo.
Di seguito lo scope:
Come vedi sulla resistenza di carico scorre una corrente di circa 2.23 A, che corrisponde alla potenza richiesta.
Il carico che assorbe una corrente costante puoi simularlo con un semplice generatore a corrente costante, oppure tramite lo stesso generatore controllato del caso che ho appena esposto, dove il segnale di controllo è proprio la corrente che ti serve.
-

marioursino
5.687 3 9 13 - G.Master EY

- Messaggi: 1598
- Iscritto il: 5 dic 2009, 4:32
15 messaggi
• Pagina 1 di 2 • 1, 2
Torna a Programmi applicativi: simulatori, CAD ed altro
Chi c’è in linea
Visitano il forum: Nessuno e 1 ospite

Elettrotecnica e non solo (admin)
Un gatto tra gli elettroni (IsidoroKZ)
Esperienza e simulazioni (g.schgor)
Moleskine di un idraulico (RenzoDF)
Il Blog di ElectroYou (webmaster)
Idee microcontrollate (TardoFreak)
PICcoli grandi PICMicro (Paolino)
Il blog elettrico di carloc (carloc)
DirtEYblooog (dirtydeeds)
Di tutto... un po' (jordan20)
AK47 (lillo)
Esperienze elettroniche (marco438)
Telecomunicazioni musicali (clavicordo)
Automazione ed Elettronica (gustavo)
Direttive per la sicurezza (ErnestoCappelletti)
EYnfo dall'Alaska (mir)
Apriamo il quadro! (attilio)
H7-25 (asdf)
Passione Elettrica (massimob)
Elettroni a spasso (guidob)
Bloguerra (guerra)

