Cos'è ElectroYou | Login Iscriviti

ElectroYou - la comunità dei professionisti del mondo elettrico

Alimentatore non limita in corrente

Elettronica lineare e digitale: didattica ed applicazioni

Moderatori: Foto Utentecarloc, Foto Utenteg.schgor, Foto UtenteBrunoValente, Foto UtenteIsidoroKZ

1
voti

[1] Alimentatore non limita in corrente

Messaggioda Foto Utentemarco438 » 25 lug 2017, 11:54

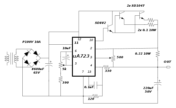
Ieri un mio conoscete mi ha portato un alimentatore lineare autocostruito (non da lui) e fatto con il vecchio uA723 ;non sa se abbia mai funzionato correttamente ma vorrebbe riaverlo "come nuovo".
In effetti, dopo averlo provato, ho visto che funziona correttamente per quanto attiene la regolazione della tensione ma non limita per quanto riguarda la corrente.
Ho ricostruito lo schema cosi' come segue e spero di non avere sbagliato:

Ho controllato ogni collegamento ed escludo che ci siano errori di cablaggio;l'unica cosa che ho notato e' che la resistenza da 330 ( collegata al potenziometro da 500 ohm) scalda molto.
Io sinceramente, ormai non ho molta voglia di complicarmi la vita con queste cose, tuttavia se qualche anima pia mi desse una mano.............. :mrgreen:
marco
Avatar utente
Foto Utentemarco438
37,1k 7 11 13
-EY Legend-
-EY Legend-
 
Messaggi: 16323
Iscritto il: 24 mar 2010, 15:09
Località: Versilia

3
voti

[2] Re: Alimentatore non limita in corrente

Messaggioda Foto UtenteBrunoValente » 25 lug 2017, 12:38

Ciao Foto Utentemarco438... vedo che sei diventato uno scansafatiche :mrgreen:

Da come è dimensionato dovrebbe erogare una tensione regolabile da circa 2V a circa 25V e la limitazione di corrente dovrebbe andare da un minimo di circa 2.5A quando il cursore del potenziometro è a fondo corsa verso la resistenza da 330, ad un massimo che tende all'infinito (la limitazione si esclude) quando il cursore è a fondo corsa verso il pin 2 dell'integrato.

Ti conviene verificare meglio, magari sta funzionando e non te ne sei accorto perché ti aspettavi che la limitazione fosse regolabile a partire da zero e non da 2.5A.

Quando l'uscita è a 25V la resistenza da 330 dissipa circa 1W, è normale che scaldi.
Avatar utente
Foto UtenteBrunoValente
39,6k 7 11 13
G.Master EY
G.Master EY
 
Messaggi: 7796
Iscritto il: 8 mag 2007, 14:48

0
voti

[3] Re: Alimentatore non limita in corrente

Messaggioda Foto Utentemarco438 » 25 lug 2017, 13:09

BrunoValente ha scritto:Ciao Foto Utentemarco438... vedo che sei diventato uno scansafatiche :mrgreen:

No,sono solo vecchio e stanco :mrgreen:
BrunoValente ha scritto:Ti conviene verificare meglio, magari sta funzionando e non te ne sei accorto perché ti aspettavi che la limitazione fosse regolabile a partire da zero e non da 2.5A.

Ecco svelato l'arcano; ora non sono a casa ma nel pomeriggio controllo.
Ciao e grazie.
marco
Avatar utente
Foto Utentemarco438
37,1k 7 11 13
-EY Legend-
-EY Legend-
 
Messaggi: 16323
Iscritto il: 24 mar 2010, 15:09
Località: Versilia

0
voti

[4] Re: Alimentatore non limita in corrente

Messaggioda Foto Utentemarco438 » 25 lug 2017, 17:13

Ho controllato Foto UtenteBrunoValente ma l'alimentatore non ne vuole sapere di limitare in corrente nemmeno da 2.5A. :mrgreen:
Dopo aver visto la tua risposta avevo sperato di togliermi la grana con poco ma, sebbene ritenga poco utile un alimentatore limitato a 2.5A, vorrei porre rimedio al guasto.
Ho pensato al 723 ma, al momento, non dispongo di un ricambio.
Se ne hai tempo e voglia, dammi qualche suggerimento. :D
Questo vale anche per altri che volessero scevellarsi un po'.
marco
Avatar utente
Foto Utentemarco438
37,1k 7 11 13
-EY Legend-
-EY Legend-
 
Messaggi: 16323
Iscritto il: 24 mar 2010, 15:09
Località: Versilia

0
voti

[5] Re: Alimentatore non limita in corrente

Messaggioda Foto Utentemarco438 » 25 lug 2017, 17:27

BrunoValente ha scritto:Quando l'uscita è a 25V la resistenza da 330 dissipa circa 1W, è normale che scaldi.

Questo mi da da pensare perche' sul circuito e' montata una resistenza da 1/4W.
marco
Avatar utente
Foto Utentemarco438
37,1k 7 11 13
-EY Legend-
-EY Legend-
 
Messaggi: 16323
Iscritto il: 24 mar 2010, 15:09
Località: Versilia

0
voti

[6] Re: Alimentatore non limita in corrente

Messaggioda Foto UtenteEcoTan » 25 lug 2017, 19:23

Chissà come vengono raffreddati i finali.. sarò un po' fanatico ma mi sento tranquillo solo quando posso toccare o quasi.
Avatar utente
Foto UtenteEcoTan
7.720 4 12 13
Expert EY
Expert EY
 
Messaggi: 5420
Iscritto il: 29 gen 2014, 8:54

2
voti

[7] Re: Alimentatore non limita in corrente

Messaggioda Foto Utenteedgar » 25 lug 2017, 19:39

Potrebbe essere morto il transistor NPN che realizza la limitazione di corrente interno al 723. In emergenza proverei a metterne uno esterno, giusto per provare.
Frequency compensation = collettore
Current limit = base
Current sense = emettitore

Dai un'occhiata al datasheet per vedere a che pin corrispondono sul tuo 723
Avatar utente
Foto Utenteedgar
10,0k 4 5 8
Master
Master
 
Messaggi: 5229
Iscritto il: 15 set 2012, 22:59

1
voti

[8] Re: Alimentatore non limita in corrente

Messaggioda Foto UtenteBrunoValente » 26 lug 2017, 14:27

edgar ha scritto:Potrebbe essere morto il transistor NPN che realizza la limitazione di corrente interno al 723...


Infatti, potrebbe dipendere da quello.

Prima di cambiare l'integrato o di aggiungere un transistor esterno conviene verificare se tra i pin 2 e 3 la tensione sale a 0.6V quando la corrente nel carico raggiunge 2.5-3A, ovviamente con il cursore del potenziometro ruotato verso la R da 330 ohm.

Se non sale potrebbe esserci un corto interno all'integrato tra i pin 2 e 3 (B-E del transistor limitatore) oppure potrebbe dipendere da un'interruzione nel circuito esterno all'integrato, se l'alimentatore è molto vecchio potrebbe anche dipendere dal potenziometro con il cursore completamente isolato.

Marco, mi spiace ma ti toccherà faticare un pochino! :mrgreen:
Avatar utente
Foto UtenteBrunoValente
39,6k 7 11 13
G.Master EY
G.Master EY
 
Messaggi: 7796
Iscritto il: 8 mag 2007, 14:48

0
voti

[9] Re: Alimentatore non limita in corrente

Messaggioda Foto Utentestefanob70 » 26 lug 2017, 14:32

marco438 ha scritto:Io sinceramente, ormai non ho molta voglia di complicarmi la vita con queste cose...

Non lo posso accettare non e' da te! [-X ............ :mrgreen:
ƎlectroYou
Avatar utente
Foto Utentestefanob70
14,1k 5 11 13
Master EY
Master EY
 
Messaggi: 3190
Iscritto il: 14 lug 2012, 13:14
Località: Roma

0
voti

[10] Re: Alimentatore non limita in corrente

Messaggioda Foto Utentemarco438 » 26 lug 2017, 17:03

BrunoValente ha scritto:Marco, mi spiace ma ti toccherà faticare un pochino! :mrgreen:

Se e' per fare delle prove non e' poi cosi' faticoso :mrgreen:
Le ho gia' fatte ma la tensione non sale. Ho gia' ordinato il nuovo integrato (il mio fornitore non lo ha e non ho voglia di farmi 50km); il potenziometro lo avevo gia' messo nuovo per scrupolo. :D
Forse sono stato frainteso; non e che non ho voglia di fare piu' niente ma questo problema in particolare non mi attrae perche', conoscendo il soggetto che adoperera' l'alimentatore, so gia' che dopo un paio di settimane e qualche circuito cotto, tornera' per farsene fare un altro con limitazione di corrente da zero.
O_/
marco
Avatar utente
Foto Utentemarco438
37,1k 7 11 13
-EY Legend-
-EY Legend-
 
Messaggi: 16323
Iscritto il: 24 mar 2010, 15:09
Località: Versilia

Prossimo

Torna a Elettronica generale

Chi c’è in linea

Visitano il forum: Nessuno e 80 ospiti