Cos'è ElectroYou | Login Iscriviti

ElectroYou - la comunità dei professionisti del mondo elettrico

Grande dubbio Esercizio Diodi

Elettronica lineare e digitale: didattica ed applicazioni

Moderatori: Foto Utentecarloc, Foto Utenteg.schgor, Foto UtenteBrunoValente, Foto UtenteIsidoroKZ

0
voti

[1] Grande dubbio Esercizio Diodi

Messaggioda Foto Utentemsb0ne » 14 dic 2017, 19:03

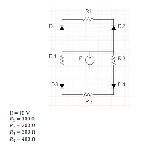
Ciao ragazzi, spero di aver postato nella sezione giusta! Ho da svolgere il seguente esercizio come attività in itinere:

Analizzare il circuito seguente per determinare la corrente erogata dal generatore di tensione. Per evitare di analizzare tutte le possibili configurazioni, si consiglia di valutare la disposizione dei diodi al fine di ricondurre il circuito ad una topologia molto semplice.


schema.jpeg



Allora partendo dal consiglio del testo ho pensato di supporre tutti i diodi in polarizzazione inversa e quindi sostituirli con circuiti aperti.. quindi praticamente mi ritrovo a studiare solamente la parte del circuito al centro, con R2 ed R4 entrambi in parallelo al generatore... Quindi attraverso la legge di Kirchhoff al nodo e calcoli vari riesco a ricavare che la corrente al generatore che mi viene Ig=0,075 A.

Tuttavia poi non riesco a trovare modo di confermare l'ipotesi iniziale della configurazione dei diodi, ovvero che siano polarizzati inversamente e quindi con tensione negativa, perché non riesco a trovare il potenziale dei vari nodi! Mi sono scervellata per diverso tempo ma nulla.. sapete come fare o magari ho proprio sbagliato la procedura fin dall'inizio? :(
Avatar utente
Foto Utentemsb0ne
179 2 5
Frequentatore
Frequentatore
 
Messaggi: 206
Iscritto il: 14 dic 2017, 15:42

1
voti

[2] Re: Grande dubbio Esercizio Diodi

Messaggioda Foto UtenteMaranza » 14 dic 2017, 19:22

Prova a pensare, se fossero polarizzati direttamente, a che giro fa la corrente (proprio terra-terra) :ok:
Avatar utente
Foto UtenteMaranza
63 1 1 6
New entry
New entry
 
Messaggi: 97
Iscritto il: 26 set 2017, 8:38

0
voti

[3] Re: Grande dubbio Esercizio Diodi

Messaggioda Foto Utentemsb0ne » 14 dic 2017, 19:28

Maranza ha scritto:Prova a pensare, se fossero polarizzati direttamente, a che giro fa la corrente (proprio terra-terra) :ok:
grazie della risposta.. ci avevo pensato ma non pensavo fosse una soluzione.. in pratica ho i versi dei diodi opposti e direzionati verso le resistenze.. in pratica sarebbe Id1=-Id2 e Id3=-Id4.. che significa? che quella parte del circuito si annulla a prescindere? scusami l'impreparazione
Avatar utente
Foto Utentemsb0ne
179 2 5
Frequentatore
Frequentatore
 
Messaggi: 206
Iscritto il: 14 dic 2017, 15:42

3
voti

[4] Re: Grande dubbio Esercizio Diodi

Messaggioda Foto Utentegac » 14 dic 2017, 19:28

Anzitutto, disegni con FidocadJ!

Si suppone che i diodi siano identici, che abbiano esattamente la stessa V_{\gamma} e di conseguenza abbiano la stessa corrente di conduzione.
Detto questo io lo dimostrerei in due modi:

1) partendo dal verso delle correnti di conduzione di una coppia di diodi I_{D3} = -I_{D4}. I diodi sono collegati tipo in serie ma se uno conduce l'altro è interdetto, quindi la maglia D3-R3-D4 è aperta e non circola alcuna corrente;

2) considerando di nuovo la maglia D3-R3-D4, se supponi che conducano entrambi, per KVL non vi è alcuna differenza di potenziale ai capi della resistenza, quindi non circola corrente per legge di Ohm e di conseguenza l'ipotesi che conducano entrambi è sbagliata.

Ragionamento analoghi valgono per la maglia D1-R1-D2.
Avatar utente
Foto Utentegac
925 3 6
Frequentatore
Frequentatore
 
Messaggi: 216
Iscritto il: 8 dic 2015, 22:29

0
voti

[5] Re: Grande dubbio Esercizio Diodi

Messaggioda Foto UtenteMaranza » 14 dic 2017, 19:32

Esatto, spiegato formalmente da Foto Utentegac :ok:
Avatar utente
Foto UtenteMaranza
63 1 1 6
New entry
New entry
 
Messaggi: 97
Iscritto il: 26 set 2017, 8:38

0
voti

[6] Re: Grande dubbio Esercizio Diodi

Messaggioda Foto Utentemsb0ne » 14 dic 2017, 19:34

grazie veramente ad entrambi ed il concetto è più che chiaro! comunque non c'è alcun modo matematicaticamente parlando di dimostrare che la tensione ai capi dei diodi risulta negativa e confermare l'ipotesi con formule?
Avatar utente
Foto Utentemsb0ne
179 2 5
Frequentatore
Frequentatore
 
Messaggi: 206
Iscritto il: 14 dic 2017, 15:42

1
voti

[7] Re: Grande dubbio Esercizio Diodi

Messaggioda Foto UtenteMaranza » 14 dic 2017, 19:56

Considerando la caratteristica del diodo abbastanza ideale come quella in schema (che poi è quello che fanno tutti in prima approssimazione) il ragionamento sulle correnti è abbastanza formale direi.



Ho capito che preferiresti dimostrare ''matematicamente'' in tensione, ma in questo caso è molto più facile e ovvio ragionare in termini di corrente e guarda tu stesso la caratteristica I-V del diodo e vedrai che è una dimostrazione altrettanto formale :ok:
Avatar utente
Foto UtenteMaranza
63 1 1 6
New entry
New entry
 
Messaggi: 97
Iscritto il: 26 set 2017, 8:38

2
voti

[8] Re: Grande dubbio Esercizio Diodi

Messaggioda Foto Utentegac » 14 dic 2017, 23:28

Si scrive la KVL alla maglia usando la notazione indicata da Foto UtenteMaranza, supponendo che D1 conduca (quindi V_{D1} > 0) con una corrente I_{D1} > 0.

V_{D1} + R_x I_{D1} + V_{D2} = 0 \rightarrow  V_{D2} = -(V_{D1} + R_x I_{D1})

Siccome V_{D1}, R_x e I_{D1} sono tutte grandezze positive, V_{D2} sarà negativa, quindi D2 non conduce.
Avatar utente
Foto Utentegac
925 3 6
Frequentatore
Frequentatore
 
Messaggi: 216
Iscritto il: 8 dic 2015, 22:29

0
voti

[9] Re: Grande dubbio Esercizio Diodi

Messaggioda Foto UtenteMassimoB » 15 dic 2017, 0:27

Non vorrei sbagliare ma secondo me manca qualcosa nel disegno dell'OP
MCSA Windows Server 2012 R2
Cisco CCNA R&S - Cisco CCNA Security - Cisco CCNA Cyber Ops
CompTia A+ - CompTia Linux+ - CompTIA Systems Support Specialist CSSS
CompTia Pentest+ LPIC-1 - VCP VMware - Cisco CCNP Enterprise
Avatar utente
Foto UtenteMassimoB
14,2k 6 12 13
Expert free
 
Messaggi: 3163
Iscritto il: 28 ott 2012, 9:56
Località: Milano

2
voti

[10] Re: Grande dubbio Esercizio Diodi

Messaggioda Foto UtenteBrunoValente » 15 dic 2017, 0:27

Ragazzi ma non vi accorgete che le due maglie contenenti i diodi sono spente?

Nei diodi non scorrerebbe corrente neanche se uno dei due fosse invertito o neanche se ci fosse un solo diodo o se avessero caratteristiche diverse o qualsiasi altra cosa: non c'è alcun generatore nel circuito dei diodi... non serve alcuna dimostrazione basata su cadute di tensione o su correnti che scorrono da qualche parte, il circuito dei diodi è spento e basta.
Avatar utente
Foto UtenteBrunoValente
39,6k 7 11 13
G.Master EY
G.Master EY
 
Messaggi: 7796
Iscritto il: 8 mag 2007, 14:48

Prossimo

Torna a Elettronica generale

Chi c’è in linea

Visitano il forum: Nessuno e 55 ospiti