Cos'è ElectroYou | Login Iscriviti

ElectroYou - la comunità dei professionisti del mondo elettrico

Misura corrente

Elettronica lineare e digitale: didattica ed applicazioni

Moderatori: Foto Utentecarloc, Foto Utenteg.schgor, Foto UtenteBrunoValente, Foto UtenteIsidoroKZ

0
voti

[1] Misura corrente

Messaggioda Foto UtenteIsidoroKZ » 7 apr 2018, 9:24

Mi hanno chiesto di rivelare se su un conduttore circola oppure no una corrente. Il valore della corrente e` di 50mA-100mA, frequenza di rete, abbastanza distorta, su circuito collegato direttamente alla rete.

Non serve isolamento galvanico, non serve il valore della corrente, ma solo una indicazione c'e`/non c'e`. Per ragioni di affidabilita` vorrebbero un trasformatore di corrente, perche' in caso di guasto (dicono) comunque non si apre il circuito. Ovviamente il tutto deve costare poco meno di nulla :-). Io metterei una resistenza di shunt, magari con qualche diodo in parallelo in modo che se lo shunt si apre c'e` comunque un percorso della corrente, ma non sono molto contenti.

Attualmente hanno provato con un trasformatore di corrente, e dato che il rapporto di trasformazione e` troppo sfavorevole, 1:1000, devono avvolgere a mano una ventina di spire di primario.

Stavo pensando che un trasformatore non sa se lavora come TA o in qualunque altro modo, e ho provato a cercare (con poco impegno), un trasfo 1:1 o giu` di li`, tensione di 5V, un paio di voltampere, 50 Hz, per usarlo come TA. Non ne ho trovati, sapete se ne esistono?

Oppure avete una idea di come rivelare se c'e` o non c'e` una corrente del valore che ho detto prima in modo sicuro, intendendo che se qualcosa si guasta non si apre il circuito e che costi nulla?

Grazie
Per usare proficuamente un simulatore, bisogna sapere molta più elettronica di lui
Plug it in - it works better!
Il 555 sta all'elettronica come Arduino all'informatica! (entrambi loro malgrado)
Se volete risposte rispondete a tutte le mie domande
Avatar utente
Foto UtenteIsidoroKZ
121,2k 1 3 8
G.Master EY
G.Master EY
 
Messaggi: 21059
Iscritto il: 17 ott 2009, 0:00

1
voti

[2] Re: Misura corrente

Messaggioda Foto UtenteSerTom » 7 apr 2018, 9:31

Che ne dici di un sensore effetto Hall che rileva il campo magnetico emesso dal conduttore in cui circola la corrente. La corrente è bassa ... ma con qualche "giro" ...

Bye O_/ Ser.Tom
Avatar utente
Foto UtenteSerTom
4.222 1 4 9
Expert EY
Expert EY
 
Messaggi: 1950
Iscritto il: 18 mag 2012, 9:57

0
voti

[3] Re: Misura corrente

Messaggioda Foto UtenteMarcoD » 7 apr 2018, 9:50

E' una proposta di cui non garantisco il funzionamento:
Penso a quei filtri EMI da applicare ai cavi. Costituiti da due semi cilindri di ferrite racchiusi in un baccello di plastica che li chiude a scatto. Si può avvolgere una decina di spire di filo sottile come secondario e poi applicare il tutto sul cavo sul quale rilevare la corrente. Ma non so il valore e come rilevare semplicemente la tensione indotta.
I sensori ad effetto Hall dovrebbero essere meglio :-)
O_/

post scriptum:

Guarda qui, non so se sono utili, però costano poco :-) :

https://it.rs-online.com/web/p/trasform ... e/3997317/
Avatar utente
Foto UtenteMarcoD
12,2k 5 9 13
Master EY
Master EY
 
Messaggi: 6696
Iscritto il: 9 lug 2015, 16:58
Località: Torino

0
voti

[4] Re: Misura corrente

Messaggioda Foto Utentevenexian » 7 apr 2018, 11:45

MarcoD ha scritto:Penso a quei filtri EMI da applicare ai cavi.

Se non sbaglio, quei nuclei sono dissipativi.
Cercare di fare un trasformatore con quei nuclei non dovrebbe portare a dei risultati positivi.
Immagine
Avatar utente
Foto Utentevenexian
6.369 3 4 7
Master
Master
 
Messaggi: 2188
Iscritto il: 13 mag 2017, 10:07
Località: Venezia (ma va?)

0
voti

[5] Re: Misura corrente

Messaggioda Foto Utentestefanodelfiore » 7 apr 2018, 12:00

Molti anni fa su alcuni UPS orientali vidi dei TA realizzati utilizzando un normale trasformatore in lamierino EI con rocchetto a due cave, in una cava era avvolto il secondario del TA con filo di rame smaltato e nell'altra qualche spira di filo elettrico ricoperto di guaina isolante.
Un'altra idea buttata lì, visto che le correnti in gioco sono piccole è quella di sfruttare un trasformatore di alimentazione da pochi VA e utilizzare il secondario a bassa tensione come primario del TA e il primario come secondario del TA. Ovviamente previa verifica del rapporto spire e del corretto flusso nel nucleo.

Stefano
Avatar utente
Foto Utentestefanodelfiore
1.668 3 8
Master
Master
 
Messaggi: 567
Iscritto il: 28 mar 2009, 20:15
Località: Bologna

2
voti

[6] Re: Misura corrente

Messaggioda Foto Utentebanjoman » 7 apr 2018, 12:20

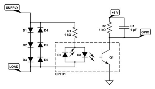
Per correnti basse potrebbe bastare il circuito sottostante, ma non e' a costo zero :mrgreen:

current_detector.jpg
Se funziona quasi bene, è tutto sbagliato. A.Savatteri/M.Mazza
Avatar utente
Foto Utentebanjoman
12,2k 5 11 12
G.Master EY
G.Master EY
 
Messaggi: 1622
Iscritto il: 19 set 2013, 19:27

0
voti

[7] Re: Misura corrente

Messaggioda Foto Utentevenexian » 7 apr 2018, 12:54

stefanodelfiore ha scritto:Molti anni fa su alcuni UPS orientali vidi dei TA realizzati utilizzando un normale trasformatore in lamierino EI con rocchetto a due cave, in una cava era avvolto il secondario del TA con filo di rame smaltato e nell'altra qualche spira di filo elettrico ricoperto di guaina isolante.

Strana questa cosa: un nucleo EI ha tre colonne e un trasformatore a due avvolgimenti funziona solo se entrambi sono attorno alla stessa colonna, altrimenti la colonna libera cortocircuita il flusso.

Riguardo al mio post di prima, ci sarebbe da aggiungere che se la frequenza è quella di rete, i nuclei in ferrite sono fuori dal loro range di frequenza.
Immagine
Avatar utente
Foto Utentevenexian
6.369 3 4 7
Master
Master
 
Messaggi: 2188
Iscritto il: 13 mag 2017, 10:07
Località: Venezia (ma va?)

0
voti

[8] Re: Misura corrente

Messaggioda Foto Utentestefanodelfiore » 7 apr 2018, 13:02

Venexian non capisco il tuo dubbio.
Un trasformatore con nucleo EI ha tre colonne, intorno alla colonna centrale sono presenti gli avvolgimenti e il flusso si richiude nelle due colonne laterali. La somma delle aree delle sezioni delle colonne laterali sono pari all'area della sezione della colonna centrale.

Stefano
Avatar utente
Foto Utentestefanodelfiore
1.668 3 8
Master
Master
 
Messaggi: 567
Iscritto il: 28 mar 2009, 20:15
Località: Bologna

1
voti

[9] Re: Misura corrente

Messaggioda Foto Utentevenexian » 7 apr 2018, 14:39

stefanodelfiore ha scritto:Venexian non capisco il tuo dubbio.
Un trasformatore con nucleo EI ha tre colonne, intorno alla colonna centrale sono presenti gli avvolgimenti...

Detto così non ci sono dubbi, ma prima avevi scritto

stefanodelfiore ha scritto:... in una cava era avvolto il secondario del TA con filo di rame smaltato e nell'altra qualche spira di filo elettrico ricoperto di guaina isolante.

che faceva inntendere che gli avvolgimenti fossero sulle colonne laterali.
Immagine
Avatar utente
Foto Utentevenexian
6.369 3 4 7
Master
Master
 
Messaggi: 2188
Iscritto il: 13 mag 2017, 10:07
Località: Venezia (ma va?)

0
voti

[10] Re: Misura corrente

Messaggioda Foto Utentestefanodelfiore » 7 apr 2018, 15:26

Venexian il rocchetto nel quale risiedono gli avvogimenti, ha tipicamente due cave separate fra di loro per poter isolare al meglio il circuito primario dal circuito secondario.
Per essere certo ho controllato il mio post precedente dove scrivevo "rocchetto a due cave" e non di due rocchetti.
Stefano
Avatar utente
Foto Utentestefanodelfiore
1.668 3 8
Master
Master
 
Messaggi: 567
Iscritto il: 28 mar 2009, 20:15
Località: Bologna

Prossimo

Torna a Elettronica generale

Chi c’è in linea

Visitano il forum: Nessuno e 31 ospiti