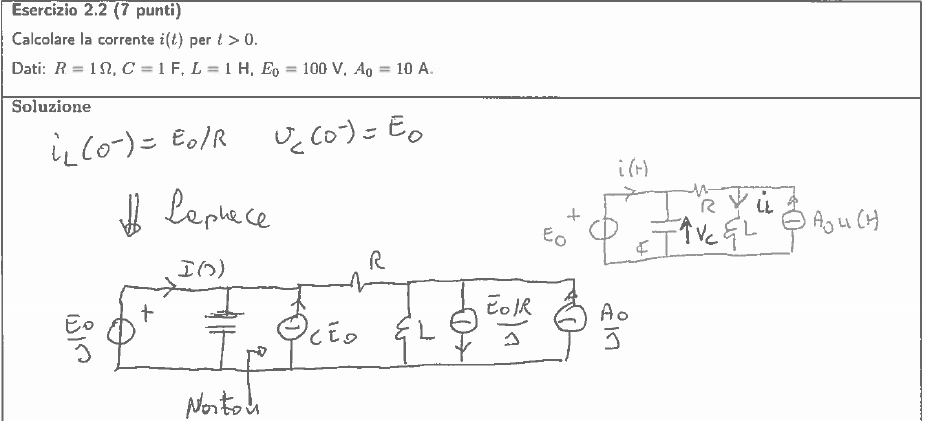
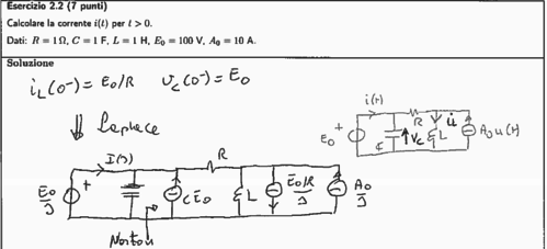
circa il circuito:
bisogna trovare la
.Sebbene sia più logico trasformare il tutto mediante Norton (visto che devo trovare la corrente in un ramo), vorrei risolverlo mediante Thévenin (tanto anche mediante Norton comunque l'esercizio non mi viene).
Mi scuso in anticipo per la lunghezza del procedimento ma vorrei capire esattamente dove sbaglio.
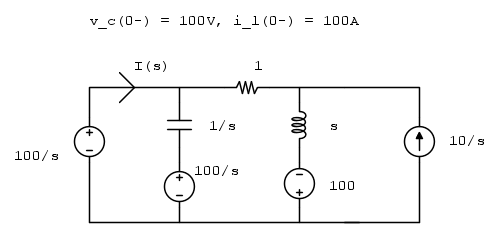
Trasformando il tutto nel dominio di Laplace:
Nuovamente, sebbene sappia già la tensione ai nodi (
), vorrei comunque un equivalente Thévenin a destra (assecondatemi per favore).Quindi effettuando il primo "taglio":
con
e 
Quindi il circuito diventa:
Effettunado il secondo "taglio":
con
e 
In definitiva il circuito diventa:
Sommando le tensioni dei generatori e dividendo per l'impedenza:

In definitiva:

Che è chiaramente errato, quindi dov'è che sbaglio??
Grazie.

Elettrotecnica e non solo (admin)
Un gatto tra gli elettroni (IsidoroKZ)
Esperienza e simulazioni (g.schgor)
Moleskine di un idraulico (RenzoDF)
Il Blog di ElectroYou (webmaster)
Idee microcontrollate (TardoFreak)
PICcoli grandi PICMicro (Paolino)
Il blog elettrico di carloc (carloc)
DirtEYblooog (dirtydeeds)
Di tutto... un po' (jordan20)
AK47 (lillo)
Esperienze elettroniche (marco438)
Telecomunicazioni musicali (clavicordo)
Automazione ed Elettronica (gustavo)
Direttive per la sicurezza (ErnestoCappelletti)
EYnfo dall'Alaska (mir)
Apriamo il quadro! (attilio)
H7-25 (asdf)
Passione Elettrica (massimob)
Elettroni a spasso (guidob)
Bloguerra (guerra)











