Salve, sto usando simulink per simulare un transitorio di un parco eolico . Il modello di turbina DFIG l'ho trovato nella libreria simscape power system così come il trasformatore elevatore. Una volta messe tutte le grandezze di mio interesse nello scope lancio il modello ma mi dice che turbina e trasformatore non possono stare in serie . Ho altre tesi con cui confrontarmi ma in tutte queste sembra non si ponga questo problema.
Ringrazio in anticipo chi volesse darmi una mano .
Simulink - Simulazione transitorio sistema eolico
13 messaggi
• Pagina 1 di 2 • 1, 2
0
voti
Almeno un cattura schermo... per capire che stai combinando.
Tra il generatore eolico e il trasformatore non inserisci nulla?
Tra il generatore eolico e il trasformatore non inserisci nulla?
Il Conte di Montecristo
Se non studio un giorno, me ne accorgo io. Se non studio due giorni, se ne accorge il pubblico.
Io devo studiare sodo e preparare me stesso perché prima o poi verrà il mio momento.
Abraham Lincoln
Se non studio un giorno, me ne accorgo io. Se non studio due giorni, se ne accorge il pubblico.
Io devo studiare sodo e preparare me stesso perché prima o poi verrà il mio momento.
Abraham Lincoln
-

EdmondDantes
11,9k 8 11 13 - Disattivato su sua richiesta
- Messaggi: 3619
- Iscritto il: 25 lug 2009, 22:18
- Località: Marsiglia
0
voti
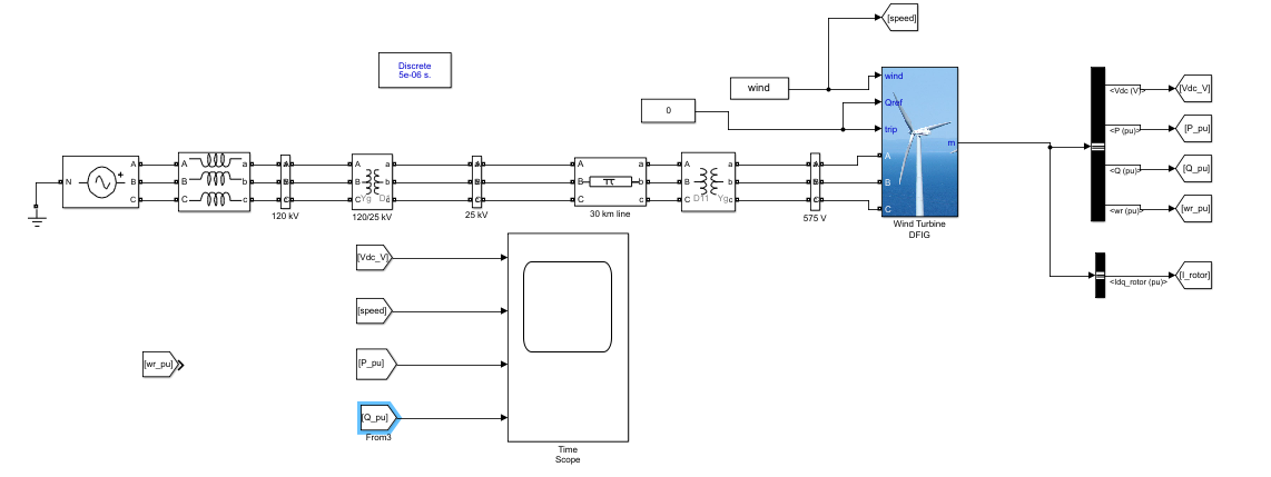
Allego una foto del mio modello e quella dell'errore che mi compare. Tra il modello di turbina e il trasformatore ho inserito un misuratore trifare per poter trovarmi letensioni e correnti che circolano.
-

Francescocani
0 2 - Messaggi: 13
- Iscritto il: 25 lug 2018, 18:16
0
voti
Se leggi il messaggio di errore, dovresti essere in grado di risolvere il problema. In pratica ti dice cosa fare e per quale motivo non puoi collegarli direttamente.
Solo per capire una cosa. Il modello della turbina implementa anche un AC/DC - DC/AC?
I generatori eolici non sono collegati direttamente alla rete...
Solo per capire una cosa. Il modello della turbina implementa anche un AC/DC - DC/AC?
I generatori eolici non sono collegati direttamente alla rete...
Il Conte di Montecristo
Se non studio un giorno, me ne accorgo io. Se non studio due giorni, se ne accorge il pubblico.
Io devo studiare sodo e preparare me stesso perché prima o poi verrà il mio momento.
Abraham Lincoln
Se non studio un giorno, me ne accorgo io. Se non studio due giorni, se ne accorge il pubblico.
Io devo studiare sodo e preparare me stesso perché prima o poi verrà il mio momento.
Abraham Lincoln
-

EdmondDantes
11,9k 8 11 13 - Disattivato su sua richiesta
- Messaggi: 3619
- Iscritto il: 25 lug 2009, 22:18
- Località: Marsiglia
0
voti
Ho provato ma tra le librerie non riesco neanche a trovarla una resistenza .In ogni caso il convertitore dovrebbe essere compreso nel modello di tubina , essendo proprio salvata nella libreria come "DFIG wind turbine".
-

Francescocani
0 2 - Messaggi: 13
- Iscritto il: 25 lug 2018, 18:16
1
voti
Anche se non ti importa, sono contrario a questo tipo di simulazioni.
La tua risposta:
conferma la mia convinzione.
Dopo aver premuto il tasto Run e copiato quelle 4 figurine, non ti rimarrà niente.
Molto meglio studiare il modello di una macchina rotante, scriverne le equazioni differenziali, implementarle in Simulink (senza copiare il blocco di default, ovviamente) e verificare il comportamento del sistema.
Ad ogni modo, segui le indicazioni riportate in questo link:
https://www.mathworks.com/help/physmod/ ... model.html
Praticamente il modello da te implementato.
Devi specificare anche il tipo di simulazione che vuoi fare (descritto nel link).
Hai provato a selezionare e deselezionare le voci che ti indica l'errore?
La tua risposta:
In ogni caso il convertitore dovrebbe essere compreso nel modello di tubina
conferma la mia convinzione.
Dopo aver premuto il tasto Run e copiato quelle 4 figurine, non ti rimarrà niente.
Molto meglio studiare il modello di una macchina rotante, scriverne le equazioni differenziali, implementarle in Simulink (senza copiare il blocco di default, ovviamente) e verificare il comportamento del sistema.
Ad ogni modo, segui le indicazioni riportate in questo link:
https://www.mathworks.com/help/physmod/ ... model.html
Praticamente il modello da te implementato.
Devi specificare anche il tipo di simulazione che vuoi fare (descritto nel link).
Hai provato a selezionare e deselezionare le voci che ti indica l'errore?
Il Conte di Montecristo
Se non studio un giorno, me ne accorgo io. Se non studio due giorni, se ne accorge il pubblico.
Io devo studiare sodo e preparare me stesso perché prima o poi verrà il mio momento.
Abraham Lincoln
Se non studio un giorno, me ne accorgo io. Se non studio due giorni, se ne accorge il pubblico.
Io devo studiare sodo e preparare me stesso perché prima o poi verrà il mio momento.
Abraham Lincoln
-

EdmondDantes
11,9k 8 11 13 - Disattivato su sua richiesta
- Messaggi: 3619
- Iscritto il: 25 lug 2009, 22:18
- Località: Marsiglia
0
voti
Hai risolto?
Il Conte di Montecristo
Se non studio un giorno, me ne accorgo io. Se non studio due giorni, se ne accorge il pubblico.
Io devo studiare sodo e preparare me stesso perché prima o poi verrà il mio momento.
Abraham Lincoln
Se non studio un giorno, me ne accorgo io. Se non studio due giorni, se ne accorge il pubblico.
Io devo studiare sodo e preparare me stesso perché prima o poi verrà il mio momento.
Abraham Lincoln
-

EdmondDantes
11,9k 8 11 13 - Disattivato su sua richiesta
- Messaggi: 3619
- Iscritto il: 25 lug 2009, 22:18
- Località: Marsiglia
0
voti
Salve
EdmondDantes. Ieri avevo impegni e non sono riuscito a far niente , infatti mi scuso per l'attesa . In ogni caso simulink l'ho dovuto studiare da zero e da autodidatta per la tesi che sto scrivendo per questo non ho potuto cominciare dalle basi ma dal materiale fornitomi dal professore e inoltre sto cercando di velocizzare i tempi il più possibile. Il link che mi aveva inviato lei l'avevo già trovato ma non mi aveva risolto più di tanto la questione. Tra stamattina e oggi pomeriggio provo a guardare meglio e scriverò sul forum eventuali problematiche incontrate .
-

Francescocani
0 2 - Messaggi: 13
- Iscritto il: 25 lug 2018, 18:16
0
voti
Sul web ho visto parecchie implementazioni come quella. In quasi tutte era presente uno shunt sul TR (a 4 ingressi e non a 3 come il tuo).
Per quanto riguarda i segni di spunta, che hai fatto?
Per quanto riguarda i segni di spunta, che hai fatto?
Il Conte di Montecristo
Se non studio un giorno, me ne accorgo io. Se non studio due giorni, se ne accorge il pubblico.
Io devo studiare sodo e preparare me stesso perché prima o poi verrà il mio momento.
Abraham Lincoln
Se non studio un giorno, me ne accorgo io. Se non studio due giorni, se ne accorge il pubblico.
Io devo studiare sodo e preparare me stesso perché prima o poi verrà il mio momento.
Abraham Lincoln
-

EdmondDantes
11,9k 8 11 13 - Disattivato su sua richiesta
- Messaggi: 3619
- Iscritto il: 25 lug 2009, 22:18
- Località: Marsiglia
0
voti
Alla fine quel problema l'ho risolto mettendo un carico prima del trasformatore elevatore , ma mi dà altri problemi di unità di misura dei parametri dei vari blocchi quindi si tratta proprio del fatto che non riesco ancora a muovermi bene dentro a simulink . In questi giorni farò un po' di pratica .
-

Francescocani
0 2 - Messaggi: 13
- Iscritto il: 25 lug 2018, 18:16
13 messaggi
• Pagina 1 di 2 • 1, 2
Torna a Programmi applicativi: simulatori, CAD ed altro
Chi c’è in linea
Visitano il forum: Nessuno e 2 ospiti

Elettrotecnica e non solo (admin)
Un gatto tra gli elettroni (IsidoroKZ)
Esperienza e simulazioni (g.schgor)
Moleskine di un idraulico (RenzoDF)
Il Blog di ElectroYou (webmaster)
Idee microcontrollate (TardoFreak)
PICcoli grandi PICMicro (Paolino)
Il blog elettrico di carloc (carloc)
DirtEYblooog (dirtydeeds)
Di tutto... un po' (jordan20)
AK47 (lillo)
Esperienze elettroniche (marco438)
Telecomunicazioni musicali (clavicordo)
Automazione ed Elettronica (gustavo)
Direttive per la sicurezza (ErnestoCappelletti)
EYnfo dall'Alaska (mir)
Apriamo il quadro! (attilio)
H7-25 (asdf)
Passione Elettrica (massimob)
Elettroni a spasso (guidob)
Bloguerra (guerra)