Buongiorno a tutti,
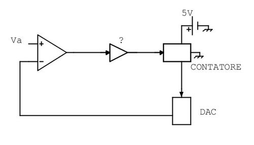
sto cercando di fare il progetto di un convertitore A/D ad inseguimento con DAC di feedback e contatore, Allegato1. Il DAC è realizzato con un rete a scala R/2R e un inverter.
Il contatore che ho a disposizione riconosce come segnale UP/DOWN rispettivamente i valori 5V e 0V, mentre il comparatore che posso usare viene realizzato con un amplificatore operazionale ad anello aperto, che satura a circa +-14V.
Per adattare le due dinamiche, ho interposto il circuito in allegato (Allegato2) e calcolato i valori di resistenze che permettano di avere 0V in uscita con -14V in ingresso e 5V in uscita con +14V in ingresso.
Con i valori standard di resistenze ho simulato con Spice l'intero circuito e ho misurato quali sono le tensioni UP/DOWN che sono in ingresso al contatore e queste sono 283 mV e 5.2 V.
Vorrei che il contatore non patisse nel ricevere una tensione di ingresso maggiore di 5V, dal datasheet mi pare di capire che, con Vdd = 5V, l'ingresso alto venga riconosciuto con almeno 3.5V, esatto?
Però non sono sicura del massimo valore che posso dargli. Forse dovrei modificare le resistenze del circuito adattatore perché il contatore riceva meno di 5V?
Grazie per l'aiuto
Convertitore A/D ad inseguimento
Moderatori:
carloc,
g.schgor,
BrunoValente,
IsidoroKZ
11 messaggi
• Pagina 1 di 2 • 1, 2
0
voti
Domanda: l'uscita del DAC e' bipolare (+/- qualche volt) oppure unipolare (0 - qualche volt)?
Da cosa deriva il "posso"?
Un Op-Amp usato "nudo" come comparatore e' una scelta "povera".
Se chiarisci i punti qui sopra possiamo immaginare una risposta.
il comparatore che posso usare viene realizzato con un amplificatore operazionale ad anello aperto
Da cosa deriva il "posso"?
Un Op-Amp usato "nudo" come comparatore e' una scelta "povera".
Se chiarisci i punti qui sopra possiamo immaginare una risposta.
0
voti
L'uscita del DAC è unipolare positiva.
Si tratta di un circuito da assemblare e misurare in laboratorio, il professore ha suggerito di utilizzare come comparatore un amplificatore operazionale in saturazione.
Si tratta di un circuito da assemblare e misurare in laboratorio, il professore ha suggerito di utilizzare come comparatore un amplificatore operazionale in saturazione.
-

polaris006
58 2 6 - Frequentatore

- Messaggi: 106
- Iscritto il: 20 ago 2015, 18:09
0
voti
Se l'uscita e` unipolare basta un partitore con due resistenze, se l'uscita e` bipolare bisogna usare tre resistenze e un diodo.
Che operazionale e`?
Che operazionale e`?
Per usare proficuamente un simulatore, bisogna sapere molta più elettronica di lui
Plug it in - it works better!
Il 555 sta all'elettronica come Arduino all'informatica! (entrambi loro malgrado)
Se volete risposte rispondete a tutte le mie domande
Plug it in - it works better!
Il 555 sta all'elettronica come Arduino all'informatica! (entrambi loro malgrado)
Se volete risposte rispondete a tutte le mie domande
0
voti
IsidoroKZ ha scritto:Se l'uscita e` unipolare basta un partitore con due resistenze, se l'uscita e` bipolare bisogna usare tre resistenze e un diodo.
Per fare il circuito fra il comparatore e il contatore?
IsidoroKZ ha scritto:Che operazionale e`?
TL082
-

polaris006
58 2 6 - Frequentatore

- Messaggi: 106
- Iscritto il: 20 ago 2015, 18:09
1
voti
Fermo restando - come detto prima - che un Op-Amp e' un comparatore povero, una possibile soluzione per assicurare una tensione Vi di ingresso al contatore 0 V <= Vi <= 5 V
1
voti
Il diodo evita che la tensione vada negativa. In realta` va negativa fino a circa -0.7V circa. Il partitpre dopo il diodo serve per ridurre la tensione all'ingresso del contatore, sia per la parte positiva che negativa.
Per usare proficuamente un simulatore, bisogna sapere molta più elettronica di lui
Plug it in - it works better!
Il 555 sta all'elettronica come Arduino all'informatica! (entrambi loro malgrado)
Se volete risposte rispondete a tutte le mie domande
Plug it in - it works better!
Il 555 sta all'elettronica come Arduino all'informatica! (entrambi loro malgrado)
Se volete risposte rispondete a tutte le mie domande
0
voti
Perfetto, grazie mille!
In generale in ingresso al contatore consigliate sia meglio avere una tensione un po' maggiore o un po' minore di 5V?
In generale in ingresso al contatore consigliate sia meglio avere una tensione un po' maggiore o un po' minore di 5V?
-

polaris006
58 2 6 - Frequentatore

- Messaggi: 106
- Iscritto il: 20 ago 2015, 18:09
0
voti
In un circuito logico generalmente la tensione di ingresso deve essere <= a quella di alimentazione.
Se nel circuito del post [6] derivi i 5 V (connessi a R3) dall'alimentazione del contatore, la condizione suddetta viene soddisfatta "per definizione".
Se nel circuito del post [6] derivi i 5 V (connessi a R3) dall'alimentazione del contatore, la condizione suddetta viene soddisfatta "per definizione".
11 messaggi
• Pagina 1 di 2 • 1, 2
Chi c’è in linea
Visitano il forum: Nessuno e 64 ospiti

Elettrotecnica e non solo (admin)
Un gatto tra gli elettroni (IsidoroKZ)
Esperienza e simulazioni (g.schgor)
Moleskine di un idraulico (RenzoDF)
Il Blog di ElectroYou (webmaster)
Idee microcontrollate (TardoFreak)
PICcoli grandi PICMicro (Paolino)
Il blog elettrico di carloc (carloc)
DirtEYblooog (dirtydeeds)
Di tutto... un po' (jordan20)
AK47 (lillo)
Esperienze elettroniche (marco438)
Telecomunicazioni musicali (clavicordo)
Automazione ed Elettronica (gustavo)
Direttive per la sicurezza (ErnestoCappelletti)
EYnfo dall'Alaska (mir)
Apriamo il quadro! (attilio)
H7-25 (asdf)
Passione Elettrica (massimob)
Elettroni a spasso (guidob)
Bloguerra (guerra)



