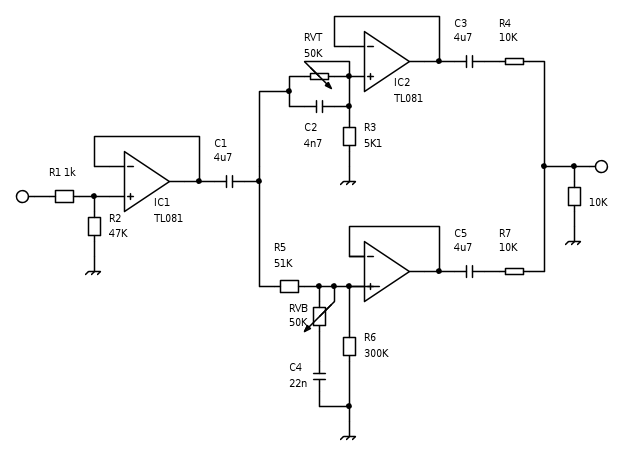
Salve a tutti. Sto cercando di simulare questo circuito di controllo toni con MicroCap12.
Il fatto è che non mi tornano le curve di attenuazione. Probabilmente ho cannato qualcosa, ma la mia inesperienza non mi permette di vederlo.
Potreste dirmi dove sbaglio?
Di seguito delle schermate dal programma:
Aiuto per simulazione controllo toni
4 messaggi
• Pagina 1 di 1
0
voti
Ultima modifica di
EdmondDantes il 19 nov 2019, 20:22, modificato 1 volta in totale.
Motivazione: Sistemati i tag fcd
Motivazione: Sistemati i tag fcd
-

Cicciopippo
0 2 - Messaggi: 5
- Iscritto il: 27 set 2010, 12:18
0
voti
Per ottenere i diagram di Bode vanno specificati
sia il terminale d'uscita che quello d'ingresso, p.es. dB(v(14)/v(1)).
Questo permette di osservare i singoli stadi.
sia il terminale d'uscita che quello d'ingresso, p.es. dB(v(14)/v(1)).
Questo permette di osservare i singoli stadi.
4 messaggi
• Pagina 1 di 1
Torna a Programmi applicativi: simulatori, CAD ed altro
Chi c’è in linea
Visitano il forum: Nessuno e 1 ospite

Elettrotecnica e non solo (admin)
Un gatto tra gli elettroni (IsidoroKZ)
Esperienza e simulazioni (g.schgor)
Moleskine di un idraulico (RenzoDF)
Il Blog di ElectroYou (webmaster)
Idee microcontrollate (TardoFreak)
PICcoli grandi PICMicro (Paolino)
Il blog elettrico di carloc (carloc)
DirtEYblooog (dirtydeeds)
Di tutto... un po' (jordan20)
AK47 (lillo)
Esperienze elettroniche (marco438)
Telecomunicazioni musicali (clavicordo)
Automazione ed Elettronica (gustavo)
Direttive per la sicurezza (ErnestoCappelletti)
EYnfo dall'Alaska (mir)
Apriamo il quadro! (attilio)
H7-25 (asdf)
Passione Elettrica (massimob)
Elettroni a spasso (guidob)
Bloguerra (guerra)

