Cos'è ElectroYou | Login Iscriviti

ElectroYou - la comunità dei professionisti del mondo elettrico

Verifica sperim. funzionamento dinamico di amplificatore CE

Elettronica lineare e digitale: didattica ed applicazioni

Moderatori: Foto Utentecarloc, Foto Utenteg.schgor, Foto UtenteBrunoValente, Foto UtenteIsidoroKZ

0
voti

[1] Verifica sperim. funzionamento dinamico di amplificatore CE

Messaggioda Foto UtenteAndrea2000 » 24 nov 2019, 13:35

Buona domenica a chi legge.

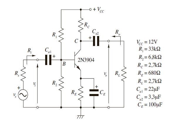
Allora, il prof ci dice di verificare sperimentalmente il funzionamento dinamico di un amplificatore a BJT basato sul transistor al silicio 2N3904, e ci mostra lo schema:

fig1.png


Come affronto il problema? La prima cosa che mi chiedo, anche se non è una richiesta esplicita del prof, è di verificare il funzionamento statico. In sostanza, voglio vedere il punto di lavoro di questo BJT.

Dopo qualche calcolo, che credo corretto, trovo:

I_{BQ}=12,5\mu A
I_{CQ}=1,87 mA
V_{CEQ}=5,68 V

(naturalmente, non possedendo il valore della c.d.t. sulla giunzione BE, ho imposto il classico 700 mV).

A questo punto, prima di eseguire le misure del guadagno di tensione, della resistenza di ingresso e di quella di uscita, mi vado a procurare i valori dei parametri ibridi per l'analisi del circuito in media frequenza. Per non complicarmi eccessivamente la vita decido di usare il circuito a parametri ibridi semplificato.
Il prof, tra l'altro, ci aveva indicato dove trovare alcune curve che taluni costruttori mettono a disposizione e che indicano il valore dei parametri h al variare delle condizioni statiche.
Eccole:

fig2.png


Ora, ed è questa la domanda che pongo, le condizioni di test che il costruttore ha usato per determinare tali curve (riportate nella parte alta della figura) indicano, oltre alla frequenza ed alla temperatura, una c.d.t. tra colletore ed emettitore pari a 10 volt.
Però, come ho scritto prima, nel mio caso ho una c.d.t. poco superiore alla metà. Cosa si fa in questi casi?

Grazie per la pazienza.
:-)
Avatar utente
Foto UtenteAndrea2000
210 3
New entry
New entry
 
Messaggi: 88
Iscritto il: 22 gen 2019, 11:44

0
voti

[2] Re: Verifica sperim. funzionamento dinamico di amplificatore

Messaggioda Foto Utenteg.schgor » 4 dic 2019, 19:39

Che significa 'verificare sperimentalmente'?
Puoi simulare il comportamento del circuito
a una data frequenza e un dato livello di segnale?
Avatar utente
Foto Utenteg.schgor
57,8k 9 12 13
G.Master EY
G.Master EY
 
Messaggi: 16971
Iscritto il: 25 ott 2005, 9:58
Località: MILANO

0
voti

[3] Re: Verifica sperim. funzionamento dinamico di amplificatore

Messaggioda Foto UtenteMarcoD » 5 dic 2019, 9:46

Complimenti per il post ben scritto.

..,nel mio caso ho una c.d.t. poco superiore alla metà. Cosa si fa in questi casi?
Niente !, le curve non cambiano o cambiano poco al passaggio dalla Vce 10 V a 5V ( O cambiano meno della dispersione di fabbricazione fra un lotto di componenti e l'altro).
L' elettronica, di solito è una tecnica approssimata al 10 %

verificare sperimentalmente il funzionamento dinamico di un amplificatore

Condurre un esperimento. Concordo con g.schgor.
Per me, una volta non esistevano i simulatori, vuol dire montare i componenti su una basetta, alimentare e con generatore di segnale e oscilloscopio rilevare guadagno , limiti di linearità, impedenza di ingresso e uscita.
Forse ora significa provarli su un simulatore. Poi il simulatore è sempre una approssimazione della realtà, dipende sempre da cosa vuoi vedere. Se vuoi rilevare il rumore introdotto dall'amplificatore
oppure l'influenza della fluttuazione della tensione di alimentazione o della lunghezza (induttanza) dei fili di alimentazione le cose si complicano. O_/
Avatar utente
Foto UtenteMarcoD
12,2k 5 9 13
Master EY
Master EY
 
Messaggi: 6696
Iscritto il: 9 lug 2015, 16:58
Località: Torino

1
voti

[4] Re: Verifica sperim. funzionamento dinamico di amplificatore

Messaggioda Foto Utenteg.schgor » 5 dic 2019, 15:42

Ho provato a simulare il circuito ed ecco i risultati.
Per prima cosa ho ricavato i diagrammi di Bode:
ampli1.gif
ampli1.gif (8.62 KiB) Osservato 5304 volte

da cui risulta nella gamma da 100Hz a 100kHz
un guadagno costante di 37dB (uscita =76 volte l'ingresso)
e uno sfasamentomdi 180°.

Ovviamente c'è un limite al segnale d'ingresso
per evitare distorsioni.
Ecco la comparazione dei segnali per un ingresso
da 10mVp ad 1kHz (invertito, in blu), con l'uscita
(/76, in rosso)
ampli2.gif
ampli2.gif (6.79 KiB) Osservato 5304 volte


Ed ecc0 la stessa comparazione con livello d'ingresso di 50mVp:
ampli3.gif
ampli3.gif (7.82 KiB) Osservato 5304 volte


Considerazione finale: se non c'è una specifica che stabilisce
le prestazioni da raggiungere, non ha senso parlare di
verifiche di funzionamento di un circuito.
Avatar utente
Foto Utenteg.schgor
57,8k 9 12 13
G.Master EY
G.Master EY
 
Messaggi: 16971
Iscritto il: 25 ott 2005, 9:58
Località: MILANO

0
voti

[5] Re: Verifica sperim. funzionamento dinamico di amplificatore

Messaggioda Foto UtenteAndrea2000 » 14 dic 2019, 0:19

Che significa 'verificare sperimentalmente'?


Significa calcolare le grandezze dinamiche dell'amplificatore (guadagni di tensione e di corrente, resistenza di ingresso e d'uscita) e poi misurare - direttamente o indirettamente - le stesse grandezze.
A quel punto si va a vedere se vi è coincidenza nei limiti degli errori sperimentali.
Così, almeno, ho capito.
Avatar utente
Foto UtenteAndrea2000
210 3
New entry
New entry
 
Messaggi: 88
Iscritto il: 22 gen 2019, 11:44

0
voti

[6] Re: Verifica sperim. funzionamento dinamico di amplificatore

Messaggioda Foto UtenteAndrea2000 » 14 dic 2019, 0:21

Niente !, le curve non cambiano o cambiano poco al passaggio dalla Vce 10 V a 5V ( O cambiano meno della dispersione di fabbricazione fra un lotto di componenti e l'altro).


Questo mi può servire, grazie.

L' elettronica, di solito è una tecnica approssimata al 10 %


E questo è davvero interessante, per il futuro. Grazie ancora.
Avatar utente
Foto UtenteAndrea2000
210 3
New entry
New entry
 
Messaggi: 88
Iscritto il: 22 gen 2019, 11:44

0
voti

[7] Re: Verifica sperim. funzionamento dinamico di amplificatore

Messaggioda Foto UtenteAndrea2000 » 14 dic 2019, 0:24

da cui risulta nella gamma da 100Hz a 100kHz
un guadagno costante di 37dB (uscita =76 volte l'ingresso)


Un guadagno di tensione uguale circa a 76 è anche quello che avevo trovato anch'io.
Bene, la cosa mi rincuora.

Grazie.
:-)
Avatar utente
Foto UtenteAndrea2000
210 3
New entry
New entry
 
Messaggi: 88
Iscritto il: 22 gen 2019, 11:44


Torna a Elettronica generale

Chi c’è in linea

Visitano il forum: Nessuno e 63 ospiti