Esercizi su Thevenin
Moderatori:
g.schgor,
IsidoroKZ
37 messaggi
• Pagina 1 di 4 • 1, 2, 3, 4
0
voti
Buonasera, eccomi ancora a chiedere aiuto per elettrotecnica.
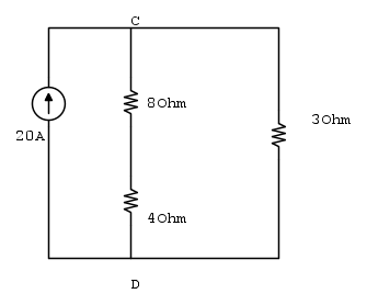
In questo primo esercizio determinando Tensione e resistenza equivalente di Thevenin, ed infine la potenza erogata dal bipolo supponendo i terminali A e B collegati con un resistore da 260mS.
Il mio dubbio sorge sul primo punto. Per determinare la tensione equivalente ha senso scrivere delle LKC identificando su ogni ramo una corrente o esiste una via più breve?
0
voti
In effetti sono lo stesso nodo, ma il professore il alcuni esercizi parte con questa risoluzione salvo poi "sistemarli" nei passaggi successivi.
Ultima modifica di
lillo il 28 gen 2020, 11:51, modificato 1 volta in totale.
Motivazione: Eliminata citazione integrale del messaggio precedente.
Motivazione: Eliminata citazione integrale del messaggio precedente.
0
voti
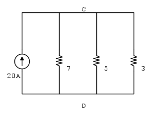
g.schgor ha scritto:La correntre del GIC si ripaltisce nei 3 rami in parallelo,
per cui è facile ottenere VAB
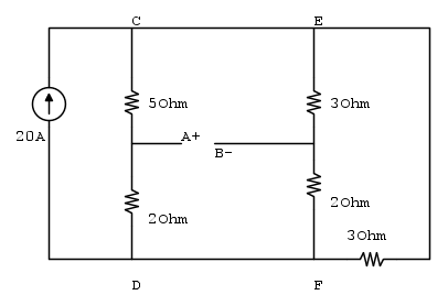
quindi potrei come prima cosa effettuare la serie tra i due resistori da (5Ohm e 3Ohm) e tra (2Ohm e 2Ohm) per semplificare il circuito?
0
voti
Fabio884 ha scritto:quindi potrei come prima cosa effettuare la serie tra i due resistori da (5Ohm e 3Ohm) e tra (2Ohm e 2Ohm) per semplificare il circuito?
Per trovare la resistenza totale vista del generatore da cui ricavare la tensione ai capi del parallelo si. Da quella attraverso i due partitori troverai la tensione di thevenin ai morsetti AB

0
voti
Può avere senso questa semplificazione? E successivamente trovare la resistenza totale vista dal generatore con il parallelo, cioè 2.4Ohm
1
voti
No, ma può essere questo:

1
voti
No, hai sommato R1 ed R3 (e analogamente R2 ed R4) che NON sono in serie.
Le resistenze in serie sono quelle nelle ellissi gialle, e se vuoi trovare la resistenza equivalente vista dal generatore il circuito diventa
Cosi` puoi calcolare la tensione ai capi del generatore e poi con due partitori di tensione, sul circuito originale, la tensione di A e B e quindi la tensione a vuoto.
Una osservazione: quando hai trovato l'equivalente Thevenin, puoi calcolare la potenza dissipata dal carico messo su AB, ma NON puoi calcolare la potenza generata o dissipata dagli elementi originali della rete, che confluiscono nell'equivalente Thevenin. Usando gli equivalenti Thevenin e Norton si perdono le potenze dissipate o generate dentro la rete originale.
Le resistenze in serie sono quelle nelle ellissi gialle, e se vuoi trovare la resistenza equivalente vista dal generatore il circuito diventa
Cosi` puoi calcolare la tensione ai capi del generatore e poi con due partitori di tensione, sul circuito originale, la tensione di A e B e quindi la tensione a vuoto.
Una osservazione: quando hai trovato l'equivalente Thevenin, puoi calcolare la potenza dissipata dal carico messo su AB, ma NON puoi calcolare la potenza generata o dissipata dagli elementi originali della rete, che confluiscono nell'equivalente Thevenin. Usando gli equivalenti Thevenin e Norton si perdono le potenze dissipate o generate dentro la rete originale.
Per usare proficuamente un simulatore, bisogna sapere molta più elettronica di lui
Plug it in - it works better!
Il 555 sta all'elettronica come Arduino all'informatica! (entrambi loro malgrado)
Se volete risposte rispondete a tutte le mie domande
Plug it in - it works better!
Il 555 sta all'elettronica come Arduino all'informatica! (entrambi loro malgrado)
Se volete risposte rispondete a tutte le mie domande
37 messaggi
• Pagina 1 di 4 • 1, 2, 3, 4
Torna a Elettrotecnica generale
Chi c’è in linea
Visitano il forum: Nessuno e 19 ospiti

Elettrotecnica e non solo (admin)
Un gatto tra gli elettroni (IsidoroKZ)
Esperienza e simulazioni (g.schgor)
Moleskine di un idraulico (RenzoDF)
Il Blog di ElectroYou (webmaster)
Idee microcontrollate (TardoFreak)
PICcoli grandi PICMicro (Paolino)
Il blog elettrico di carloc (carloc)
DirtEYblooog (dirtydeeds)
Di tutto... un po' (jordan20)
AK47 (lillo)
Esperienze elettroniche (marco438)
Telecomunicazioni musicali (clavicordo)
Automazione ed Elettronica (gustavo)
Direttive per la sicurezza (ErnestoCappelletti)
EYnfo dall'Alaska (mir)
Apriamo il quadro! (attilio)
H7-25 (asdf)
Passione Elettrica (massimob)
Elettroni a spasso (guidob)
Bloguerra (guerra)









