Cos'è ElectroYou | Login Iscriviti

ElectroYou - la comunità dei professionisti del mondo elettrico

Portare uscita analogica da 0-5V a 0-10V

Elettronica lineare e digitale: didattica ed applicazioni

Moderatori: Foto Utentecarloc, Foto Utenteg.schgor, Foto UtenteBrunoValente, Foto UtenteIsidoroKZ

0
voti

[1] Portare uscita analogica da 0-5V a 0-10V

Messaggioda Foto UtenteFedib » 18 ago 2020, 15:34

Salve a tutti ragazzi , ho trovato per il raspberry pi un modulo DAC(MCP4822)per avere delle uscite analogiche, solo che l'uscita è 0-5V, mi chiedevo dato che la maggior parte dei dispositivi(inverter ecc.) lavora con input di 0-10V, è possibile con un circuito rendere proporzionale l'uscita 0-5V al valore 0-10V?

ciao e grazie O_/
Avatar utente
Foto UtenteFedib
455 2 5 7
Sostenitore
Sostenitore
 
Messaggi: 692
Iscritto il: 4 mar 2013, 22:42

3
voti

[2] Re: Portare uscita analogica da 0-5V a 0-10V

Messaggioda Foto UtenteSediciAmpere » 18 ago 2020, 16:39

ecco:


questo può essere alimentato con tensione singola di 12V o 24 V usando integrati che arrivino proprio a 0 (in raltà qualche millivolt di dropout c'è sempre), come LT1013 o l'LM358; oppure con tensione duale di +12/-12V usando qualsiasi operazionale
Avatar utente
Foto UtenteSediciAmpere
4.187 5 5 8
Master
Master
 
Messaggi: 4847
Iscritto il: 31 ott 2013, 15:00

0
voti

[3] Re: Portare uscita analogica da 0-5V a 0-10V

Messaggioda Foto UtenteFedib » 18 ago 2020, 21:15

Grazie mille , in rete ho cercato un po e ho trovato anche come convertirlo in segnale in corrente 4-20mA, spero vada bene, in questo caso posso utilizzare lo stesso operazionale che mi hai consigliato tu ?

grazie ancora

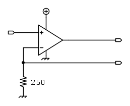
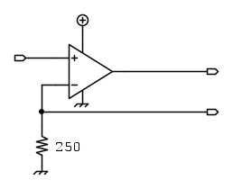
sul positivo ci va il segnale 0-5V e tra i due terminali in uscita il carico 4-20 mA

Avatar utente
Foto UtenteFedib
455 2 5 7
Sostenitore
Sostenitore
 
Messaggi: 692
Iscritto il: 4 mar 2013, 22:42

0
voti

[4] Re: Portare uscita analogica da 0-5V a 0-10V

Messaggioda Foto UtenteSediciAmpere » 18 ago 2020, 22:43

Così lo converte in 0-20mA , va bene ugualmente?
Avatar utente
Foto UtenteSediciAmpere
4.187 5 5 8
Master
Master
 
Messaggi: 4847
Iscritto il: 31 ott 2013, 15:00

0
voti

[5] Re: Portare uscita analogica da 0-5V a 0-10V

Messaggioda Foto UtenteFedib » 18 ago 2020, 22:46

Si, diciamo che volevo già predispormi anche un eventuale uscita 4-20mA
Avatar utente
Foto UtenteFedib
455 2 5 7
Sostenitore
Sostenitore
 
Messaggi: 692
Iscritto il: 4 mar 2013, 22:42


Torna a Elettronica generale

Chi c’è in linea

Visitano il forum: Nessuno e 379 ospiti