Vorrei chiedervi un consiglio su come gestire le luci esterne di casa.
Ho diversi applique sulle pareti esterne di casa, e un paletto luminoso che illumina il giardino e l'ingresso.
Dentro casa in diversi punti ho i pulsanti per accendere manualmente gli applique e un orologio astronomico sul quadro elettrico che accende e spegne da solo la luce del giardino. Il caso vuole che spesso mi dimentichi di chiudere gli applique esterni quindi mi chiedevo come fare per creare una sorta di timer che spenga tutto ad un orario fisso, ipotizziamo mezzanotte, a prescindere da quando le accendo manualmente. La cosa che vorrei mantenere è la possibilità di accenderle manualmente quando ne ho la necessità, solo lo spegnimento vorrei fosse automatico ad orario stabilito sempre uguale. Come faccio? Esiste qualche strumento meno avanzato rispetto un orologio astronomico che faccia solo da timer autooff?
Sarebbe il top se si potesse programmare in modo semplice con delle condizioni del tipo: se premo il pulsante di accensione luci prima di mezzanotte lo spegnimento avviene a mezzanotte, se invece accendo le luci dopo mezzanotte allora le luci si spegneranno entro 1ora. Una condizione del genere sarebbe perfetta per me.
Luci esterne abitazione come fare per spegnerle con timer?
Moderatori:
sebago,
MASSIMO-G,
lillo,
Mike
20 messaggi
• Pagina 1 di 2 • 1, 2
0
voti
ci vuole un PLC. oppure un elettronico che ti dia una mano. non credo esistano dispositivi da banco che facciano al caso tuo.
Ognuno sta solo sul cuor della terra
trafitto da un raggio di sole:
ed è subito sera
Salvatore Quasimodo
trafitto da un raggio di sole:
ed è subito sera
Salvatore Quasimodo
0
voti
Sonoff si sentito ma non so quanto posso essere utile. Mi dai info in più? Io lo conosco solo come interruttore wifi per vedere consumi, certo si può impostare un autooff. Però sarei vincolato da una app. Vorrei fosse invece tutto automatico.
0
voti
Oddio, descrivere le funzionalità è lunghetta...forse è meglio se cerchi sul web visto che ci sono anche esempi su come utilizzarli che io ancora non conosco. Ti dico quello che so. Sono dispositivi che si collegano via wifi al tuo router ed accessibili via cloud (quindi da tutto il mondo) e possono gestire carichi di diversa natura in modi diversi. Offrono grande possibilità di personalizzazione con menù che io ho trovato molto chiari e completi. PUoi gestire i dispositivi singolarmente o creare dei gruppi (ad esempio tapparelle e luci ecc...) oppure delle "scene" ovvero delle configurazioni a te consone. Hanno possibilità di programmazione oraria e sono gestibili da cellulare. Io ho fatto inizialmente l'errore di considerarli "solo" interruttori elettronici comandabili via web ma ti assicuro che sono ben di più. Occupano lo spazio di un frutto, alcuni sono alimentabili sia in 220CA che bassa tensione DC...spero basti per darti un idea. Da un occhiata sul forum shelly italia...anzi dovremmo aprire una sezione anche qui anche se vedo se ne parla poco..mi sembra.
0
voti
io farei in questo modo:
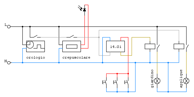
L'orologio può essere impostato per spegnere tutto a mezzanotte e l'interruttore crepuscolare attiva il contattore del palo-giardino e alimenta il Finder 14.01 , un relè a impulsi elettronico che si attiva e disattiva con i pulsanti, oppure si può disattivare togliendo l'alimentazione. Sicuramente esistono anche di altri produttori.
L'orologio può essere impostato per spegnere tutto a mezzanotte e l'interruttore crepuscolare attiva il contattore del palo-giardino e alimenta il Finder 14.01 , un relè a impulsi elettronico che si attiva e disattiva con i pulsanti, oppure si può disattivare togliendo l'alimentazione. Sicuramente esistono anche di altri produttori.
-

SediciAmpere
4.187 5 5 8 - Master

- Messaggi: 4847
- Iscritto il: 31 ott 2013, 15:00
0
voti
io farei in questo modo:
la soluzione è funzionale, nulla da dire, ma rispetto alle richieste manca il poter accendere manualmente le luci esterne in qualunque momento e l'automatismo di spegnerle dopo un certo tempo se accese dopo la mezzanotte
gestire queste esigenze con logica cablata forse è possibile, per carità, ma la vedo complicata e sconveniente, in questo caso probabilmente l'adozione di un relè smart, come quello suggerito al post 3, può facilitare.
Io non ho mai utlizzato i relè Shelly, so che si possono configurare per essere comandati dai classici pulsanti (quindi come relè passo-passo), so che si può avere una programmazione settimanale di accensione/spegnimento con a disposizione anche gli orari di alba e tramonto, so che si può attivare l'auto-spegnimento (diventando quindi un timer alla diseccitazione). Non so però quanto sia potente la costruzione degli scenari con le varie condizioni, come ad esempio (uso uno pseudo-codice):
- Codice: Seleziona tutto
IF (((orario compreso tra 00:01 e 06:00) AND (luci accese da più di 1h)) OR (orario corrispondente a 00:00))
{
<Comando di spegnimento>
}
forse in questo può illuminarci
0
voti
Bgiorno, onestamente non sono espertissimo sugli shelly. Li sto utilizzando da tempo con soddifsazione ed ora li sto integrando nell'Amazon Echo e ne scopro sempre possibilità nuove. Ti suggerisco di affacciarti sul forum shelly italia dove puoi conforntarti direttamente ocn molti utilizzatori e vedrai che le soluzioni sono davvero tante e lasciate alla fantasia.
Provo comunque a darti qualche input sulla logica.
Lo shelly 2.5 ha due rele con contatti NO (aperti), NON puliti ed un pin di input con il quale lo attivi manualmente (pensa ad un tasto, un segnale proveniente da un termostato, sensore o altro). Ciò ti offre la possibilità di cablarlo davvero in molti modi. Le scene presuppongono, come la definizione dice, una serie di shelly collegati a più dispositivi...tapparelle, luci ecc per i quali tu puoi stabilire un attivazione coordinata. Ad esempio scena "film", si abbassano le tapparelle ad una certa altezza, si spengono alcune luci se ne accendono altre e così via. E' come abbinare ad Amazon Echo un telecomando intelligente che (una volta memorizzati i telecomandi di dispositivi NON smart) comanda i dispositivi. Sempre al comando "film", accende la tv, lo stereo, abbassa le luci smart o le imposta su determinati colori.
Aggiungo anche che il tuo caso è davvero molto semplice come flow chart e quindi - se sei pratico - anche un semplice codice con Arduino o simili sarebbe divertente e relativamente semplice da realizzare.
Fatta questa breve, e spero chiara premessa, prova a fare uno schemino inserendo lo shelly nel circuito ed applicandone la logica. Tieni conto che lo shelly 2.5 lavora solo con 220AC mentre lo shelly1 lavora anche con 12VDC ed ha un contatto pulito NO e sempre il pin input di comando. Il software offre davvero molto possibilità ma devi smanettarci...scarica l'app e vai nei settaggi e vedrai cosa e come puoi fare...ti dico solo che per la modalità di funzionamento di un tasto ci sono 7 opzioni!!! Tutto con il vantaggio del wifi e/o del cloud.
Provo comunque a darti qualche input sulla logica.
Lo shelly 2.5 ha due rele con contatti NO (aperti), NON puliti ed un pin di input con il quale lo attivi manualmente (pensa ad un tasto, un segnale proveniente da un termostato, sensore o altro). Ciò ti offre la possibilità di cablarlo davvero in molti modi. Le scene presuppongono, come la definizione dice, una serie di shelly collegati a più dispositivi...tapparelle, luci ecc per i quali tu puoi stabilire un attivazione coordinata. Ad esempio scena "film", si abbassano le tapparelle ad una certa altezza, si spengono alcune luci se ne accendono altre e così via. E' come abbinare ad Amazon Echo un telecomando intelligente che (una volta memorizzati i telecomandi di dispositivi NON smart) comanda i dispositivi. Sempre al comando "film", accende la tv, lo stereo, abbassa le luci smart o le imposta su determinati colori.
Aggiungo anche che il tuo caso è davvero molto semplice come flow chart e quindi - se sei pratico - anche un semplice codice con Arduino o simili sarebbe divertente e relativamente semplice da realizzare.
Fatta questa breve, e spero chiara premessa, prova a fare uno schemino inserendo lo shelly nel circuito ed applicandone la logica. Tieni conto che lo shelly 2.5 lavora solo con 220AC mentre lo shelly1 lavora anche con 12VDC ed ha un contatto pulito NO e sempre il pin input di comando. Il software offre davvero molto possibilità ma devi smanettarci...scarica l'app e vai nei settaggi e vedrai cosa e come puoi fare...ti dico solo che per la modalità di funzionamento di un tasto ci sono 7 opzioni!!! Tutto con il vantaggio del wifi e/o del cloud.
0
voti
Ho dato un occhiata veloce...questo andrebbe bene per te?
Il programma accende/spegne agli orari prefissati e comunque tu con pulsante puoi accendere/spegnere.
Se sei in orario in cui è spento puoi accendere e viceversa. Idem da wb. Se il carico eccede la capacità del rele ne metti uno esterno più grande.
Ricapitolo...se nn ho errato (oggi mi fa male la testa
):
- shelly accende/spegne secondo i tuoi orari;
- se è acceso e tu vuoi spegnere premi il pulsante in casa o via app da cell;
- se è spento e vuoi accendere idem.
In pratica l'input esterno su SW pilota il rele.
Il programma accende/spegne agli orari prefissati e comunque tu con pulsante puoi accendere/spegnere.
Se sei in orario in cui è spento puoi accendere e viceversa. Idem da wb. Se il carico eccede la capacità del rele ne metti uno esterno più grande.
Ricapitolo...se nn ho errato (oggi mi fa male la testa
- shelly accende/spegne secondo i tuoi orari;
- se è acceso e tu vuoi spegnere premi il pulsante in casa o via app da cell;
- se è spento e vuoi accendere idem.
In pratica l'input esterno su SW pilota il rele.
20 messaggi
• Pagina 1 di 2 • 1, 2
Torna a Impianti, sicurezza e quadristica
Chi c’è in linea
Visitano il forum: Nessuno e 212 ospiti

Elettrotecnica e non solo (admin)
Un gatto tra gli elettroni (IsidoroKZ)
Esperienza e simulazioni (g.schgor)
Moleskine di un idraulico (RenzoDF)
Il Blog di ElectroYou (webmaster)
Idee microcontrollate (TardoFreak)
PICcoli grandi PICMicro (Paolino)
Il blog elettrico di carloc (carloc)
DirtEYblooog (dirtydeeds)
Di tutto... un po' (jordan20)
AK47 (lillo)
Esperienze elettroniche (marco438)
Telecomunicazioni musicali (clavicordo)
Automazione ed Elettronica (gustavo)
Direttive per la sicurezza (ErnestoCappelletti)
EYnfo dall'Alaska (mir)
Apriamo il quadro! (attilio)
H7-25 (asdf)
Passione Elettrica (massimob)
Elettroni a spasso (guidob)
Bloguerra (guerra)





