Buona Sera a tutti, sono capitato per caso in questo forum, e l'ho trovato subito molto interessante, visto che studio Elettrotecnica e ho alcuni dubbi su certi esercizi, l'esercizio è questo, se mi date una mano ve ne sarei molto grato.
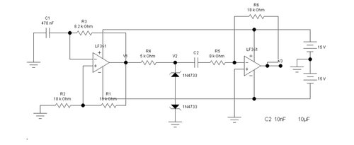
Secondo il circuito di figura, dovrei determinare la forma d'onda dei segnali indicati. Dovrei calcolare eventualmente qualche frequenza particolare interessante allo scopo.
Considerando due casi separati in cui C2= 10nF e C2=10µF, cosa potrei notare nel funzionamento? Tenendo presente che l'1N4733 ha una tensione di breakdown di 5,1 V (
"Zener)
Circuiti con Amplificatori Operazionali
Moderatori:
carloc,
g.schgor,
BrunoValente,
IsidoroKZ
12 messaggi
• Pagina 1 di 2 • 1, 2
1
voti
Il vecchio detto divide et impera funziona sempre! Riconosci che tipo di circuito è il primo stadio? Che cosa fa la sua uscita?
Riconosci il secondo stadio, formato da R4 e dagli zener? Infine sai cosa fa e come si comporta il terzo stadio?
Avete fatto le trasformate di Laplace?
Fai lo schema in FidoCadJ, così ci si può lavorare sopra.
Riconosci il secondo stadio, formato da R4 e dagli zener? Infine sai cosa fa e come si comporta il terzo stadio?
Avete fatto le trasformate di Laplace?
Fai lo schema in FidoCadJ, così ci si può lavorare sopra.
Per usare proficuamente un simulatore, bisogna sapere molta più elettronica di lui
Plug it in - it works better!
Il 555 sta all'elettronica come Arduino all'informatica! (entrambi loro malgrado)
Se volete risposte rispondete a tutte le mie domande
Plug it in - it works better!
Il 555 sta all'elettronica come Arduino all'informatica! (entrambi loro malgrado)
Se volete risposte rispondete a tutte le mie domande
0
voti
Ciao no cose come Laplace no, sono un po' così con questo argomento e avrei bisogno di una mano...
1
voti
Un aiutino non si nega mai
:
Il primo stadio è un multivibratore astabile generatore di onde quadre.
Il secondo stadio è un limitatore di tensione.
Il terzo stadio è un amplificatore con filtro passa alto.
Il valore del condensatore influisce sul valore del filtro passa alto,
con valore piccolo passano solo degli impulsi smorzati.
con valore grande passano quasi onde quadre perfette.
Cercati gli schemi e le descrizioni in wiki o nel web. E rifari lo schema in fidocadj.

Il primo stadio è un multivibratore astabile generatore di onde quadre.
Il secondo stadio è un limitatore di tensione.
Il terzo stadio è un amplificatore con filtro passa alto.
Il valore del condensatore influisce sul valore del filtro passa alto,
con valore piccolo passano solo degli impulsi smorzati.
con valore grande passano quasi onde quadre perfette.
Cercati gli schemi e le descrizioni in wiki o nel web. E rifari lo schema in fidocadj.

0
voti
Ciao davvero gentile, ma come mai con valore piccolo passano degli impulsi smorzati e con valore grande passano quasi onde quadre perfette?
0
voti
In mancanza di risposte aggiungo che con C2=47nF il secondo stadio diventa
un rivelatore di fronti d'onda del primo stadio.
Interessa il grafico?
un rivelatore di fronti d'onda del primo stadio.
Interessa il grafico?
0
voti
Salve, mi interessa sapere i casi in cui C2= 10nF e C2=10µF se possibile sarebbero molto utili i grafici grazie, se ha qualche spiegazione in più sull'intero esercizio un doppio grazie :)
1
voti
Per rispondere alle domande sarebbe opportuno che dicessi quale scuola e corso stai frequentando e quale libro di testo usi.
Per usare proficuamente un simulatore, bisogna sapere molta più elettronica di lui
Plug it in - it works better!
Il 555 sta all'elettronica come Arduino all'informatica! (entrambi loro malgrado)
Se volete risposte rispondete a tutte le mie domande
Plug it in - it works better!
Il 555 sta all'elettronica come Arduino all'informatica! (entrambi loro malgrado)
Se volete risposte rispondete a tutte le mie domande
12 messaggi
• Pagina 1 di 2 • 1, 2
Chi c’è in linea
Visitano il forum: Nessuno e 51 ospiti

Elettrotecnica e non solo (admin)
Un gatto tra gli elettroni (IsidoroKZ)
Esperienza e simulazioni (g.schgor)
Moleskine di un idraulico (RenzoDF)
Il Blog di ElectroYou (webmaster)
Idee microcontrollate (TardoFreak)
PICcoli grandi PICMicro (Paolino)
Il blog elettrico di carloc (carloc)
DirtEYblooog (dirtydeeds)
Di tutto... un po' (jordan20)
AK47 (lillo)
Esperienze elettroniche (marco438)
Telecomunicazioni musicali (clavicordo)
Automazione ed Elettronica (gustavo)
Direttive per la sicurezza (ErnestoCappelletti)
EYnfo dall'Alaska (mir)
Apriamo il quadro! (attilio)
H7-25 (asdf)
Passione Elettrica (massimob)
Elettroni a spasso (guidob)
Bloguerra (guerra)




