Cos'è ElectroYou | Login Iscriviti

ElectroYou - la comunità dei professionisti del mondo elettrico

Circuito in regime stazionario

Circuiti, campi elettromagnetici e teoria delle linee di trasmissione e distribuzione dell’energia elettrica

Moderatori: Foto Utenteg.schgor, Foto UtenteIsidoroKZ

2
voti

[1] Circuito in regime stazionario

Messaggioda Foto UtenteKlaudijus » 17 mag 2021, 11:15

Salve a tutti,
Vorrei che qualcuno mi correggesse questo esercizio perché ho dei dubbi sul fatto che abbia seguito il ragionamento giusto:

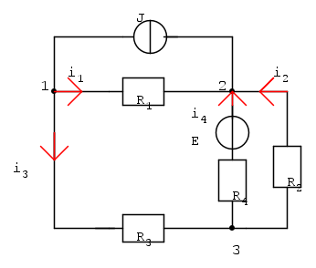
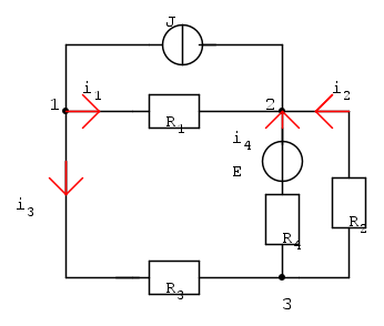
Screenshot (15).png


Ecco il mio procedimento:
Ho inizialmente rischematizzato il circuito nella maniera seguente(anche qui vorrei sapere se il circuito che ho considerato è lo stesso di quello di partenza):



Ho poi applicato il metodo dei potenziali nodali al precedente circuito ponendo u_1 il potenziale del nodo a sinistra, u_2 il potenziale del nodo di destra e il nodo in cui incidono R_3, R_4 e R_2 lo considero come potenziale di riferimento (u_3= 0)

poi ho considerato le LKC al nodo di sinistra e al nodo di destra e ho

LKC nodo 1 : +i_3 + i_1 - J =0
LKC nodo 2 : -i_1 + J - i_2 - i_4 = 0

sapendo che
i_3 = u_1/R_3
i_1 = (u_1 - u_2)/R_1
i_2 = -u_2/R_2
i_4 = (E - u_2)/R_4

ottengo:

u_1/R_3 + (u_1 - u_2)/R_1 - J = 0
(u_2 - u_1)/R_1 + J + u_2/R_2 +(u_2 - E)/R_4 = 0

mi ricavo u_1 e u_2 ( i quali mi vengono, a meno di errori di calcolo, u_1= 14,73 e u_2=-0,53) e determino poi sia i_3 tramite i_3 = u_1/R_3
e sia la potenza del gen, considerando la convenzione del generatore, tramite la relazione
P_j = -(u_2 - u_1) * J

vorrei sapere se il mio procedimento è giusto. Grazie anticipatamente per la risposta
Avatar utente
Foto UtenteKlaudijus
15 2
 
Messaggi: 31
Iscritto il: 7 mag 2021, 13:01

2
voti

[2] Re: Circuito in regime stazionario

Messaggioda Foto UtenteRenzoDF » 17 mag 2021, 11:43

Il metodo e la parte simbolica sono corrette, ma ti consiglio di rideterminare la soluzione numerica. ;-)
"Il circuito ha sempre ragione" (Luigi Malesani)
Avatar utente
Foto UtenteRenzoDF
55,9k 8 12 13
G.Master EY
G.Master EY
 
Messaggi: 13189
Iscritto il: 4 ott 2008, 9:55

0
voti

[3] Re: Circuito in regime stazionario

Messaggioda Foto UtenteKlaudijus » 17 mag 2021, 11:47

Quindi u_1 e u_2 sono errati dal punto di vista numerico. Grazie mille per la risposta
Avatar utente
Foto UtenteKlaudijus
15 2
 
Messaggi: 31
Iscritto il: 7 mag 2021, 13:01

1
voti

[4] Re: Circuito in regime stazionario

Messaggioda Foto UtenteEdmondDantes » 17 mag 2021, 12:37

L'unica vera incognita e' la corrente \text{I}_{3}.

Dovremmo riuscire a risolvere il circuito usando esclusivamente questa incognita.
Facciamo due trasformazioni sul generatore ideale di tensione \text{E}.



\text{R}_{A} e' il parallelo tra \text{R}_{2} e \text{R}_{4}.

Una LKC e troviamo la corrente di lato di \text{R}_{1}.
Una LKV nella maglia inferiore della rete e possiamo calcolare la corrente incognita.
La tensione ai capi di J e' pari alla c.d.t. su \text{R}_{1}.
Il Conte di Montecristo

Se non studio un giorno, me ne accorgo io. Se non studio due giorni, se ne accorge il pubblico.

Io devo studiare sodo e preparare me stesso perché prima o poi verrà il mio momento.
Abraham Lincoln
Avatar utente
Foto UtenteEdmondDantes
11,9k 8 11 13
Disattivato su sua richiesta
 
Messaggi: 3619
Iscritto il: 25 lug 2009, 22:18
Località: Marsiglia

1
voti

[5] Re: Circuito in regime stazionario

Messaggioda Foto UtenteRenzoDF » 17 mag 2021, 13:32

Rimossa R3, ricavato il circuito equivalente secondo Thevenin via semplice ispezione della rete

E_{Th}=JR_1+E/2=40 \text{ V}

R_{Th}=R_1+R_2/2=35/2 \, \Omega

avremo che

I_3=E_{Th}/(R_{Th}+R_3)=16/11  \text{ A}

Per questa ragione consigliavo di rivedere i calcoli numerici.
"Il circuito ha sempre ragione" (Luigi Malesani)
Avatar utente
Foto UtenteRenzoDF
55,9k 8 12 13
G.Master EY
G.Master EY
 
Messaggi: 13189
Iscritto il: 4 ott 2008, 9:55

1
voti

[6] Re: Circuito in regime stazionario

Messaggioda Foto UtenteEdmondDantes » 17 mag 2021, 19:56

L'esercizio si puo' risolvere applicando una sola volta la regola di Millman.
Vediamo come.

Disegniamo la rete duale



A questo punto applichiamo la regola di Millman per trovare \text{V}_{3} che corrisponde, numericamente, alla corrente \text{I}_{3} del circuito originale.
\text{V}_{3}=\frac{\frac{\text{R}_{4}\text{J}_{E}}{\text{R}_{2}+\text{R}_{4}}+\frac{\text{E}_{J}}{\text{R}_{1}}}{\frac{1}{\text{R}_{1}}+\frac{1}{\text{R}_{2}+\text{R}_{4}}+\frac{1}{\text{R}_{3}}}

Calcolata \text{V}_{3} ritorniamo nel circuito originale, la solita LKC per trovare la corrente su \text{R}_{1} e quindi la potenza associata al generatore ideale di corrente.

In pratica l'esercizio si puo' risolvere maneggiando esclusivamente la rete data.

PS
Ricordiamo che nella rete duale i generatori di corrente si trasformano in generatori di tensione (e viceversa) e le resistenze in conduttanze. I valori numerici rimangono inalterati.
Una resistenza da 5 ohm nel circuito originale corrisponde ad una conduttanza da 5 siemens nel circuito duale.
Un generatore ideale di tensione da 5 volt corrisponde ad un generatore ideale di corrente da 5 ampere e cosi' via.

PSS
Trasformando tutti i generatori ideali della rete originale si puo' arrivare a disegnare un circuito con una sola maglia e pertanto calcolare la corrente \text{I}_{3}.
Il Conte di Montecristo

Se non studio un giorno, me ne accorgo io. Se non studio due giorni, se ne accorge il pubblico.

Io devo studiare sodo e preparare me stesso perché prima o poi verrà il mio momento.
Abraham Lincoln
Avatar utente
Foto UtenteEdmondDantes
11,9k 8 11 13
Disattivato su sua richiesta
 
Messaggi: 3619
Iscritto il: 25 lug 2009, 22:18
Località: Marsiglia

0
voti

[7] Re: Circuito in regime stazionario

Messaggioda Foto UtenteEdmondDantes » 20 mag 2021, 12:50

Da notare la perfetta dualità tra la V3 e la I3 calcolata da Foto UtenteRenzoDF.
Il Conte di Montecristo

Se non studio un giorno, me ne accorgo io. Se non studio due giorni, se ne accorge il pubblico.

Io devo studiare sodo e preparare me stesso perché prima o poi verrà il mio momento.
Abraham Lincoln
Avatar utente
Foto UtenteEdmondDantes
11,9k 8 11 13
Disattivato su sua richiesta
 
Messaggi: 3619
Iscritto il: 25 lug 2009, 22:18
Località: Marsiglia


Torna a Elettrotecnica generale

Chi c’è in linea

Visitano il forum: Nessuno e 44 ospiti