Cos'è ElectroYou | Login Iscriviti

ElectroYou - la comunità dei professionisti del mondo elettrico

circuito periodico con mutua induttanza

Circuiti, campi elettromagnetici e teoria delle linee di trasmissione e distribuzione dell’energia elettrica

Moderatori: Foto Utenteg.schgor, Foto UtenteIsidoroKZ

0
voti

[1] circuito periodico con mutua induttanza

Messaggioda Foto Utenteziomangrovia » 17 mag 2021, 20:28

premesso che il circuito seguente è già stato studiato per t<0 e
dovendo invece studiarlo per t>=0 , chiedo se l'equazione alla maglia che ho scritto va bene.
Il mio dubbio è sul contributo della mutua induttanza.
Il segno delle mutua induttanza sono certo che è negativo in quanto la corrente i(t) in L_2 entra nel contrassegno mentre la corrente J in L_1 esce dal contrassegno.
Ma devo scrivere anche il contributo del valore iniziale di L_1, dato dal generatore di tensione i_1(0^-)L1, nell'equazione della maglia ?

grazie


E usare FidoCadJ?
Avatar utente
Foto Utenteziomangrovia
60 1 2 6
Frequentatore
Frequentatore
 
Messaggi: 275
Iscritto il: 28 ago 2015, 6:27

0
voti

[2] Re: circuito periodico con mutua induttanza

Messaggioda Foto Utenteziomangrovia » 17 mag 2021, 23:03

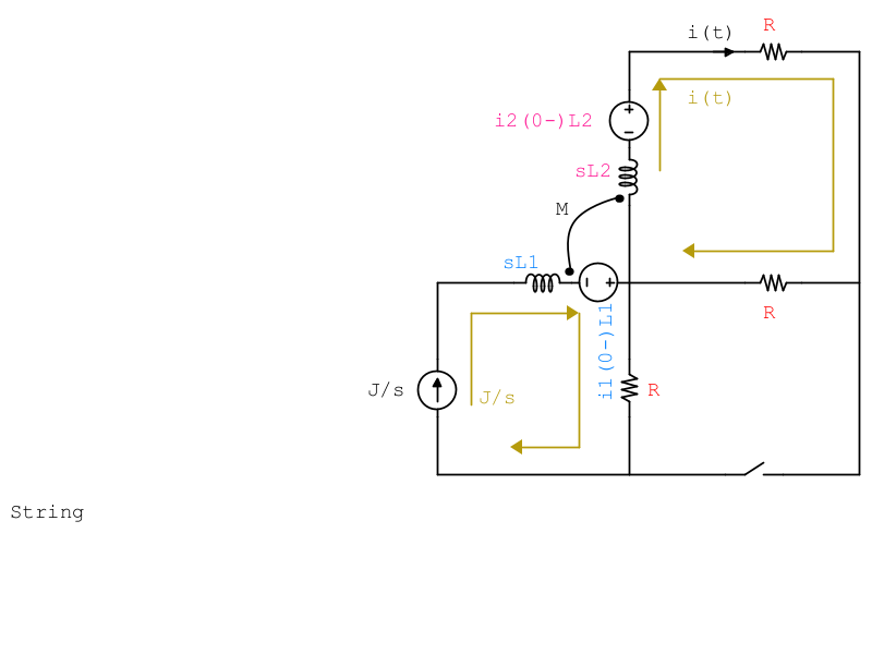
Ecco lo schema, trattasi di affrontare la soluzione mediante Laplace ma a me interessa soltanto capire ciò che ho scritto in grassetto.
Grazie

schema.png
Avatar utente
Foto Utenteziomangrovia
60 1 2 6
Frequentatore
Frequentatore
 
Messaggi: 275
Iscritto il: 28 ago 2015, 6:27

2
voti

[3] Re: circuito periodico con mutua induttanza

Messaggioda Foto Utenteg.schgor » 19 mag 2021, 16:20

All'incrocio fra i 2 generatori di tensione manca un pallino che li colleghi (oppure no ?)
Avatar utente
Foto Utenteg.schgor
57,8k 9 12 13
G.Master EY
G.Master EY
 
Messaggi: 16971
Iscritto il: 25 ott 2005, 9:58
Località: MILANO

0
voti

[4] Re: circuito periodico con mutua induttanza

Messaggioda Foto Utenteziomangrovia » 19 mag 2021, 16:40

g.schgor ha scritto:All'incrocio fra i 2 generatori di tensione manca un pallino che li colleghi (oppure no ?)


si manca, nello schema non c'era ma presumo debba essere inserito in quanto c'e' un incrocio vero e proprio.
Comunque ho commesso un errore, il circuito originale è questo e credo di aver mal interpretato le condizioni iniziali.

Avatar utente
Foto Utenteziomangrovia
60 1 2 6
Frequentatore
Frequentatore
 
Messaggi: 275
Iscritto il: 28 ago 2015, 6:27

0
voti

[5] Re: circuito periodico con mutua induttanza

Messaggioda Foto Utenteg.schgor » 20 mag 2021, 11:49

Ecco una simulazione dell'andamento delle correnti
in R2 e R3 :

Forum210518.gif
Forum210518.gif (5.75 KiB) Osservato 4463 volte
Avatar utente
Foto Utenteg.schgor
57,8k 9 12 13
G.Master EY
G.Master EY
 
Messaggi: 16971
Iscritto il: 25 ott 2005, 9:58
Località: MILANO


Torna a Elettrotecnica generale

Chi c’è in linea

Visitano il forum: Nessuno e 36 ospiti