Ciao a tutti,
attualmente io ho il motore del climatizzatore nel sottotetto e grazie all'incalanatura dell'aria separata mediante 2 velux il sistema funziona benissimo. L'apertura dei velux oggi è controllata mediante un relè amperometrico che quando sente l'assorbire di una corrente superiore i 0.5A si mette in posizione di apertura velux, quando scende sotto quella soglia su chiuduno, questo perché quando accendo uno splitter in casa l'assorbimento sale e quindi ho potuto domotizzare il tutto.
Oggi aprirò una bocchetta d'aria per evitare di usare il sistema dei velux, che funziona ottimamente da 4 anni, ma in caso di pioggia è chiaramente non utilizzbile. Quello che vorrei fare è una cosa simile, ma in questo caso devo chiudere e aprire un piccolo plexiglass sulla grata grande 30cm x 20cm e per farlo uso un piccolo motore stepper 28BYJ-48 (12v o 5v). Il meccanismo con il motorino non è un problema con arduino nano, ma quello che mi manca è come far sapere ad arduino quello che sà il rele amperometrico. Nel sistema ci sono anche sensori Ewelink che segnalano se i velux sono aperti o chiusi e poi inseriro anche una plug shucko tuya.
Sapendo che il segnale del relè è a 220 V, come posso fare con arduino?
inviare un segnale a Arduino da un relè 220 V
28 messaggi
• Pagina 1 di 3 • 1, 2, 3
0
voti
Io metterei un fotoaccoppiatore (o optoisolatore che dir si voglia)
Quando il relè a 220 V si attiva, una lampadina (sempre a 220 V) farà attivare il fotoaccoppiatore che è inserito nella circuitazione di arduino
Quando il relè a 220 V si attiva, una lampadina (sempre a 220 V) farà attivare il fotoaccoppiatore che è inserito nella circuitazione di arduino
0
voti
ciao, grazie intanto per la risposta. Non conosco i fotoaccoppiatori, mi documento. La mia prima idea era quella di mettere 2 trasformatori 220v->5v (o 12v) sulla linea che apre e chiude i motori in modo da inviare un segnale a Arduino. Ma qui le prime domande. Quale corrente mi posso attendere x acquistare i corretti trasformatori?Ipotesi che non ho correnti elevate e acquisto anche 2 di quelli piccoli che arrivano a 600ma, Arduino vedrebbe questo segnale in modo da pilotare il motore?
esempio
esempio
0
voti
Al posto tuo, mi documenterei sui fotoaccoppiatori e poi dedicerei
Ti risparmieresti mille problemi nel dover trovare i trasformatori e quant'altro
Con l'optoisolatore, l'unica accortezza e nel doverlo racchiudere assieme alla lampadina , in modo da evitare eventuali "disturbi" dalla altre fonti luminose
Inoltre, una lampadina a 220 V da 5W (quella dei frigoriferi) ed un optoisolatore costano assieme meno di 2 euro, i trasformatori costano molto di più
Ti risparmieresti mille problemi nel dover trovare i trasformatori e quant'altro
Con l'optoisolatore, l'unica accortezza e nel doverlo racchiudere assieme alla lampadina , in modo da evitare eventuali "disturbi" dalla altre fonti luminose
Inoltre, una lampadina a 220 V da 5W (quella dei frigoriferi) ed un optoisolatore costano assieme meno di 2 euro, i trasformatori costano molto di più
0
voti
Guardando questo Video, mi pare che non servano lampadine
https://www.youtube.com/watch?v=6h1Tzs4vCMc
https://www.youtube.com/watch?v=6h1Tzs4vCMc
0
voti
In generale, dei video su YT mi fido poco, solitamente seguo il canale per qualche tempo e capisco se lo youtuber è competente oppure no
Detto questo, quello del video è un dispositivo che incorpora il tutto ma funziona (con la premessa qui sopra) come dicevo prima
Detto questo, quello del video è un dispositivo che incorpora il tutto ma funziona (con la premessa qui sopra) come dicevo prima
0
voti
Ahimè, io non posso giudicare non avendo abbastanza esperienza e conoscenza. Da quello che vedo effettivamente il Fotoaccoppiatore è la soluzione corretta, isolando la 220 V da un'uscita che mi pare capire essere intorno a 5v e quinidi leggibile da arduino.
qui vedo un video che lo collega
https://www.youtube.com/watch?v=dD4r5I7h4Xg
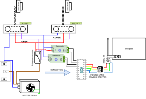
La teoria (spero che qualcuno di altro ci confermi) sarebbe un circutio come questo
PS: I pin messi su arduino sono solo fittizzi solo x mostrare la connessione ideologia tra gli apparati.
qui vedo un video che lo collega
https://www.youtube.com/watch?v=dD4r5I7h4Xg
La teoria (spero che qualcuno di altro ci confermi) sarebbe un circutio come questo
PS: I pin messi su arduino sono solo fittizzi solo x mostrare la connessione ideologia tra gli apparati.
0
voti
perché 2 optoisolatori?
Ne basterebbe forse 1 solo, anche se poi dipende dal codice di Arduino (che non conosco)
Quando l'optoisolatore dà consenso, arduino fa la parte sua (apre?); quando il consenso viene tolto, arduino smette (chiude?)
Ne basterebbe forse 1 solo, anche se poi dipende dal codice di Arduino (che non conosco)
Quando l'optoisolatore dà consenso, arduino fa la parte sua (apre?); quando il consenso viene tolto, arduino smette (chiude?)
0
voti
effettivamente si, se non ho segnale su apertura si può dedurrre una chiusura. a questo punto li ordine e attendo il loro arrivo per dire le ultime parole famose :)
@alev, grazie infinite per la dritta, ti farò sapere dopo gennaio perché tutto arriva dalla china
@alev, grazie infinite per la dritta, ti farò sapere dopo gennaio perché tutto arriva dalla china
3
voti
Un modo molto affidabile per capire quando chiude un relay è quello di usare un integrato ad effetto hall da porre vicino alla bobina del relè.
Ne esistono di completamente integrati con 3 pin: GND, VCC, sense.
Il sense è direttamente un bit da collegare ad un ingresso arduino a cui è stato abilitato il pull up interno.
Da realizzare è di una facilità disarmante.
Ecco un esempio: AH3377
Ne esistono di completamente integrati con 3 pin: GND, VCC, sense.
Il sense è direttamente un bit da collegare ad un ingresso arduino a cui è stato abilitato il pull up interno.
Da realizzare è di una facilità disarmante.
Ecco un esempio: AH3377
-

PietroBaima
90,7k 7 12 13 - G.Master EY

- Messaggi: 12206
- Iscritto il: 12 ago 2012, 1:20
- Località: Londra
28 messaggi
• Pagina 1 di 3 • 1, 2, 3
Chi c’è in linea
Visitano il forum: Nessuno e 10 ospiti

Elettrotecnica e non solo (admin)
Un gatto tra gli elettroni (IsidoroKZ)
Esperienza e simulazioni (g.schgor)
Moleskine di un idraulico (RenzoDF)
Il Blog di ElectroYou (webmaster)
Idee microcontrollate (TardoFreak)
PICcoli grandi PICMicro (Paolino)
Il blog elettrico di carloc (carloc)
DirtEYblooog (dirtydeeds)
Di tutto... un po' (jordan20)
AK47 (lillo)
Esperienze elettroniche (marco438)
Telecomunicazioni musicali (clavicordo)
Automazione ed Elettronica (gustavo)
Direttive per la sicurezza (ErnestoCappelletti)
EYnfo dall'Alaska (mir)
Apriamo il quadro! (attilio)
H7-25 (asdf)
Passione Elettrica (massimob)
Elettroni a spasso (guidob)
Bloguerra (guerra)


pigreco]=π