Ciao. Mi sto interessando da neofita all'elettronica a componenti discreti.
Volevo fare delle domande sui transitor :
- come mai nel PNP e nell'NPN l'utilizzatore è sempre posto dalla parte del collettore ? non sarebbe indifferente applicarlo prima o dopo ? (dalla parte dell'emettitore).
- non riesco a capire il funzionamento di questo semplice circuito che sto studiando su un libretto di elettronica:
grazie mille ciao
domande basiche sui transistor
Moderatori:
carloc,
g.schgor,
BrunoValente,
IsidoroKZ
24 messaggi
• Pagina 1 di 3 • 1, 2, 3
1
voti
Come stai studiando? Tutti i testi decenti di elettronica generale spiegano le basi minime della fisica dei dispositivi e rispondono alla tua domanda, quindi ho idea che tu stia studiando su uno dei tantissimi sprechi di carta che si trovano in giro. Comunque, i transistor bipolari non sono esattamente simmetrici... e per la cronaca ci sono circuiti ampiamente usati con uscita all'emettitore, il più classico dei quali è senz'altro l'emitter follower.
-

rugweri
5.948 2 7 11 - CRU - Account cancellato su Richiesta utente
- Messaggi: 1366
- Iscritto il: 25 nov 2016, 18:46
0
voti
ciao grazie.
Qui :
http://www.raffaeleilardo.it/pnonp.htm
a metà pagina sotto il paragrafo "Come funzionano i due tipi di transistor" in fig 2 e 3 mostra che l'utilizzatore si pone sempre in C. Ho sbagliato forse a interpretare il testo ? grazie.
Qui :
http://www.raffaeleilardo.it/pnonp.htm
a metà pagina sotto il paragrafo "Come funzionano i due tipi di transistor" in fig 2 e 3 mostra che l'utilizzatore si pone sempre in C. Ho sbagliato forse a interpretare il testo ? grazie.
-

stardust79
85 1 2 7 - Stabilizzato

- Messaggi: 330
- Iscritto il: 24 dic 2013, 18:13
1
voti
Non e' che sbagli tu a leggere, e' solo che quel testo e' molto basilare ed incompleto, da alcuni esempi ed alcune indicazioni, ma non le specifica in maniera completa.
C'e' anche da dire che per "spiegare" tutte le possibili caratteristiche e tutti i possibili utilizzi di un componente "apparentemente" semplice come il transistor, servirebbero un paio di libri (o un centinaio di post) pieni fra l'altro di formule anche abbastanza complesse in molti casi, per cui quando si descrivono dei circuiti basilari con i transistor, si cerca di semplificare al massimo, a volte a scapito dell'accuratezza e della completezza didattica.
Semplificando a mia volta (cosa di cui mi scuso, ma non posso scrivere un post chilometrico), la configurazione che hai postato, con i due transistor PNP ed NPN, e' piu o meno, elettricamente e funzionalmente parlando, l'equivalente di un transistor unigiunzione (o per essere pignoli, di un PUT, unigiunzione programmabile), un componente ormai non molto usato, ma comunque interessante, che veniva in passato molto usato in certi circuiti, sia come trigger per gli SCR che come componente attivo negli oscillatori a rilassamento, e di cui ti consiglio lo studio insieme a quello dei transistor.
C'e' anche da dire che per "spiegare" tutte le possibili caratteristiche e tutti i possibili utilizzi di un componente "apparentemente" semplice come il transistor, servirebbero un paio di libri (o un centinaio di post) pieni fra l'altro di formule anche abbastanza complesse in molti casi, per cui quando si descrivono dei circuiti basilari con i transistor, si cerca di semplificare al massimo, a volte a scapito dell'accuratezza e della completezza didattica.
Semplificando a mia volta (cosa di cui mi scuso, ma non posso scrivere un post chilometrico), la configurazione che hai postato, con i due transistor PNP ed NPN, e' piu o meno, elettricamente e funzionalmente parlando, l'equivalente di un transistor unigiunzione (o per essere pignoli, di un PUT, unigiunzione programmabile), un componente ormai non molto usato, ma comunque interessante, che veniva in passato molto usato in certi circuiti, sia come trigger per gli SCR che come componente attivo negli oscillatori a rilassamento, e di cui ti consiglio lo studio insieme a quello dei transistor.
"Sopravvivere" e' attualmente l'unico lusso che la maggior parte dei Cittadini italiani,
sia pure a costo di enormi sacrifici, riesce ancora a permettersi.
sia pure a costo di enormi sacrifici, riesce ancora a permettersi.
-

Etemenanki
9.522 3 6 10 - Master

- Messaggi: 5945
- Iscritto il: 2 apr 2021, 23:42
- Località: Dalle parti di un grande lago ... :)
0
voti
Ho fatto due conti e in realtà la risposta alla mia prima domanda è banale: se nell'esempio del npn la resistenza dell'utilizzatore non fosse sul ramo del collettore, ma fosse su emettitore, non si creerebbe la ddp necessaria a far tirare la corrente nella base. Sbaglio?
-

stardust79
85 1 2 7 - Stabilizzato

- Messaggi: 330
- Iscritto il: 24 dic 2013, 18:13
1
voti
Ni. Non è errato, ma un poco di ddp si crea lo stesso anche con il carico sull'emettitore.non si creerebbe la ddp necessaria a far tirare la corrente nella base. Sbaglio?
Le cose possono essere più complicate:
Lo stadio deve invertire il segnale o no?
Si vuole fare un amplificatore di segnale (audio) o pilotare un carico ( lampadina o bobina del relè).
Il carico all'ingresso stadio transistore deve essere elevato o basso ?
Dovresti fare esempi anche con valori numerici.
Nello schema che hai tracciato evidenza il segnale di comando.
Tralascia il circuito al post 1, fino a quando non hai chiaro il funzionamento di circuiti più semplici.

1
voti
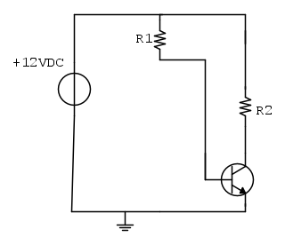
Grazie. Dunque, lo schema è il piu semplice didatticamente parlando, utilizzatore da 12 V identificato con R2 (200 ohm) comandato ON/OFF dalla base in cui metto R1 al fine di creare una ddp tra base ed emettitore (i famosi 0,7 volt, se no non funzionerebbe).
Supponiamo di prendere un transistor con beta =200
Calcoliamo la corrente in R2 : (12-0,2)/200=59 mA
Calcoliamo la corrente in base: 59/200=295 uA
Calcoliamo la resistenza R1: (12-0,7)/295uA= 38 kohm
Se volessi traslare R2 sotto, potrei riuscire a farlo funzionare lo stesso ? a primo occhio no, ma se mi accontentassi di perdere della ddp a cavallo di R2, si. o sbaglio ?
Mi sposterei piu a destra col punto di funzionamento del transistor, farei cadere della tensione tra collettore ed emettitore e poi potrei dimensionare una ressitenza R1 adeguata per far scorrere la corrente necessaria in R1 ed alimentare r2 con 9 volt.
Caduta in R1 diventerebbe 3-0,7 = 2,3 volt
poi R1= 2,3/300uA= 7,7 kohm
è corretto ? il fatto che la curva sia piana, cosa implica ? che il transistor si comporta da generatore corrente? ? grazie ciao
Supponiamo di prendere un transistor con beta =200
Calcoliamo la corrente in R2 : (12-0,2)/200=59 mA
Calcoliamo la corrente in base: 59/200=295 uA
Calcoliamo la resistenza R1: (12-0,7)/295uA= 38 kohm
Se volessi traslare R2 sotto, potrei riuscire a farlo funzionare lo stesso ? a primo occhio no, ma se mi accontentassi di perdere della ddp a cavallo di R2, si. o sbaglio ?
Mi sposterei piu a destra col punto di funzionamento del transistor, farei cadere della tensione tra collettore ed emettitore e poi potrei dimensionare una ressitenza R1 adeguata per far scorrere la corrente necessaria in R1 ed alimentare r2 con 9 volt.
Caduta in R1 diventerebbe 3-0,7 = 2,3 volt
poi R1= 2,3/300uA= 7,7 kohm
è corretto ? il fatto che la curva sia piana, cosa implica ? che il transistor si comporta da generatore corrente? ? grazie ciao
-

stardust79
85 1 2 7 - Stabilizzato

- Messaggi: 330
- Iscritto il: 24 dic 2013, 18:13
0
voti
Scusa
stardust79, da una rapida occhiata al thread non ho trovato riferimenti alle possibili configurazioni dei transistor.
Ho letto che stai cercando di studiarli, hai gia letto qualcosa sulle varie configurazioni?
Se così non fosse, ecco qualche keyword: emettitore comune, collettore comune anche noto come emitter-follower e base comune.
Per ora l' ultima non è indispensabile.
Ho letto che stai cercando di studiarli, hai gia letto qualcosa sulle varie configurazioni?
Se così non fosse, ecco qualche keyword: emettitore comune, collettore comune anche noto come emitter-follower e base comune.
Per ora l' ultima non è indispensabile.
1
voti
Si, è corretto
.
Al limite, nel carico su emettitore, potresti fare salire la tensione da 9 a fino a
12-0.7 V, la resistenza R1 assume valore 0 ohm.
Calcola nei due casi quanto è la potenza dissipata nel collettore Vce x Ic,
nel carico sul collettore è minore, questo spiega perché, nel caso di pilotaggio carichi, si preferisce mettere il carico sul collettore.
.Al limite, nel carico su emettitore, potresti fare salire la tensione da 9 a fino a
12-0.7 V, la resistenza R1 assume valore 0 ohm.
Calcola nei due casi quanto è la potenza dissipata nel collettore Vce x Ic,
nel carico sul collettore è minore, questo spiega perché, nel caso di pilotaggio carichi, si preferisce mettere il carico sul collettore.

24 messaggi
• Pagina 1 di 3 • 1, 2, 3
Chi c’è in linea
Visitano il forum: Nessuno e 79 ospiti

Elettrotecnica e non solo (admin)
Un gatto tra gli elettroni (IsidoroKZ)
Esperienza e simulazioni (g.schgor)
Moleskine di un idraulico (RenzoDF)
Il Blog di ElectroYou (webmaster)
Idee microcontrollate (TardoFreak)
PICcoli grandi PICMicro (Paolino)
Il blog elettrico di carloc (carloc)
DirtEYblooog (dirtydeeds)
Di tutto... un po' (jordan20)
AK47 (lillo)
Esperienze elettroniche (marco438)
Telecomunicazioni musicali (clavicordo)
Automazione ed Elettronica (gustavo)
Direttive per la sicurezza (ErnestoCappelletti)
EYnfo dall'Alaska (mir)
Apriamo il quadro! (attilio)
H7-25 (asdf)
Passione Elettrica (massimob)
Elettroni a spasso (guidob)
Bloguerra (guerra)









