Alimentatore da banco con due uscite regolabil proveniente dalla cina più profonda
Oggi ho fatto quello che non si deve fare. Collegamento volante con uno spezzone di cavo su una delle uscite
i fili vanno in corto ...pazienza c'è il limite di corrente...e invece stavolta al corto ha partecipato il terzo incomodo la massa della sonda oscilloscopio. Quindi la scintilla l'hanno fatta gli estremi del cavo assieme alla massa della sonda oscilloscopio.
In meno di un secondo stacco il filo del positivo.... sembra tutto regolare .... rimetto il filo del positivo (dopo aver separato e fissato i fili con massa della sonda ancora collegata) ....grande scintilla sulle boccole di uscita dell'alimentatore e tensione che schizza a 40V (era regolata a 24 V e l'alimentatore regola fino a 30V)
Morale della favola ci ho rimesso la mia scheda collegata amen...Nell'alimentatore ho un transistor 2SD1047 in corto l'altro risponde correttamente alle misure col tester ma sostituirò anche quello. Sulla scheda di regolazione dell'alimentatore ho trovato una resistenza bruciata da 330ohm (...il valore è presunto ricavato guardando le resistenze dell'altro canale) collegata a un riferimento TL431 che sembra funzionare misuro 2.5V. Ho sostituito la resistenza con 2 da 150ohm in serie non ho nulla di più vicino a 330ohm
L'altro canale sembra funzionare (per ora provo solo a vuoto) Ho ho spostato la coppia di transistor 2SD1047 del canale funzionante sul il canale guasto ma la tensione non sale sopra 8.6V. Ho l'impressione che non commuti il relè Nell'altro canale salendo in tensione ad un certo punto sento un relè commutare, su questo nulla.
Qualcuno mi aiuterebbe a trovare lo schema
Alimentatore da banco Techstart TP3005-2D..guasto
Moderatori:
carloc,
g.schgor,
BrunoValente,
IsidoroKZ
8 messaggi
• Pagina 1 di 1
0
voti
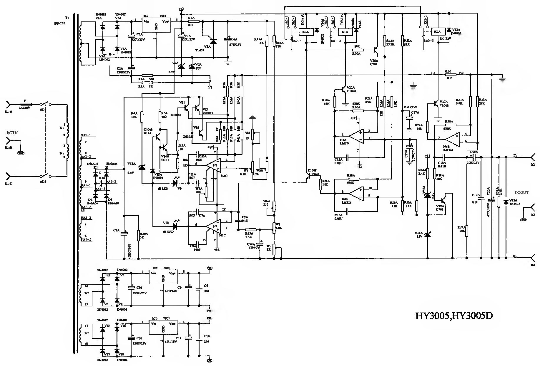
Prova con questi allegati, potrebbero essere utili.
Ti avviso che non ho mai controllato gli schemi, li avevo solo messi da parte tempo fa.
Ti avviso che non ho mai controllato gli schemi, li avevo solo messi da parte tempo fa.
- Allegati
-
ps305d.pdf- (67.69 KiB) Scaricato 112 volte
0
voti
Grazie quello schema l'ho visto anche io Non è esattamente il mio ma qualcosa aiuta
Da quel poco che ho capito lo schema nel mio caso è sparpagliato su due diversi stampati
(Piccolo OT mi sono pentito di aver difeso i cinesi in uno scambio di opinioni con boiler. Boiler hai ragione! Nel mio alimentatore ci sono due sezioni identiche Logica vorrebbe uno stampato simmetrico invece no i componenti sembrano piazzati a caso senza un senso logico Le resistenze sono montate con un reoforo cortissimo e l'alro lunghissimo probabilmente le montano in piedi e poi le piegano. Cavi cortissimi fascettati tra loro...e compagnia cantando)
Comunque tornando al problema
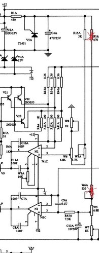
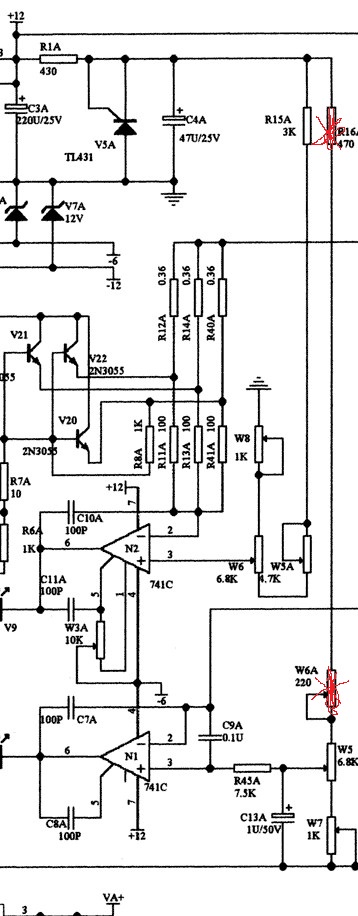
La resistenza bruciata è R15 o R16 in verticale in alto al centro delllo schema collegate la riferiemento. Io penso sia R16 ma non ho ancora la cartezza i valori del mio circuito sono diversi.
Per ora si ferma tutto mi conviene aspettare i transistor da sostituire in modo da far funzionare le due sezioni contemporaneamente così posso confrontare le misure Torno sicuramente a chiedere aiuto...
Da quel poco che ho capito lo schema nel mio caso è sparpagliato su due diversi stampati
(Piccolo OT mi sono pentito di aver difeso i cinesi in uno scambio di opinioni con boiler. Boiler hai ragione! Nel mio alimentatore ci sono due sezioni identiche Logica vorrebbe uno stampato simmetrico invece no i componenti sembrano piazzati a caso senza un senso logico Le resistenze sono montate con un reoforo cortissimo e l'alro lunghissimo probabilmente le montano in piedi e poi le piegano. Cavi cortissimi fascettati tra loro...e compagnia cantando)
Comunque tornando al problema
La resistenza bruciata è R15 o R16 in verticale in alto al centro delllo schema collegate la riferiemento. Io penso sia R16 ma non ho ancora la cartezza i valori del mio circuito sono diversi.
Per ora si ferma tutto mi conviene aspettare i transistor da sostituire in modo da far funzionare le due sezioni contemporaneamente così posso confrontare le misure Torno sicuramente a chiedere aiuto...
-

luxinterior
4.311 3 4 9 - Master EY

- Messaggi: 2690
- Iscritto il: 6 gen 2016, 17:48
1
voti
Effettivamente lo schema elettrico in rete non c'è, però ho visto che l'alimentatore è prodotto dalla Dongguan Longwei Electronic Tecnology Co. Ltd. (molto probabilmente, per il mercato occidentale, hanno pensato di rimarcarlo Techstart perché è un nome più consono ai nostri standard invece di mantenere il nome dell'Azienda produttrice).
Visto che tentar non nuoce e che le email sono "aggratis"
, potresti provare a fare richiesta dello schema direttamente a loro, male che vada ti risponderanno picche e allora toccherà procedere ad un reverse engineering per ricavarne lo schema.
Max
Visto che tentar non nuoce e che le email sono "aggratis"
MaxDisapprovo quello che dite, ma difenderò fino alla morte il vostro diritto di dirlo [attribuita a Voltaire]
La gentilezza dovrebbe diventare lo stile naturale della vita, non l'eccezione [Siddhārtha Gautama]
La gentilezza dovrebbe diventare lo stile naturale della vita, non l'eccezione [Siddhārtha Gautama]
-

Max2433BO
18,6k 4 11 13 - G.Master EY

- Messaggi: 4724
- Iscritto il: 25 set 2013, 16:29
- Località: Universo - Via Lattea - Sistema Solare - Terzo pianeta...
0
voti
Prova a guardare questo thread su un alimentatore "uguale" al tuo.
viewtopic.php?f=1&t=65956
I punti "deboli" di questo tipo di alimentatori sono 2:
1) la commutazione a rele' della tensione in ingresso.
2) la limitazione di corrente "lenta"
Nel post [3] del thread citato c'e' la soluzione per entrambi i problemi.
Negli schemi Fidocad c'e' lo schema di principio di una commutazione della tensione in ingresso al regolatore implementata con i transistor invece che con i rele'.
Questa soluzione e'(ra) la soluzione standard in tutti gli alimentatori da laboratorio di classe "pro" con potenze di uscita fino a pochissime centinaia di watt fino agli anni '90.
Nella foto dello stesso post c'e' il reverse engineering di un alimentatore di produzione italiana che implementa tale soluzione.
Nel reverse engineering c'e' anche la soluzione del secondo problema: e' il BC550 (e componenti annessi) all'estrema dx dello schema.
La spiegazione del funzionamento e' nel "circolo blu" del post [2] di questo thread.
https://electroyou.it/forum/viewtopic.p ... 5a#p920047
viewtopic.php?f=1&t=65956
I punti "deboli" di questo tipo di alimentatori sono 2:
1) la commutazione a rele' della tensione in ingresso.
2) la limitazione di corrente "lenta"
Nel post [3] del thread citato c'e' la soluzione per entrambi i problemi.
Negli schemi Fidocad c'e' lo schema di principio di una commutazione della tensione in ingresso al regolatore implementata con i transistor invece che con i rele'.
Questa soluzione e'(ra) la soluzione standard in tutti gli alimentatori da laboratorio di classe "pro" con potenze di uscita fino a pochissime centinaia di watt fino agli anni '90.
Nella foto dello stesso post c'e' il reverse engineering di un alimentatore di produzione italiana che implementa tale soluzione.
Nel reverse engineering c'e' anche la soluzione del secondo problema: e' il BC550 (e componenti annessi) all'estrema dx dello schema.
La spiegazione del funzionamento e' nel "circolo blu" del post [2] di questo thread.
https://electroyou.it/forum/viewtopic.p ... 5a#p920047
1
voti
Ok prima certezza se Max2433BO non trova allora è inutile cercare
Seguirò il tuo consiglio Max ho manenuto e mantengo una figlia che studia cinese da anni è ora di mettere a frutto l'investimento vedrò di farmi tradurre una richiesta così forse i cinesi la leggono. Probabilmente non mi daranno lo schema ma speriamo in qualche dritta per riparare.
Anche a elfo grazie tantissime per le informazioni e gli spunti che ho iniziato a leggere.
In realtà non ho molto tempo da dedicare alla cosa mi interesserebbe rimetterlo in piedi chiuderlo e pace.
Lo schema postato da Chris1414 in [3] è abbastanza simile almeno la parte con i due operazionali a sinistra
la parte a destra non so ma ho visto che anche io ho un LM324
Seguirò il tuo consiglio Max ho manenuto e mantengo una figlia che studia cinese da anni è ora di mettere a frutto l'investimento vedrò di farmi tradurre una richiesta così forse i cinesi la leggono. Probabilmente non mi daranno lo schema ma speriamo in qualche dritta per riparare.
Anche a elfo grazie tantissime per le informazioni e gli spunti che ho iniziato a leggere.
In realtà non ho molto tempo da dedicare alla cosa mi interesserebbe rimetterlo in piedi chiuderlo e pace.
Lo schema postato da Chris1414 in [3] è abbastanza simile almeno la parte con i due operazionali a sinistra
la parte a destra non so ma ho visto che anche io ho un LM324
-

luxinterior
4.311 3 4 9 - Master EY

- Messaggi: 2690
- Iscritto il: 6 gen 2016, 17:48
1
voti
Oggi ho sostituito i transistor (uno era in corto netto l'altro no ma ho sostituito entrambi)
Messa la resistenza del valore corretto e...non funziona la tensione sale fino a 7V circa e i relè di commutaizone dei secondari non si muovono. Provando l'altro canale ho visto che più o meno a 7V c'è il primo "click" dei relè.
Ho cominciato a misurare sui pin dell'operazionale poi ho visto quello che averi dovuto vedere subito...La grossa carie...
Spostato il potenziometro dall'altro canale adesso regola in tensione devo provare corrente ma aspetto di aver sistemato tutto
Con riferimento allo schema [3] ho segnato in rosso i "cadaveri" identificati devo cercare dove hanno messo il terzo trimmer e verificare se funziona ma credo di sì visto che ai morsetti la tensione è corretta
speriamo bene e di poter richiudere il paziente a breve
Messa la resistenza del valore corretto e...non funziona la tensione sale fino a 7V circa e i relè di commutaizone dei secondari non si muovono. Provando l'altro canale ho visto che più o meno a 7V c'è il primo "click" dei relè.
Ho cominciato a misurare sui pin dell'operazionale poi ho visto quello che averi dovuto vedere subito...La grossa carie...
Spostato il potenziometro dall'altro canale adesso regola in tensione devo provare corrente ma aspetto di aver sistemato tutto
Con riferimento allo schema [3] ho segnato in rosso i "cadaveri" identificati devo cercare dove hanno messo il terzo trimmer e verificare se funziona ma credo di sì visto che ai morsetti la tensione è corretta
speriamo bene e di poter richiudere il paziente a breve
-

luxinterior
4.311 3 4 9 - Master EY

- Messaggi: 2690
- Iscritto il: 6 gen 2016, 17:48
8 messaggi
• Pagina 1 di 1
Chi c’è in linea
Visitano il forum: Nessuno e 35 ospiti

Elettrotecnica e non solo (admin)
Un gatto tra gli elettroni (IsidoroKZ)
Esperienza e simulazioni (g.schgor)
Moleskine di un idraulico (RenzoDF)
Il Blog di ElectroYou (webmaster)
Idee microcontrollate (TardoFreak)
PICcoli grandi PICMicro (Paolino)
Il blog elettrico di carloc (carloc)
DirtEYblooog (dirtydeeds)
Di tutto... un po' (jordan20)
AK47 (lillo)
Esperienze elettroniche (marco438)
Telecomunicazioni musicali (clavicordo)
Automazione ed Elettronica (gustavo)
Direttive per la sicurezza (ErnestoCappelletti)
EYnfo dall'Alaska (mir)
Apriamo il quadro! (attilio)
H7-25 (asdf)
Passione Elettrica (massimob)
Elettroni a spasso (guidob)
Bloguerra (guerra)



