
UPS per Spi esterno
Moderatori:
sebago,
mario_maggi
19 messaggi
• Pagina 1 di 2 • 1, 2
0
voti
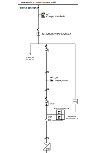
Buona sera a tutti, nel caso di Spi esterno per la Cei 0-21 è richiesto un UPS per alimentarlo quando manca la tensione in rete. Tale UPS deve essere collegato alla linea di casa per funzionare: è coretto lo schema unifilare che allego per mostrarne il funzionamento e collegamento elettrico? Resto in attesa di vostri pareri 

0
voti
Sarebbe meglio collegare l'UPS a monte di M2, ma protetta dal MT, oppure prevedere dei fusibili per essa (a me piace di più la prima soluzione perché in caso di guasto l'impianto si ferma e non rimane senza UPS, ma dipende dalle potenze i gioco).
0
voti
GioArca67 ha scritto:Al messaggio precedente ho scritto una imprecisione.
Se l'UPS si guasta chiaramente l'SPI si spegne e apre il DDI.
Perché non la alimenti con un fusibile da sopra al DDG?
L'alimentazione dell'UPS è possibile farla in uscita dall'inveter (precisamente a monte del DDG) e non per forza dal quadro di casa come indicato nello schema per i seguenti due motivi:
1) è necessario soltanto, indipendentemente da dove avviene il suo collegamento, avere in ingresso al dispositivo una tensione di 230 V e
2) collegando l'UPS post inverter la sua alimentazione avverrà solo quando il fotovoltaico è in funzione e si ha produzione di energia solare e ciò va bene per quella che è la funzione di backup propria dell'UPS.
Ragionamento corretto?
0
voti
Sinceramente non ti seguo completamente.
Posto che è tutto in parallelo e che quindi qualsiasi punto dell'impianto è alimentato sia dalla rete sia dall' inverter FV, che senso ha dire "la sua alimentazione avverrà solo quando il fotovoltaico è in funzione e si ha produzione di energia solare e ciò va bene per quella che è la funzione di backup propria dell'UPS"?
Io preferisco che venga alimentato più a monte in modo che se il DDG o il DDI sono aperti l'UPS venga alimentata e non rimane con la batteria scarica.
Posto che è tutto in parallelo e che quindi qualsiasi punto dell'impianto è alimentato sia dalla rete sia dall' inverter FV, che senso ha dire "la sua alimentazione avverrà solo quando il fotovoltaico è in funzione e si ha produzione di energia solare e ciò va bene per quella che è la funzione di backup propria dell'UPS"?
Io preferisco che venga alimentato più a monte in modo che se il DDG o il DDI sono aperti l'UPS venga alimentata e non rimane con la batteria scarica.
0
voti
GioArca67 ha scritto:Sinceramente non ti seguo completamente.
Posto che è tutto in parallelo e che quindi qualsiasi punto dell'impianto è alimentato sia dalla rete sia dall' inverter FV, che senso ha dire "la sua alimentazione avverrà solo quando il fotovoltaico è in funzione e si ha produzione di energia solare e ciò va bene per quella che è la funzione di backup propria dell'UPS"?
Io preferisco che venga alimentato più a monte in modo che se il DDG o il DDI sono aperti l'UPS venga alimentata e non rimane con la batteria scarica.
Si in effetti mi sono confuso e spiegato male.
Tu consigli di alimentare l'UPS subito dopo l'uscita dell'inverter sia perché se DDG e DDI sono aperti, il dispositivo viene alimentato comunque sia perché anche se l'impianto ftv non è in produzione (quindi non si ha corrente in uscita dall'inverter) si ha sempre tensione e quindi l'UPS riceverà la corrente necessaria al suo funzionamento dalla rete. Corretto?
1
voti
?quindi l'UPS riceverà la corrente necessaria al suo funzionamento dalla rete. Corretto
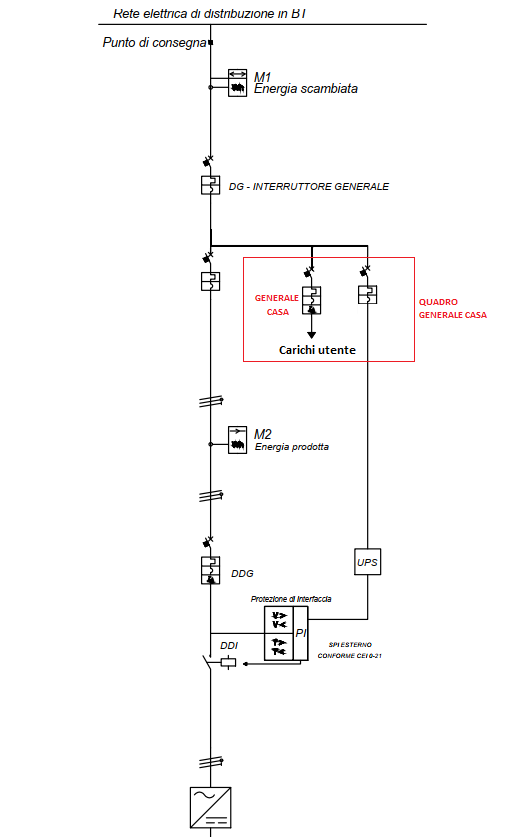
Se l'alimentazione dell'UPS è derivata a valle del DDI e del DDG, per esclusione l'alimentazione dell'UPS può essere fornita solo dall'inverter (o dalle batterie del sistema di accumulo)
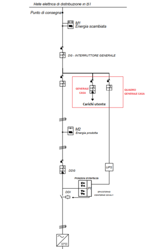
Di solito l'UPS e quindi di riflesso anche il relè della PI lo alimento lato rete, a monte del DDI
Ognuno sta solo sul cuor della terra
trafitto da un raggio di sole:
ed è subito sera
Salvatore Quasimodo
trafitto da un raggio di sole:
ed è subito sera
Salvatore Quasimodo
19 messaggi
• Pagina 1 di 2 • 1, 2
Torna a Energia e qualità dell'energia
Chi c’è in linea
Visitano il forum: Nessuno e 10 ospiti

Elettrotecnica e non solo (admin)
Un gatto tra gli elettroni (IsidoroKZ)
Esperienza e simulazioni (g.schgor)
Moleskine di un idraulico (RenzoDF)
Il Blog di ElectroYou (webmaster)
Idee microcontrollate (TardoFreak)
PICcoli grandi PICMicro (Paolino)
Il blog elettrico di carloc (carloc)
DirtEYblooog (dirtydeeds)
Di tutto... un po' (jordan20)
AK47 (lillo)
Esperienze elettroniche (marco438)
Telecomunicazioni musicali (clavicordo)
Automazione ed Elettronica (gustavo)
Direttive per la sicurezza (ErnestoCappelletti)
EYnfo dall'Alaska (mir)
Apriamo il quadro! (attilio)
H7-25 (asdf)
Passione Elettrica (massimob)
Elettroni a spasso (guidob)
Bloguerra (guerra)



