Buongiorno,
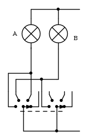
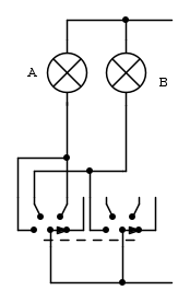
avrei bisogno del vostro aiuto per capire se i commutatori (2 poli 4 posizioni??) che allego possono fare al caso mio.
in pratica vorrei utilizzare uno di questi per creare i seguenti scenari di accensione lampadine:
0: nessuna lampadina accesa
1: Lampadina A accesa (B spenta)
2: lampadina B accesa (A spenta)
3: A + B accese
Se corretto, come dovrei cablarle?
Grazie anticipatamente per il vs prezioso aiuto.
Cosmo
Dubbio su commutatore rotativo
Moderatori:
g.schgor,
IsidoroKZ
13 messaggi
• Pagina 1 di 2 • 1, 2
0
voti
Grazie Edgar,
è corretto quindi fare riferimento al commutatore 2 poli 4 posizioni?
Posso chiederti una rappresentazione più schematica, per me principiante e ignorante in materia?
Grazie
Cosmo
è corretto quindi fare riferimento al commutatore 2 poli 4 posizioni?
Posso chiederti una rappresentazione più schematica, per me principiante e ignorante in materia?
Grazie
Cosmo
0
voti
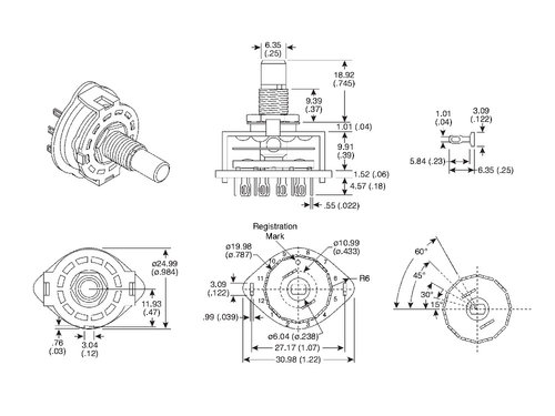
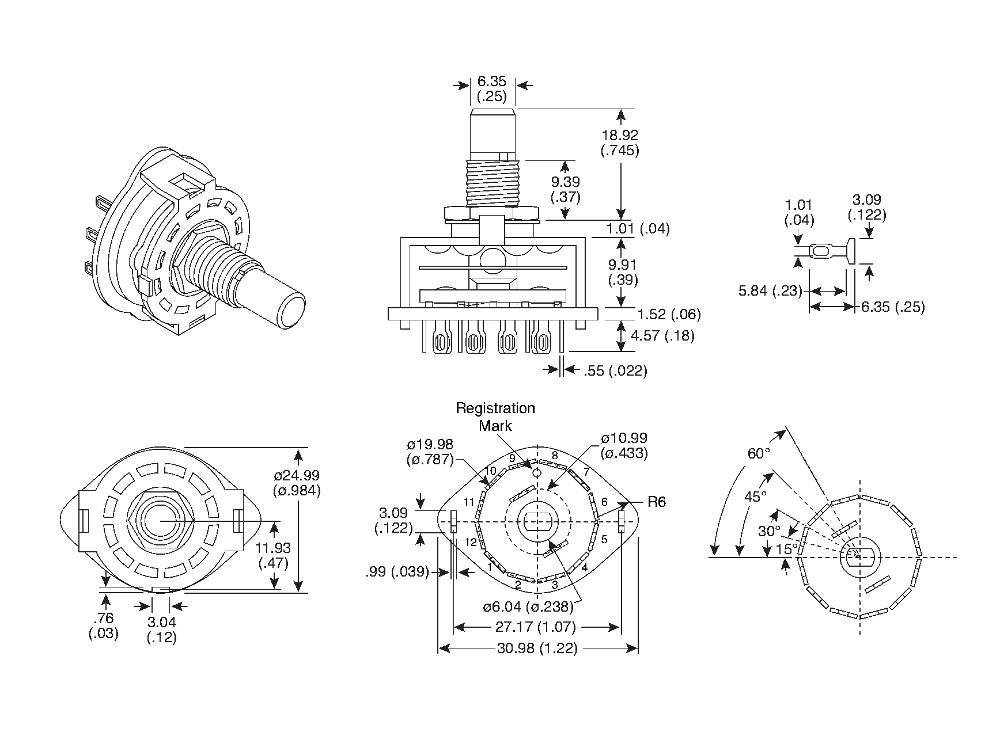
Non si trovano spesso. E' facile trovare commutatori rotativi a 2 vie 12 posizioni.
Essi possono essere ridotte di vie semplicemente e ovviamente,non usandone una ma possono anche essere ridotti di posizione spostando una biglia di ferro nel perno...invece di arrivare a 12 scatti si blocca magari a 3 o 4 scatti.
Essi possono essere ridotte di vie semplicemente e ovviamente,non usandone una ma possono anche essere ridotti di posizione spostando una biglia di ferro nel perno...invece di arrivare a 12 scatti si blocca magari a 3 o 4 scatti.
1
voti
Di quella serie c'erano ad 1 via 12 posizioni (un polo centrale), i 2 vie 6 posizioni (2 pin centrali), ed i 3 vie 4 posizioni (con 3 pin centrali, come quello in foto)
Quasi tutti potevano essere "ridotti" come posizioni tramite una rondella con un'aletta piegata, posta di solito sotto la rondella del dado, in corrispondenza del filetto, che si poteva rimuovere e spostare (l'aletta piegata entrava in uno dei fori che circondavano il filetto, facendo da fermo mobile per cambiare il numero di posizioni)
E' quella color argento che si intravvede sotto alla ranella dentata nera in questa immagine
Quasi tutti potevano essere "ridotti" come posizioni tramite una rondella con un'aletta piegata, posta di solito sotto la rondella del dado, in corrispondenza del filetto, che si poteva rimuovere e spostare (l'aletta piegata entrava in uno dei fori che circondavano il filetto, facendo da fermo mobile per cambiare il numero di posizioni)
E' quella color argento che si intravvede sotto alla ranella dentata nera in questa immagine
"Sopravvivere" e' attualmente l'unico lusso che la maggior parte dei Cittadini italiani,
sia pure a costo di enormi sacrifici, riesce ancora a permettersi.
sia pure a costo di enormi sacrifici, riesce ancora a permettersi.
-

Etemenanki
9.517 3 6 10 - Master

- Messaggi: 5940
- Iscritto il: 2 apr 2021, 23:42
- Località: Dalle parti di un grande lago ... :)
0
voti
Se le lampade sono a 230 V, io userei un relè commutatore passo-passo comandato da un semplice pulsante, ad esempio il Finder 27.05 se non sbaglio fa proprio la sequenza da te indicata.
0
voti
Del commutatore rappresentato in foto nella [5] e [7], ne ho usati per comandare motori a gabbia, a 220Vac da un centinaio di watt, senza filtri elettrici di alcun tipo, ne abbiamo venduti molte migliaia di pezzi senza apprezzabili problemi dei contatti.
Saluti.
Saluti.
-

lelerelele
4.899 3 7 9 - Master

- Messaggi: 5505
- Iscritto il: 8 giu 2011, 8:57
- Località: Reggio Emilia
13 messaggi
• Pagina 1 di 2 • 1, 2
Torna a Elettrotecnica generale
Chi c’è in linea
Visitano il forum: Nessuno e 160 ospiti

Elettrotecnica e non solo (admin)
Un gatto tra gli elettroni (IsidoroKZ)
Esperienza e simulazioni (g.schgor)
Moleskine di un idraulico (RenzoDF)
Il Blog di ElectroYou (webmaster)
Idee microcontrollate (TardoFreak)
PICcoli grandi PICMicro (Paolino)
Il blog elettrico di carloc (carloc)
DirtEYblooog (dirtydeeds)
Di tutto... un po' (jordan20)
AK47 (lillo)
Esperienze elettroniche (marco438)
Telecomunicazioni musicali (clavicordo)
Automazione ed Elettronica (gustavo)
Direttive per la sicurezza (ErnestoCappelletti)
EYnfo dall'Alaska (mir)
Apriamo il quadro! (attilio)
H7-25 (asdf)
Passione Elettrica (massimob)
Elettroni a spasso (guidob)
Bloguerra (guerra)






