Cos'è ElectroYou | Login Iscriviti

ElectroYou - la comunità dei professionisti del mondo elettrico

Led Driver [DIP]

Elettronica lineare e digitale: didattica ed applicazioni

Moderatori: Foto Utentecarloc, Foto Utenteg.schgor, Foto UtenteBrunoValente, Foto UtenteIsidoroKZ

0
voti

[1] Led Driver [DIP]

Messaggioda Foto UtenteThEnGi » 27 apr 2023, 14:31

Ho necessità di accendere 3 led da 1W e poterne regolare la luminosità, avendo a disposizione solo 5V@2A bisogna lavorare con quelli. Non è un problema che ogni led abbia il suo circuito di pilotaggio
Facendo alcune prove con un alimentatore da banco la corrente ideale è circa 100mA ma per il prototipo preferisco sia regolabile
Essendo un prototipo devo assemblare tutto su millefori (proof): Cercavo qualche integrato che facesse tutto lui al max con una resistenza di Iset.
Si trova di tutto SMD ma THT ho trovato praticamente niente !

Caratteristiche:
Semplice, meno componenti ha meglio è a scapito dell'efficenza
THT
Tensione di alimentazione 5V
Led Bianco 1W (350mA@3V circa)
Corrente regolabile 100-300 mA

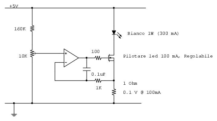
Nel mentre ho recuperato "dall'internet" questo schema che però mi da l'impressione che sia un ottimo oscillatore :mrgreen:
Non andrebbe inserito qualche condensatore per limitare la velocità di risposta ?(OP-AMP > Mosfet)



O_/
Avatar utente
Foto UtenteThEnGi
2.230 3 6 9
Expert EY
Expert EY
 
Messaggi: 2228
Iscritto il: 6 ott 2022, 18:43

1
voti

[2] Re: Led Driver [DIP]

Messaggioda Foto Utenteboiler » 27 apr 2023, 15:16

Hai considerato la possibilità di comprare un modulo e montarlo sul tuo prototipo, in modo da non dover saldare SMD, ma di avere a disposizione i moderni componenti in questo formato?
Io ho usato spesso questo e mi ci trovo bene: https://www.sparkfun.com/products/13716

Se non ti spaventa saldare due fili ad un diodo SMD, ci sono current limiting diodes che puoi semplicemente mettere in serie al tuo LED. La corrente la cambi sostituendo il diodo.

Se vuoi continuare per la via che indichi, puoi eliminare il FET usando un op-amp che riesca a fornire sufficiente corrente, come per esempio il TLV4110.

Se devi per forza usare il FET, devi aggiungere una compensazione, come hai intuito:


Comincia spannometricamente dalle parti di 100nF - 1uF per il condensatore e 1k/10k per i resistori (sinistro/destro), poi aggiusta in base al comportamento del circuito.

Boiler
Avatar utente
Foto Utenteboiler
26,4k 5 9 13
G.Master EY
G.Master EY
 
Messaggi: 5599
Iscritto il: 9 nov 2011, 12:27

0
voti

[3] Re: Led Driver [DIP]

Messaggioda Foto Utentestefanopc » 27 apr 2023, 15:34

Volendo ci sono i "soppalchi" per adattare su dip gli SMD.
https://m.it.aliexpress.com/item/328866 ... c2itaMsite
Ciao
600 Elettra
Avatar utente
Foto Utentestefanopc
13,3k 5 9 13
Master EY
Master EY
 
Messaggi: 5565
Iscritto il: 4 ago 2020, 9:11

0
voti

[4] Re: Led Driver [DIP]

Messaggioda Foto UtenteThEnGi » 27 apr 2023, 17:15

boiler ha scritto:1) Hai considerato la possibilità di comprare un modulo e montarlo sul tuo prototipo.
2)Current limiting diodes che puoi semplicemente mettere in serie al tuo LED.
3)Se devi per forza usare il FET, devi aggiungere una compensazione, come hai intuito:
Comincia spannometricamente dalle parti di 100nF - 1uF per il condensatore e 1k/10k per i resistori (sinistro/destro), poi aggiusta in base al comportamento del circuito.

1)Si ma occupano tutti un sacco di spazio e spesso sono per tensioni superiori
2)Riesci a propormi qualche shop (es. RS) trovo veramente poca scelta. Che poi è un mosfet e una resistenza giusto ?
3)Cosa intendi in base al comportamento ? cosa mi devo aspettare

stefanopc ha scritto:Volendo ci sono i "soppalchi" per adattare su dip gli SMD.


Se non fosse per i tempi bibblici dalla cina e che senza scontrino non ho rimborso potrebbero essere una scelta valida. Qualche distributore grosso italiano ?

O_/
Avatar utente
Foto UtenteThEnGi
2.230 3 6 9
Expert EY
Expert EY
 
Messaggi: 2228
Iscritto il: 6 ott 2022, 18:43

0
voti

[5] Re: Led Driver [DIP]

Messaggioda Foto Utenteboiler » 27 apr 2023, 17:38

ThEnGi ha scritto:1)Si ma occupano tutti un sacco di spazio e spesso sono per tensioni superiori

Hai guardato quello che ho linkato? Funziona a 5 V e il tuo circuitino non riesci a farlo stare in meno spazio nemmeno a pregare in aramaico.

2)Riesci a propormi qualche shop (es. RS) trovo veramente poca scelta. Che poi è un mosfet e una resistenza giusto ?

Sì non sono molto diffusi. Non so come siano realizzati internamente.

3)Cosa intendi in base al comportamento ? cosa mi devo aspettare

Se il circuito oscilla, aumenti la costante di tempo RC, se reagisce in modo troppo lento (non credo) la riduci.

Se non fosse per i tempi bibblici dalla cina e che senza scontrino non ho rimborso potrebbero essere una scelta valida. Qualche distributore grosso italiano ?

Non conosco distributori che spediscano dall'Italia, ma i soliti sospetti ce li hanno sicuramente: DigiKey, Farnell, Mouser, RS,...

Boiler
Avatar utente
Foto Utenteboiler
26,4k 5 9 13
G.Master EY
G.Master EY
 
Messaggi: 5599
Iscritto il: 9 nov 2011, 12:27

0
voti

[6] Re: Led Driver [DIP]

Messaggioda Foto UtenteThEnGi » 27 apr 2023, 18:03

boiler ha scritto:1)Hai guardato quello che ho linkato? Funziona a 5 V e il tuo circuitino non riesci a farlo stare in meno spazio nemmeno a pregare in aramaico.

2)Se il circuito oscilla, aumenti la costante di tempo RC, se reagisce in modo troppo lento (non credo) la riduci


1) Ni ho aperto la foto da telefono e ho avuto l'impressione che 3/4 era board vuota, poi ci guardo bene.... 9 € non sono pochi comunque.

2)Io che mi immaginavo qualche strano effetto :mrgreen: Per le miè necessità probabilmente anche una "RC" di 1S va bene :mrgreen: , anzi qualsiasi cosa è meglio che farlo funzionare ad anello aperto !
Per curiosità come mai il condensatore tra gli ingressi e non tra l'ingresso (invertente) e l'uscita.

Stasera vado alla ricerca degli adattatori SMD to THT almeno ho tanta scelta !

O_/
Avatar utente
Foto UtenteThEnGi
2.230 3 6 9
Expert EY
Expert EY
 
Messaggi: 2228
Iscritto il: 6 ott 2022, 18:43

0
voti

[7] Re: Led Driver [DIP]

Messaggioda Foto Utenteboiler » 27 apr 2023, 18:50

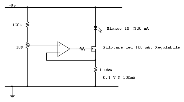
Perché la retroazione non la prendi dall'uscita, ma dallo shunt. E se lo mettessi tra lo shunt e l'ingresso otterresti l'effetto contrario a quello che vuoi.

Boiler
Avatar utente
Foto Utenteboiler
26,4k 5 9 13
G.Master EY
G.Master EY
 
Messaggi: 5599
Iscritto il: 9 nov 2011, 12:27

0
voti

[8] Re: Led Driver [DIP]

Messaggioda Foto UtenteThEnGi » 27 apr 2023, 18:58

Cosi non dovrebbe funzionare allo stesso modo ?
Avatar utente
Foto UtenteThEnGi
2.230 3 6 9
Expert EY
Expert EY
 
Messaggi: 2228
Iscritto il: 6 ott 2022, 18:43

0
voti

[9] Re: Led Driver [DIP]

Messaggioda Foto Utentestefanopc » 27 apr 2023, 20:36

Così a naso metterei anche una resistenza in serie al condensatore.
Potresti anche valutare il pilotaggio in PWM che viene adottato spesso per variare la luminosità dei led di potenza.
Ad esempio se al posto dell'operazionale ci metti un 555 ecc.
Per curiosità ho cercato in rete.
Ad esempio BCR602 potrebbe essere qualcosa di abbastanza adatto.

Ciao
600 Elettra
Avatar utente
Foto Utentestefanopc
13,3k 5 9 13
Master EY
Master EY
 
Messaggi: 5565
Iscritto il: 4 ago 2020, 9:11

0
voti

[10] Re: Led Driver [DIP]

Messaggioda Foto Utenteboiler » 27 apr 2023, 21:16

ThEnGi ha scritto:Cosi non dovrebbe funzionare allo stesso modo ?

Direi di no, ma non sono sicuramente il piú qualificato qui per parlare di stabilità ;-)

Boiler
Avatar utente
Foto Utenteboiler
26,4k 5 9 13
G.Master EY
G.Master EY
 
Messaggi: 5599
Iscritto il: 9 nov 2011, 12:27

Prossimo

Torna a Elettronica generale

Chi c’è in linea

Visitano il forum: Google Adsense [Bot] e 50 ospiti