Cos'è ElectroYou | Login Iscriviti

ElectroYou - la comunità dei professionisti del mondo elettrico

Aprire un amplificatore e capire più o meno che logica ha

Elettronica lineare e digitale: didattica ed applicazioni

Moderatori: Foto Utentecarloc, Foto Utenteg.schgor, Foto UtenteBrunoValente, Foto UtenteIsidoroKZ

0
voti

[1] Aprire un amplificatore e capire più o meno che logica ha

Messaggioda Foto Utentekonig87 » 20 ott 2023, 21:03

ciao a tutti,
ho un amplificatore audio con 2 uscite a 8ohm, una denominata A e l altra B. Ognuna di queste ha 4 morsetti visto che è stereofonica (2 per L e 2 per R). In totale ho quindi 8 morsetti, 4 per la linea A e 4 per la linea B. Sul frontale ho i pulsanti per far suonare o il ramo A o quello B. Funzionicchia, o comunque non è questo il punto.
Aprendolo, mi ritrovo 2 circuiti di potenza ognuno dei quali ha 2 finali belli grossi. Penso siano 2 indipendenti perché si trovano su delle schede estraibili dalla scheda madre dell' amplificatore. Su ognuna di queste schede ci sono 2 darlington, 1 B1647 e 1 D2560. sono i "finali di potenza".
Vorrei sapere secondo voi, una scheda estraibile rappresenta l uscita A e l altra l uiscita B oppure una scheda è per i canali Left e una per i Right? come mai ci sono 2 darlington diversi su ogni scheda? forse uno risponde meglio alle basse freq e l altro alle alte?
Queste domande nascono per 2 motivi
-> vorrei capirne di più
-> visto che i 2 finali di 1 scheda sono guasti in passato un tecnico ha estratto totalmente la scheda, e adesso suona solo il ramo B e in modo monofonico quindi vorrei capire se anche 1 dei finali della restante scheda sia bruciato o no

NOTA: per non sbagliare potrei acquistare tutti e 4 i finali nuovi (2 B1647 e 2 D2560) ma vorrei capire di più su come è costruito, tutto qua.
Grazie a tutti :cool:
Avatar utente
Foto Utentekonig87
70 1 2 6
Frequentatore
Frequentatore
 
Messaggi: 283
Iscritto il: 21 lug 2008, 19:51

1
voti

[2] Re: Aprire un amplificatore e capire più o meno che logica h

Messaggioda Foto UtenteSediciAmpere » 20 ott 2023, 21:37

Intanto, secondo me un amplificatore a componenti discreti conviene ripararlo, avrai un oggetto di ottima qualità, affidabile, potente , riparabile se si dovesse guastare nuovamente, inoltre a giudicare dai transistor utilizzati dovrebbe essere di produzione giapponese: ulteriore conferma dell'ottima qualità del prodotto

I due stadi finali sono per i canali LEFT e RIGHT, le uscite A e B vengono semplicemente connesse alle uscite degli stadi finali da interruttori meccanici, non ci sono stadi dedicati.
I transistor finali sono diversi perché sono uno NPN, che gestisce le semionde positive, e uno PNP , che gestisce le semionde negative. Cerca in rete il funzionamento di uno stadio di potenza in "classe AB".
Se ti va di scrivere marca e modello , provo cercare lo schema.

Buono studio, mi fa sempre piacere trovare qualcuno appassionato di elettronica analogica di hi-fi e di mantenere in vita i bellissimi oggetti prodotti negli anni '70-'80
Avatar utente
Foto UtenteSediciAmpere
4.187 5 5 8
Master
Master
 
Messaggi: 4847
Iscritto il: 31 ott 2013, 15:00

0
voti

[3] Re: Aprire un amplificatore e capire più o meno che logica h

Messaggioda Foto Utentekonig87 » 20 ott 2023, 21:59

grazie mille, molto esaustivo.
però se "I due stadi finali sono per i canali LEFT e RIGHT" come mai mi funziona SOLO il Right del canale B e non anche il Right del canale A? forse è bruciato anche un Relè interno?
Voglio dire: se una delle due schede funziona (l' altra no, tant è che è stata estratta fisicamente dalla scheda madre) significa che funziona 1 canale, il Right. però mi suona solo in B e non in A. a questo punto temo sia bruciato anche il relè che sento quando schiaccio il tasto A e B ? sento un mare di CLICK CLICK CLICK. potrebbe essere andato anche il relè.
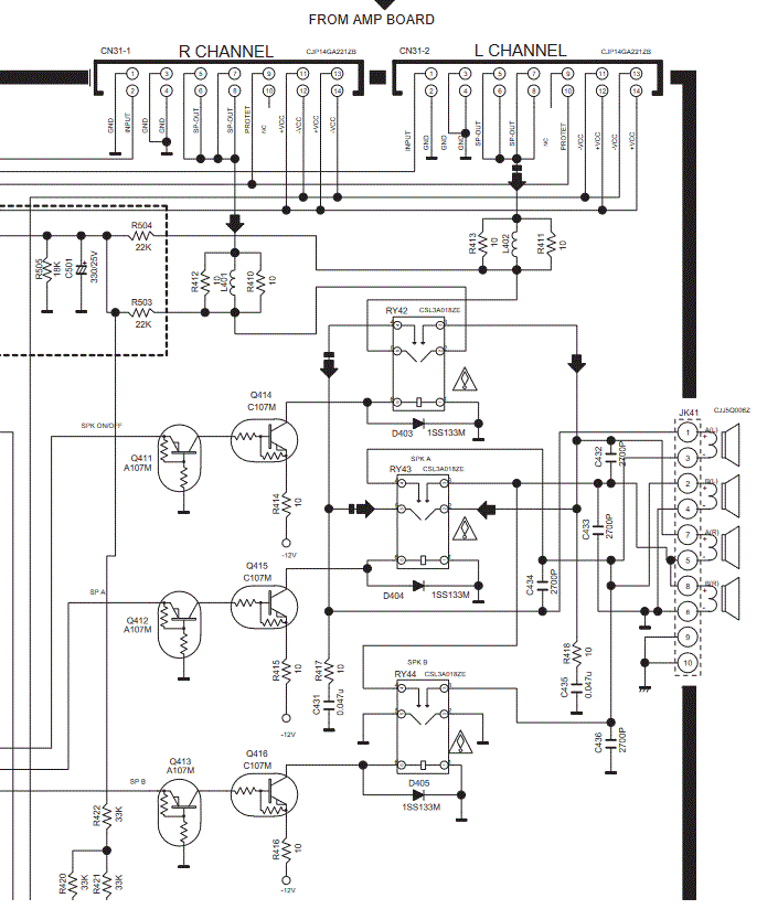
Il prodotto è TEAC AG-790E, sulla scheda madre vedo 3 rele (perché 3? in teoria non deve staccare uno e attaccare un altro? io pensavo o 2 o 4...) e al momento, ripeto, funziona solo il Right del gruppo B.

Ho preso la scheda guasta, ho dissaldato i finali, ecco le letture a vuoto (sul banco di lavoro,scollegati) dei Darlington:

MISURE ELETTRONICHE
col tester in configurazione DIODO

D2560 --- B1647
BC = suona 000 --- BC = OL
BE = suona 000 --- BE = OL
CB = suona 000 --- CB = 541
CE = suona 000 --- CE = suona 000
EB = suona 000 --- EB = 541
EC = suona 000 --- EC = suona 000




MISURE ELETTRONICHE
col tester in RESISTENZA (FONDO SCALA 200OHM)

D2560 --- B1647
BC = 00.3 OHM --- BC = OL FINO A 20 MOHM
BE = 00.3 OHM --- BE = OL FINO A 20 MOHM
CB = 00.3 OHM --- CB = 65.4 kohm
CE = 00.0 OHM (MASSA TOTALE) --- CE = 00.0 OHM (MASSA TOTALE)
EB = 00.3 OHM --- EB = 9.63 kohm
EC = 00.0 OHM (MASSA TOTALE) --- EC = 00.0 OHM (MASSA TOTALE)
Allegati
teac.jpg
Avatar utente
Foto Utentekonig87
70 1 2 6
Frequentatore
Frequentatore
 
Messaggi: 283
Iscritto il: 21 lug 2008, 19:51

0
voti

[4] Re: Aprire un amplificatore e capire più o meno che logica h

Messaggioda Foto UtenteSediciAmpere » 21 ott 2023, 0:54

in configurazione A+B mette le casse in serie,probabilmente questo amplificatore ha problemi a lavorare su 4 Ohm

Senza titolo.gif
Avatar utente
Foto UtenteSediciAmpere
4.187 5 5 8
Master
Master
 
Messaggi: 4847
Iscritto il: 31 ott 2013, 15:00

0
voti

[5] Re: Aprire un amplificatore e capire più o meno che logica h

Messaggioda Foto Utentekonig87 » 21 ott 2023, 8:49

non ho parlato di A+B, ma solo di A o solo di B. mai usato in A+B. Se lo uso in B suona solo il Right, se uso A non suona nessuna uscita e se provo in A+B (solo prova, mai usato) non suona ugualmente. cambio tutti e 4 i finali (2+2) e amen?
Forse non suona in A perché sono andati i relè?
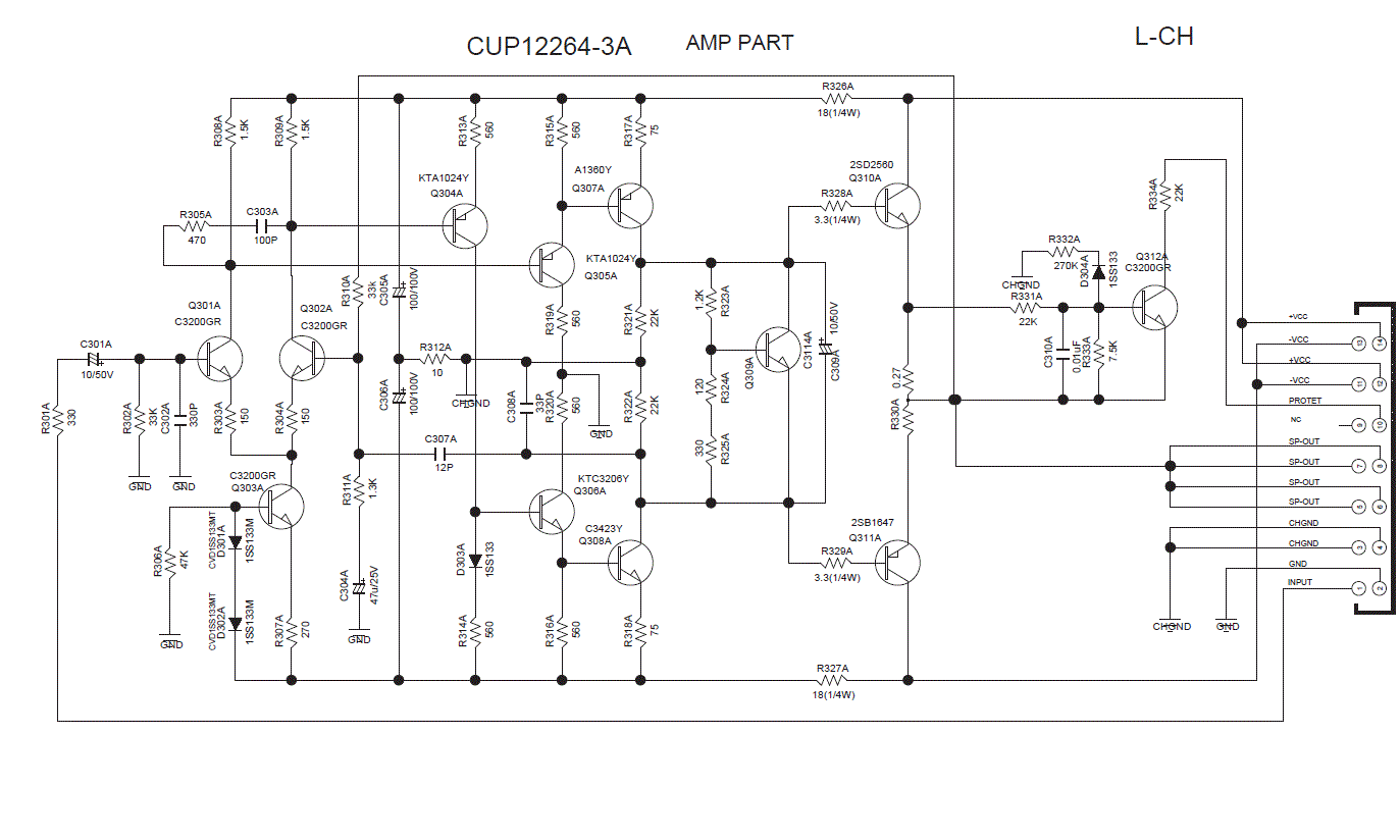
inoltre, sul dissipatore passivo di alluminio c è avvitato un piccolo BJT, codice KC3114A ho cercato il datasheet e non esiste, esiste solo il Ktc3114A , sostituisco anche quello per sicurezza? KC3114A è uguale a Ktc3114A ?
Avatar utente
Foto Utentekonig87
70 1 2 6
Frequentatore
Frequentatore
 
Messaggi: 283
Iscritto il: 21 lug 2008, 19:51

0
voti

[6] Re: Aprire un amplificatore e capire più o meno che logica h

Messaggioda Foto UtenteSediciAmpere » 21 ott 2023, 10:45

Sì, sostituisci tutti i finali, a giudicare dalle tue misure sembrano in corto, probabilmente è stato utilizzato con casse da 4 ohm
Senza titolo.gif
finale


il transistor KC3114A prova a cercare "2SC3114A", nelle sigle giapponesi dobbiamo sempre aggiungere "2S" all'inizio della sigla; comunque è il Q309A nello schema, non lo sostituire, quel transistor è improbabile che si sia guastato

Nello schma non vedo il trimmer per la taratura della corrente di riposo, confermi che sulle schede dei finali non è prsente alcun trimmer?
Avatar utente
Foto UtenteSediciAmpere
4.187 5 5 8
Master
Master
 
Messaggi: 4847
Iscritto il: 31 ott 2013, 15:00

0
voti

[7] Re: Aprire un amplificatore e capire più o meno che logica h

Messaggioda Foto UtenteSediciAmpere » 21 ott 2023, 10:46

konig87 ha scritto:Forse non suona in A perché sono andati i relè?

forse fanno contatto male
Avatar utente
Foto UtenteSediciAmpere
4.187 5 5 8
Master
Master
 
Messaggi: 4847
Iscritto il: 31 ott 2013, 15:00

0
voti

[8] Re: Aprire un amplificatore e capire più o meno che logica h

Messaggioda Foto Utentelelerelele » 21 ott 2023, 16:00

misure con il tester di 0 ohm sui transistor sembrano tutte in corto, la cosa strana sarebbe il fatto che fossero TUTTI in corto, neanche a mandarli a tensione esagerata salterebbero tutti, secondo me.

non ti resta che scollegarne qualcuno e misurarlo scollegato.

saluti.
Avatar utente
Foto Utentelelerelele
4.899 3 7 9
Master
Master
 
Messaggi: 5505
Iscritto il: 8 giu 2011, 8:57
Località: Reggio Emilia

0
voti

[9] Re: Aprire un amplificatore e capire più o meno che logica h

Messaggioda Foto Utentekonig87 » 21 ott 2023, 18:05

non ti resta che scollegarne qualcuno e misurarlo scollegato.


sono gia stati dissaldati, le misure che ho postato sono coi darlington scollegati e appoggiati sulla mia scrivania.

prova a cercare "2SC3114A"

Fatto! niente! :-D vabbè è piccolino non è detto che sia guasto!

confermi che sulle schede dei finali non è prsente alcun trimmer?

Confermo, non c è nessun trimmer.

comunque è il Q309A nello schema, non lo sostituire, quel transistor è improbabile che si sia guastato

Confermo, è il Q309A, non lo sostituisco ma lo acquisto su aliexpress (non si sa mai in futuro!) nel frattempo col suo tempo arriva tra 2 mesi, lo terrò per evenienza (e quando mi servirà dimenticherò di avercelo) :lol:

ok farò così, sostituirò i finali tutti e due (che sarebbero il canale Left visto che il Right funziona) e vi farò sapere! Li ordino dalla germania visto che su ebay non ne trovo più vicini
Grazie davvero per le dritte,grazie davvero <3
Avatar utente
Foto Utentekonig87
70 1 2 6
Frequentatore
Frequentatore
 
Messaggi: 283
Iscritto il: 21 lug 2008, 19:51

0
voti

[10] Re: Aprire un amplificatore e capire più o meno che logica h

Messaggioda Foto UtenteSediciAmpere » 21 ott 2023, 19:06

Tienici aggiornati
Avatar utente
Foto UtenteSediciAmpere
4.187 5 5 8
Master
Master
 
Messaggi: 4847
Iscritto il: 31 ott 2013, 15:00

Prossimo

Torna a Elettronica generale

Chi c’è in linea

Visitano il forum: Nessuno e 95 ospiti