La situazione è questa
Un piccolo (anche fisicamente) amplificatore valvolare per uso Public Address sta per essere convertito in un amplificatorino da chitarra (un Fender 5F2A per la cronaca)
Nell'amplificatore è presente un condensatore elettrolitico multiplo da 40/40/40uF 525V
Chi sta facendo la modifica teme che un valore di 40uF sia troppo alto per il nodo che alimenta la valvola preamplificatrice di un 5F2A che nello schema prevede un 8uF su quel nodo
Ora, a prescindere dal fatto che ci siano o meno problemi ad aumentare in modo così deciso il valore dell'elettrolitico presente su quel nodo, vorrei sapere se l'idea che mi è venuta è corretta
Mettendo in serie due condensatori identici si ottiene che la massima tensione sopportabile viene raddoppiata (risulta essere la somma delle tensioni sopportabili da ogni condensatore) mentre la capacità si dimezza (si aggiunge anche un resistore in parallelo ad ogni condensatore per distribuire la tensione)
Partendo da questo fatto se si volesse ottenere da un condensatore di partenza da 40uF una capacità di 8uF lo si potrebbe fare mettendogli in serie un condensatore da 10uF
Per quanto riguarda la tensione visto che il condensatore da 40uF può sopportare una tensione di 525V che è nettamente superiore a quella presente nel circuito ho pensato che il condensatore da 10uF aggiunto in serie non è necessario possa affrontare una tensione alta e che anche un condensatore da 25/35V possa essere sufficiente, risultando essere molto piccolo e quindi adatto ad essere inserito nell'insieme occupando solo pochissimo spazio
il mio ragionamento è corretto ?
Grazie
K
Condensatore elettrolitico multiplo cambio valore capacità ?
Moderatori:
carloc,
g.schgor,
BrunoValente,
IsidoroKZ
33 messaggi
• Pagina 1 di 4 • 1, 2, 3, 4
3
voti
No, esattamente il contrario. In regime stazionario la tensione ai capi di due condensatori si divide in modo inversamente proporzionale rispetto alla capacità. Sul condensatore da 10<<micro avrai i 4/5 della tensione totale.
1
voti
Condivido le affermazioni di chi mi ha preceduto.
La cosa migliore sarebbe mettere in serie due condensatori da 15 uF con la tolleranza facilmente si arriva a trovare valori intorno ai 16 uF.
Ciao
La cosa migliore sarebbe mettere in serie due condensatori da 15 uF con la tolleranza facilmente si arriva a trovare valori intorno ai 16 uF.
Ciao
600 Elettra
0
voti
Grazie a tutti e due
Non è possibile cambiare il valore di uno dei tre condensatori facenti parte di un condensatore multiplo (un unico contenitore, un' unico connettore verso massa tre condensatori al suo interno)
Pertanto o si cambia il condensatore multiplo (a trovarne uno con capacità diverse che si adattano alle esigenze) o semplicemente si aggiunge un condensatore ulteriore, della capacità che serve ma in questo modo si complicano le cose dal punto di vista del layout in quanto lo.spazio è proprio risicato
Grazie per le risposte
K
Non è possibile cambiare il valore di uno dei tre condensatori facenti parte di un condensatore multiplo (un unico contenitore, un' unico connettore verso massa tre condensatori al suo interno)
Pertanto o si cambia il condensatore multiplo (a trovarne uno con capacità diverse che si adattano alle esigenze) o semplicemente si aggiunge un condensatore ulteriore, della capacità che serve ma in questo modo si complicano le cose dal punto di vista del layout in quanto lo.spazio è proprio risicato
Grazie per le risposte
K
-

Kagliostro
6.396 4 5 7 - Master

- Messaggi: 4830
- Iscritto il: 19 set 2012, 11:32
1
voti
Kagliostro ha scritto:.....
Per quanto riguarda la tensione visto che il condensatore da 40uF può sopportare una tensione di 525V che è nettamente superiore a quella presente nel circuito ho pensato che il condensatore da 10uF aggiunto in serie non è necessario possa affrontare una tensione alta e che anche un condensatore da 25/35V possa essere sufficiente, risultando essere molto piccolo e quindi adatto ad essere inserito nell'insieme occupando solo pochissimo spazio[......
K
Ma la tensione ai capi del condensatore di quanto è ? Non 525V, ma non credo nemmeno 25/35V.
Metterei senz'altro un condensatore da 8÷15 uF e quello da 40 in parallelo ad il secondo elettrolitico.
Alex
https://www.facebook.com/Elettronicaeelettrotecnica
<< vedi di pigliare arditamente in mano, il dizionario che ti suona in bocca,
se non altro è schietto e paesano.
(Giuseppe Giusti) <<
https://www.facebook.com/Elettronicaeelettrotecnica
<< vedi di pigliare arditamente in mano, il dizionario che ti suona in bocca,
se non altro è schietto e paesano.
(Giuseppe Giusti) <<
1
voti
Kagliostro ha scritto:(...)
Non è possibile cambiare il valore di uno dei tre condensatori facenti parte di un condensatore multiplo (un unico contenitore, un' unico connettore verso massa tre condensatori al suo interno)
(...)
Ma non si riesce a ricostruire come ti serve, recuperando solo l'involucro?
Ad esempio come hanno fatto qui.
MaxDisapprovo quello che dite, ma difenderò fino alla morte il vostro diritto di dirlo [attribuita a Voltaire]
La gentilezza dovrebbe diventare lo stile naturale della vita, non l'eccezione [Siddhārtha Gautama]
La gentilezza dovrebbe diventare lo stile naturale della vita, non l'eccezione [Siddhārtha Gautama]
-

Max2433BO
18,6k 4 11 13 - G.Master EY

- Messaggi: 4724
- Iscritto il: 25 set 2013, 16:29
- Località: Universo - Via Lattea - Sistema Solare - Terzo pianeta...
1
voti
è questo lo schema?
secondo me puoi tranquillamente usare i condensatori da 40uF per i primi tre condensatori, e poi ne compri una da 10u per il quarto
secondo me puoi tranquillamente usare i condensatori da 40uF per i primi tre condensatori, e poi ne compri una da 10u per il quarto
-

SediciAmpere
4.187 5 5 8 - Master

- Messaggi: 4847
- Iscritto il: 31 ott 2013, 15:00
0
voti
@
Max2433BO
La storia è un po' più complicata
In pratica l'amplificatore è di un amico del tizio che lo ha adesso sottomano per convertirlo
il proprietario aveva incominciato da solo a sistemare l'amplificatore in vista di una conversione come amplificatore ad uso chitarra ed aveva chiesto indicazioni alla persona che ha adesso fisicamente l'amplificatore, in un secondo momento ha rinunciato a provvedere in proprio ed ha passato l'amplificatore al suo amico (il tizio che lo ha adesso e che ha deciso di trasformarlo in un 5F2A)
Quindi quello che suggerisci sarebbe sicuramente possibile ma il condensatore attualmente presente (40/40/40uF 525V) è nuovo ed è stato messo in sostituzione di quello vecchio originale dal proprietario dell'amplificatore, prima di passarlo per la conversione
@
stefanopc
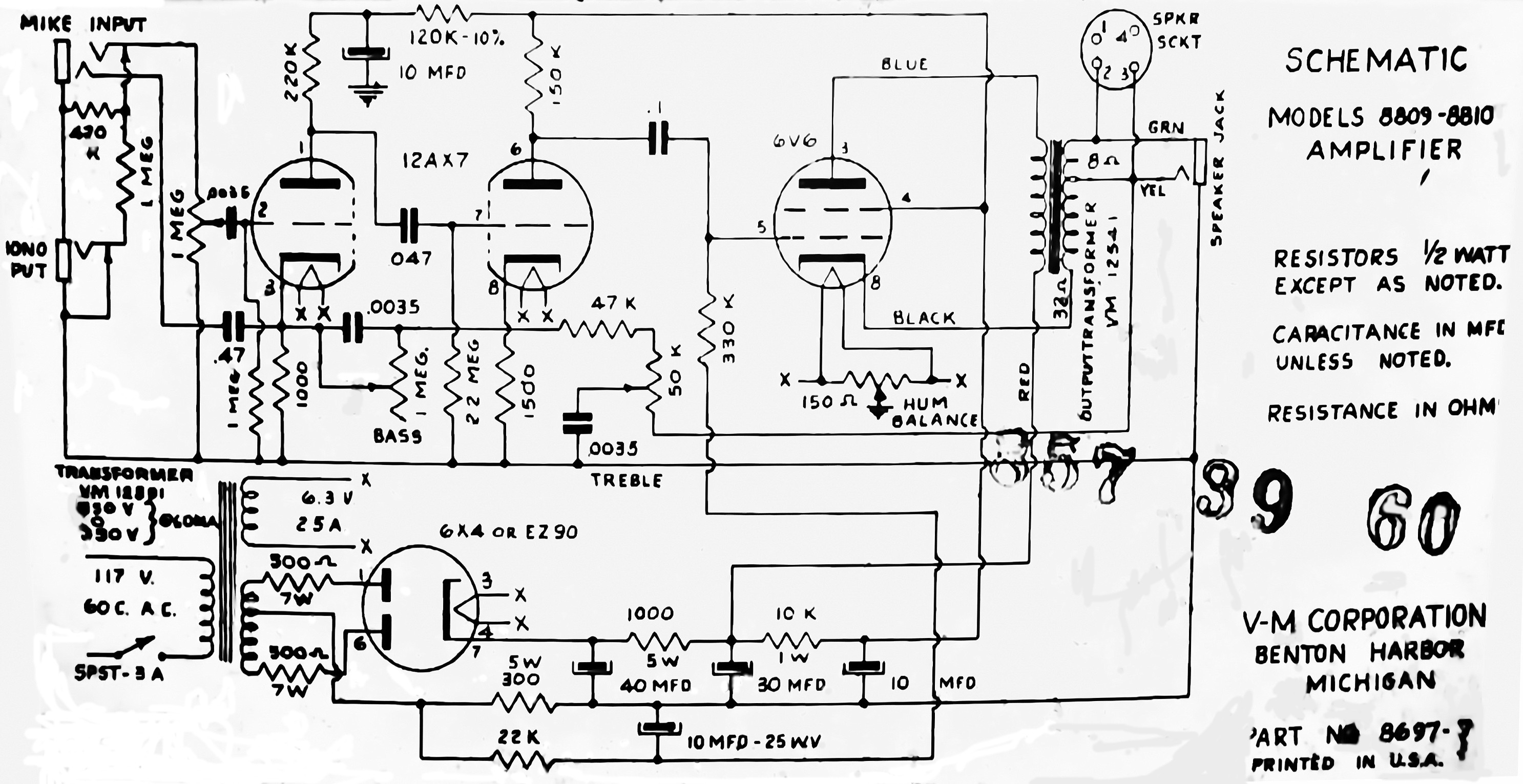
si, lo schema del 5F2A è quello
Questo invece è lo schema del piccolo amplificatore PA "donatore"
Come si può vedere lo spazio disponibile è poco (e bisogna tener conto che i vari potenziometri verranno spostati perché la posizione su cui sono attualmente fa sì che i fili di collegamento abbiano un percorso non ottimale
---
Comunque in qualche modo se ne esce, il 5F2A è un modello molto conosciuto e per il quale si sa già cosa fare per migliorare la sezione alimentazione
La domanda che ho fatto era relativa al sapere se quello che avevo pensato (sostanzialmente l'uso di un condensatore con tensione bassa in serie ad uno da tensione alta) potesse essere effettivamente messo in pratica o se la base del ragionamento fosse sbagliata, come in effetti è
Franco
La storia è un po' più complicata
In pratica l'amplificatore è di un amico del tizio che lo ha adesso sottomano per convertirlo
il proprietario aveva incominciato da solo a sistemare l'amplificatore in vista di una conversione come amplificatore ad uso chitarra ed aveva chiesto indicazioni alla persona che ha adesso fisicamente l'amplificatore, in un secondo momento ha rinunciato a provvedere in proprio ed ha passato l'amplificatore al suo amico (il tizio che lo ha adesso e che ha deciso di trasformarlo in un 5F2A)
Quindi quello che suggerisci sarebbe sicuramente possibile ma il condensatore attualmente presente (40/40/40uF 525V) è nuovo ed è stato messo in sostituzione di quello vecchio originale dal proprietario dell'amplificatore, prima di passarlo per la conversione
@
si, lo schema del 5F2A è quello
Questo invece è lo schema del piccolo amplificatore PA "donatore"
Come si può vedere lo spazio disponibile è poco (e bisogna tener conto che i vari potenziometri verranno spostati perché la posizione su cui sono attualmente fa sì che i fili di collegamento abbiano un percorso non ottimale
---
Comunque in qualche modo se ne esce, il 5F2A è un modello molto conosciuto e per il quale si sa già cosa fare per migliorare la sezione alimentazione
La domanda che ho fatto era relativa al sapere se quello che avevo pensato (sostanzialmente l'uso di un condensatore con tensione bassa in serie ad uno da tensione alta) potesse essere effettivamente messo in pratica o se la base del ragionamento fosse sbagliata, come in effetti è
Franco
-

Kagliostro
6.396 4 5 7 - Master

- Messaggi: 4830
- Iscritto il: 19 set 2012, 11:32
1
voti
Una domanda da neofita:
Ma aumentare la capacità dei condensatori di filtro sull'antica credevo non avesse effetti negativi
A parte stressare un poco di più raddrizzatrice e resistente di caduta all'avvio
Ma non credo che sia un problema, o si?
Ma aumentare la capacità dei condensatori di filtro sull'antica credevo non avesse effetti negativi
A parte stressare un poco di più raddrizzatrice e resistente di caduta all'avvio
Ma non credo che sia un problema, o si?
-

standardoil
547 2 4 - Stabilizzato

- Messaggi: 420
- Iscritto il: 15 lug 2022, 19:14
33 messaggi
• Pagina 1 di 4 • 1, 2, 3, 4
Chi c’è in linea
Visitano il forum: Nessuno e 199 ospiti

Elettrotecnica e non solo (admin)
Un gatto tra gli elettroni (IsidoroKZ)
Esperienza e simulazioni (g.schgor)
Moleskine di un idraulico (RenzoDF)
Il Blog di ElectroYou (webmaster)
Idee microcontrollate (TardoFreak)
PICcoli grandi PICMicro (Paolino)
Il blog elettrico di carloc (carloc)
DirtEYblooog (dirtydeeds)
Di tutto... un po' (jordan20)
AK47 (lillo)
Esperienze elettroniche (marco438)
Telecomunicazioni musicali (clavicordo)
Automazione ed Elettronica (gustavo)
Direttive per la sicurezza (ErnestoCappelletti)
EYnfo dall'Alaska (mir)
Apriamo il quadro! (attilio)
H7-25 (asdf)
Passione Elettrica (massimob)
Elettroni a spasso (guidob)
Bloguerra (guerra)


