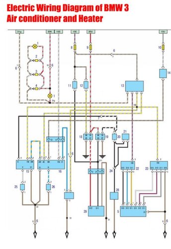
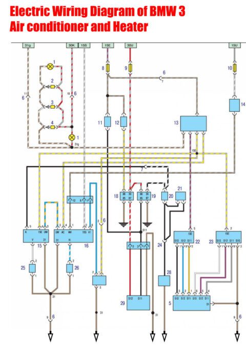
un software gratuito per fare schemi di cablaggio auto tipo questo


[FIDOLIB Nuova libreria]
{Cablaggio Autoveicoli}
[1 Terra]
PP 95 100 105 100 104 101 96 101 0
PP 97 102 103 102 102 103 98 103 0
PP 99 104 101 104 100 105 100 105 0
[3 Connettore]
BE 101 103 101 101 99 100 99 103 15
LI 100 103 100 105 15
LI 100 101 100 100 15
[5 Lampada]
EP 95 100 105 110 4
EV 95 100 105 110 15
LI 97 109 103 101 15
LI 97 101 103 109 15
[7 Fusibile]
RP 98 100 102 110 4
RV 98 100 102 110 15
LI 100 100 100 110 15



DR1 ha scritto:so usare inkspace, ma a sto punto faccio prima con word, volevo un programma piu orientato a fare cio.


Torna a Programmi applicativi: simulatori, CAD ed altro
Visitano il forum: Nessuno e 4 ospiti