Descrivo questa esperienza nella speranza che sia d'aiuto a qualcuno che incontri lo stesso problema considerato che io online non ho trovato granché sullo stesso e sulla soluzione che ho adottato alla fine di questo articolo
Qualche mese fa ho incontrato un motore elettrico con caratteristiche inusuali rispetto ai motori asincroni trifase.
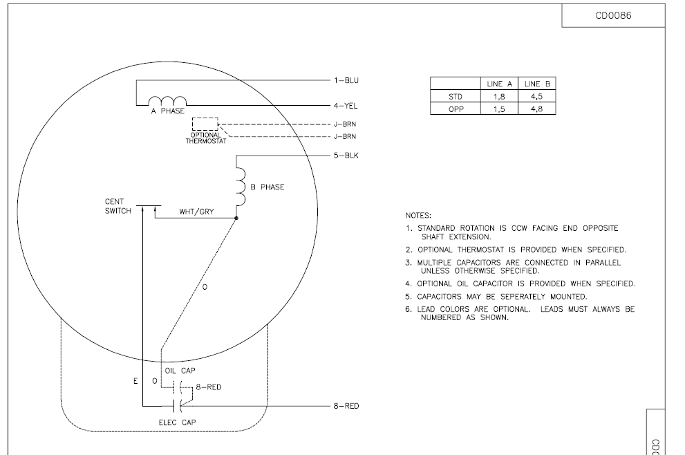
Questo motore detto "bifase" è montato su un macchinario che viene dal Minnesota e che è progettato per lavorare con una particolare distribuzione elettrica, appunto bifase, costituita da 2 fasi elettriche sfalsate tra di loro di 90° gradi invece che 120°.
Questo motore è stato adattato alla rete monofase attraverso l'uso di ben 12 condensatori enormi di cui metà restano attivi durante il funzionamento e metà si disinseriscono automaticamente raggiunto un determinato numero di giri del motore attraverso un interruttore centrifugo.Questa soluzione crea non pochi problemi all'utenza:
- caduta di tensione misurata del 60-70% all'avvio sulla fase interessata# caduta di tensione sul circuito ausiliario di avviamento del macchinario stesso con conseguente commutazione veloce che va a distruggere i contatti del contattore
- danni alle altre apparecchiature elettroniche collegate alla stessa utenza
- sovraccarico temporaneo della fase interessata
- intervento intempestivo dei dispositivi di sicurezza
- macchinario inutilizzabile
Il mio primo intervento è stato quello di inserire un UPS configurato in modo da alimentare il carico ausiliario all'avviamento del motore e a motore avviato di ricaricarsi...questo ha risolto parzialmente i problemi, ho effettivamente eliminato il problema dell'avvio tuttavia rimaneva quello della caduta di tensione e dei disturbi, la macchina era ancora inutilizzabile.Ho fatto delle ricerche ed ho concluso che il motore poteva funzionare utilizzando il neutro e due fasi di un comune sistema trifase tuttavia ancora era tutto da provare.Qualche giorno dopo ho deciso di provare e per prima cosa ho eliminato tutti i condensatori, a questo punto nella scatola del motore mi sono rimasti i terminali dei 2 avvolgimenti e dell'interruttore centrifugo.
Il primo avvolgimento detto primario segnato nello schema come B PHASE e il secondo che serve solo a dare la direzione e l'inizio al campo magnetico rotante denominato A PHASE.
Ho controllato il verso di rotazione che era corretto(eventualmente per cambiarlo basta alternare le fasi) Ho collegato il neutro ai terminali 4-5 poi ho collegato la fase L1 al terminale 1 e la fase L2 al terminale 0 sottoponendo le bobine a 2 fasi sfalsate tra di loro di 120° gradi.
Il risultato è stabile e il motore è stato testato a lungo prima di scrivere questo articolo, è stata monitorata temperatura e prestazioni risultano regolari.
Spero che questo articolo sia utile a qualcuno che si imbatte nelle stesse problematiche.Ciao a tutti e al prossimo articolo...
disclaimer:
1.Il presente articolo e la sua soluzione non possono essere ritenuti responsabili di danni a cose o persone:
la procedura adottata è funzionante e testata al 100% per il caso specifico, altri casi potrebbero presentare problematiche diverse.
2.Le immagini allegate sono di mia proprietà e se ne può fare qualsiasi uso che non sia commerciale

Elettrotecnica e non solo (admin)
Un gatto tra gli elettroni (IsidoroKZ)
Esperienza e simulazioni (g.schgor)
Moleskine di un idraulico (RenzoDF)
Il Blog di ElectroYou (webmaster)
Idee microcontrollate (TardoFreak)
PICcoli grandi PICMicro (Paolino)
Il blog elettrico di carloc (carloc)
DirtEYblooog (dirtydeeds)
Di tutto... un po' (jordan20)
AK47 (lillo)
Esperienze elettroniche (marco438)
Telecomunicazioni musicali (clavicordo)
Automazione ed Elettronica (gustavo)
Direttive per la sicurezza (ErnestoCappelletti)
EYnfo dall'Alaska (mir)
Apriamo il quadro! (attilio)
H7-25 (asdf)
Passione Elettrica (massimob)
Elettroni a spasso (guidob)
Bloguerra (guerra)