Indice |
Perché questo circuito
Dato che l'argomento nel forum e' molto gettonato, ho pensato di esporre una possibile soluzione al problema della corretta alimentazione dei Led.
La soluzione della resistenza di caduta va benissimo nella maggior parte dei casi, ma puo' sorgere qualche problema quando si vogliano accendere molti led avendo a disposizione una tensione piuttosto bassa e per lo piu' variabile nel tempo.
Mi riferisco ad esempio alle batterie ricaricabili al Ni-Cd o Ni-Mh, che presentano una tensione molto piu' alta a fine carica rispetto alla tensione di esercizio, oppure all'alimentazione nelle auto, dove la tensione puo' variare da 12,5 volt a motore fermo fino ai 15 volt in marcia. In questi casi si e' costretti a suddividere i led in molte file, ognuna costituita da pochi led, e spesso si e' costretti a sacrificare un led in ogni fila per poter inserire una adeguata resistenza di limitazione.
L'ideale quindi sarebbe quello di avere a disposizione uno stabilizzatore di corrente da applicare ad ogni fila, che presenti la piu' piccola caduta di tensione possibile e che sia di basso costo, considerato che anche in questo forum ho visto utenti che hanno utilizzato una decina di file di led.
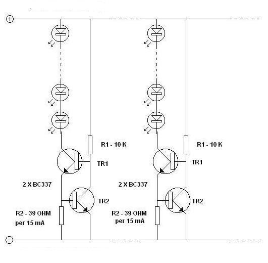
Eccolo
L'idea che ho maturato e' la seguente:
Come funziona
Il funzionamento e' semplice:
la resistenza R2 e' calcolata in modo da porre in conduzione TR2 appena TR1 venga attraversato dalla corrente desiderata.
Quando TR2 entra in conduzione sottrae corrente alla base di TR1, riducendo cosi' la conduzione di quest'ultimo.
TR2 non può aumentare in modo eccessivo la sua conduzione, perché si ridurrebbe la tensione ai capi di R2, riducendo la conduzione dello stesso TR2.
A sua volta TR1 non puo' aumentare eccessivamente la sua conduzione perché aumenterebbe la tensione ai capi di R2, aumentando la conduzione di TR2 che riporterebbe TR1 alle condizioni iniziali.
I due transistor quindi si stabilizzano controreazionandosi a vicenda.
Dalle prove fatte con i BC337 inseriti nello schema una formula approssimativa per il calcolo di R2 e' la seguente:
Potrebbe essere necessario ottenere R2 con una combinazione serie/parallelo di due o piu' resistenze.
Altrimenti e' possibile utilizzare il grafico in fig. 1, che mostra la corrente ottenibile con diversi valori di R2 e con due diverse tensioni.
Risultati delle prove:
Stabilizzazione per variazioni carico: assoluta, al decimo di mA, anche cortocircuitando i tre led che componevano la fila.
Stabilizzazione per variazione della tensione alimentazione:
Con due led rossi tradizionali come carico ed i i valori inseriti nello schema, si sono ottenuti i risultati riportati nella seguente tabella.:
| Tensione di alimentazione (V) | Corrente nel led (mA) |
|---|---|
| 19,5 | 15,22 |
| 12 | 14,71 |
| 9 | 14,42 |
| 6 | 14,08 |
| 5 | 13,93 |
Naturalmente variazioni di tensione cosi' ampie non si verificano mai in pratica.
Al disotto dei 5 volt non era possibile scendere, perché tra il collettore di TR1 e la massa era presente, data la caduta di tensione dei due led rossi, una tensione di 1,25 V al di sotto della quale viene persa completamente la stabilizzazione (0,6 volt sono presi da R2).
Quindi la tensione minima di alimentazione delle file di led deve essere:
.
Da cui si ricava il numero di Led inseribili conoscendo la Vmin e la Vled:
.
Provando diversi valori di R2 sul circuito e con solo led rosso si e' ottenuto il grafico di fig. 1, dove sono presenti due curve, una ottenuta con una alimentazione di 3,5 V (quindi con 1,8 V sul collettore di TR1) e l'altra alimentando lo stesso circuito con 12 V (quindi con 10,3 V sul collettore di TR1). Cosi' e' possibile visualizzare le variazioni di corrente con le variazioni di tensione. Il grafico e' stato ottenuto riadattando con prove pratiche il grafico gentilmente fornito da Phylum.
FIG. 1
Provando il circuito con tre led bianchi ad alta luminosita' da 9000 mcd, 3,3 V a 20 mA ed alimentando il tutto con una tensione di 12 V (9,9 V era la caduta sui diodi led) la corrente si e' mantenuta perfettamente stabile con una tolleranza di +- 0,1 mA anche dopo diversi giorni di funzionamento ininterrotto. Aumentando la tensione di alimentazione a 19,5 V la corrente aumentava, rispetto alla tensione precedente, di 0,5 mA.
Stabilizzazione nei confronti delle variazioni di temperatura:
Riscaldando il circuito formato da un slo led rosso alimentato a 12 V (quindi con 10,3 volt sul collettore di TR1) con un asciugacapelli la corrente e' diminuita a 14 mA, quindi questo comportamento e' una garanzia in piu'. Invece raffreddando il circuito a circa - 10 gradi si ha un aumento della corrente nei Led, ma molto modesto.
Conclusione ed invito
Il BC337 dovrebbe comportarsi bene con Led a maggiore assorbimento rispetto a quelli provati perche' tollera correnti di collettore maggiori di 500 mA ma ha una dissipazione massima di 0,5 - 0,6 W nell'uso continuativo, pertanto occorre tenere conto della VCE che si avra' ai capi di TR1.
Si consiglia di provare il circuito con led comuni prima di collegare eventualmente led costosi ad alta luminosita', perche' un malfunzionamento di qualsiasi natura su TR2, quindi anche una saldatura mal fatta, determinerebbe una mancata controreazione su TR1, che assorbirebbe al massimo con possibile suo danneggiamento e danneggiamento del carico.
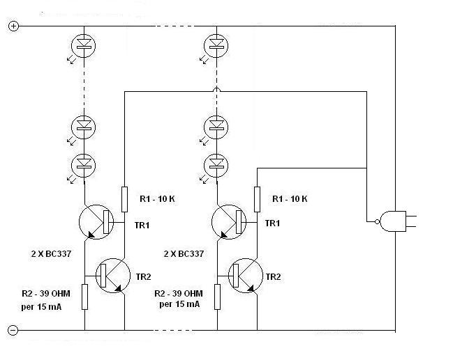
Il circuito ha anche il vantaggio che l'accensione e spegnimento dei Led puo' essere comandata dall'uscita di una porta logica, facendo la seguente piccola modifica:
Spero che questo circuitino possa essere utile a qualcuno.
Simulazioni con MicroCap9
Giovanni Schgor mi ha inviato la simulazione del circuito che conferma il suo funzionamento e che aggiungo qui con piacere, ringraziandolo per l'interesse dimostrato e la collaborazione.
Questa e' una simulazione in MicroCap 9 del circuito regolatore di corrente per LED (autore ginfizz) che mostra la costanza della corrente nel LED (traccia rossa, in mA) al variare della tensione di alimentazione V1 (traccia blu) da 3V a 24V. La traccia verde indica la tensione di collettore di Q1 ( che si discosta dall'alimentazione della caduta costante sul LED di 1.8V)
Questa simulazione invece mostra la possiibilita' di pilotare l'accensione di uno (o piu') LED dal'uscita di un circuito logico (quindi a bassa tensione e potenza), stabilendo la tensione di alimentazione (in questo caso 12V) e la corrente nominale del LED (16mA).
Devo infine alla cortesia di phylum la possibilità della simulazione che mostra la dipendenza della corrente stabilizzata nel LED dal valore della resistenza di emettitore (R2):

Elettrotecnica e non solo (admin)
Un gatto tra gli elettroni (IsidoroKZ)
Esperienza e simulazioni (g.schgor)
Moleskine di un idraulico (RenzoDF)
Il Blog di ElectroYou (webmaster)
Idee microcontrollate (TardoFreak)
PICcoli grandi PICMicro (Paolino)
Il blog elettrico di carloc (carloc)
DirtEYblooog (dirtydeeds)
Di tutto... un po' (jordan20)
AK47 (lillo)
Esperienze elettroniche (marco438)
Telecomunicazioni musicali (clavicordo)
Automazione ed Elettronica (gustavo)
Direttive per la sicurezza (ErnestoCappelletti)
EYnfo dall'Alaska (mir)
Apriamo il quadro! (attilio)
H7-25 (asdf)
Passione Elettrica (massimob)
Elettroni a spasso (guidob)
Bloguerra (guerra)