Abstract
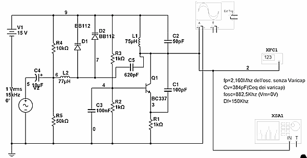
Quello proposto e' un modulatore FM da laboratorio di elettronica o telecom.; il circuito si basa su un oscillatore di Colpitts nella connessione Base Comune (in realta' non e' il classico osc. a tre punti) che genera una frequenza
e che viene modulato dalla modulante V1 prelevata da un g.d.f., che va a modificare la capacita' dei due Varicap in parallelo alla capacita' C2 del circuito oscillante.
Modulatore FM
Dal circuito sotto riportato, si puo' notare il partitore R4, R5 che pone i due varicap ad un tensione inversa di circa 2,5 V; e' opportuno una Vinv piccola poiche' la capacita' dei varicap e' inversamente proporzionale alla tensione inversa, per cui con piccole tensioni si riescono ad ottenere capacita' di valore confrontabili con quella del circuito oscillante, cioe' con C2.
Se si pone
si nota una frequenza di oscillazione sul Collettore del Bjt di circa 882Khz, da cui attraverso la seguente relazione e' possibile risalire alla capacita' equivalente dei due varicap,
f=1/(6,28*sqr(L1*C2+(Cvareq.)), che vale circa
.
Andiamo per ordine.
L1 e C2 determinano la frequenza di oscillazione
/(6,28*sqr(L1*C2)), C1 fa da retroazione positiva riportando il segnale all'ingresso E del Bjt; la base B e' cortocircuitata a massa da C3(B.C.); R3, R2, polarizzano la giunzione B- E in zona attiva (Vbe=0,65V), R1 stabilizza nei confronti delle variazioni termiche.
Applicando tensione con V1 (1 - 2 V), che identifica il segnale modulante, attraverso C4, che blocca la continua ed L2, che e' una bassa reattanza per la modulante ed un circuito aperto per la portante, viene modificata la tensione inversa applicata ai due Varicap con il ritmo della modulante, quindi si modifica anche la Cvareq e ovviamente la f sul collettore. C5 e' un corto per l'AF e una alta reattanza per la B.F.
Con questo modulatore si ottiene una deviazione di frequenza
attorno
.
L'ampiezza della tensione modulata e' di circa 6 - 7 V di picco.

Elettrotecnica e non solo (admin)
Un gatto tra gli elettroni (IsidoroKZ)
Esperienza e simulazioni (g.schgor)
Moleskine di un idraulico (RenzoDF)
Il Blog di ElectroYou (webmaster)
Idee microcontrollate (TardoFreak)
PICcoli grandi PICMicro (Paolino)
Il blog elettrico di carloc (carloc)
DirtEYblooog (dirtydeeds)
Di tutto... un po' (jordan20)
AK47 (lillo)
Esperienze elettroniche (marco438)
Telecomunicazioni musicali (clavicordo)
Automazione ed Elettronica (gustavo)
Direttive per la sicurezza (ErnestoCappelletti)
EYnfo dall'Alaska (mir)
Apriamo il quadro! (attilio)
H7-25 (asdf)
Passione Elettrica (massimob)
Elettroni a spasso (guidob)
Bloguerra (guerra)