Salve a tutti, vorrei porre questo articolo che parla dell'avviamento e arresto di 3 motori asincroni in partenza differita cioè uno dopo l'altro automaticamente . La differenza dal precedente articolo ( comando di 6 motori in sequenza ) è che in questo schema useremo anche dei temporizzatori , mentre nell'articolo precedente si usavano degli "interblocchi" elettrici tra i contattori.
Indice |
Materiale
- 2 Contattori con 2 contatti N.A
- 2 Temporizzatori elettromeccanici su zoccolo
- 1 Pulsante N.A e uno N.C
- 3 Motori
Gli schemi
Come al solito gli schemi sono divisi in circuito di potenza , e circuito di comando .
La potenza
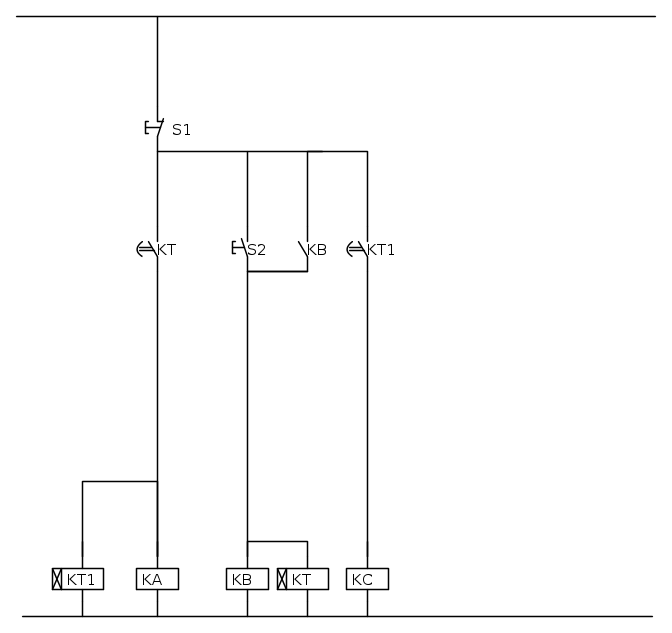
Il comando
Il funzionamento
Quando si attacca la corrente , la lampada P1 si deve accendere . Premendo il pulsante S2 si deve eccitare KB che con l'autoritenuta del suo contatto resta acceso e a sua volta si accendono il temporizzatore KT la lampada P3 . Insieme a KT si eccitano dopo un tot. di secondi ( es. 5s ) KA ( che a sua volta accende la lampada P2) e il temporizzatore KT1 . Il temporizzatore KT1 accende KC dopo un tot. di tempo (es. 10s ) , e KC accende la lampada P4 . Per interrompere il ciclo basta premere il pulsante S1.

Elettrotecnica e non solo (admin)
Un gatto tra gli elettroni (IsidoroKZ)
Esperienza e simulazioni (g.schgor)
Moleskine di un idraulico (RenzoDF)
Il Blog di ElectroYou (webmaster)
Idee microcontrollate (TardoFreak)
PICcoli grandi PICMicro (Paolino)
Il blog elettrico di carloc (carloc)
DirtEYblooog (dirtydeeds)
Di tutto... un po' (jordan20)
AK47 (lillo)
Esperienze elettroniche (marco438)
Telecomunicazioni musicali (clavicordo)
Automazione ed Elettronica (gustavo)
Direttive per la sicurezza (ErnestoCappelletti)
EYnfo dall'Alaska (mir)
Apriamo il quadro! (attilio)
H7-25 (asdf)
Passione Elettrica (massimob)
Elettroni a spasso (guidob)
Bloguerra (guerra)



