dopo un MAT con FidocadJ, non poteva mancare un Trasformatore Monofase ...un pò ingombrante per il thread Giocare con fidocadJ ... :)
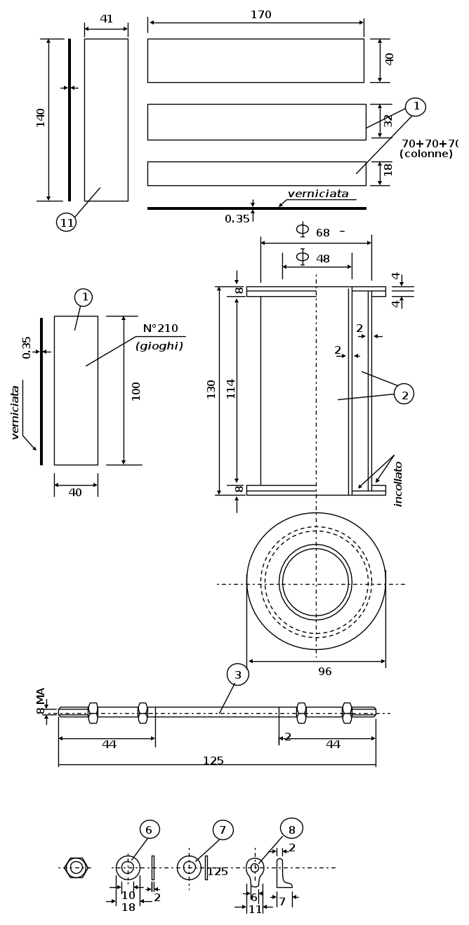
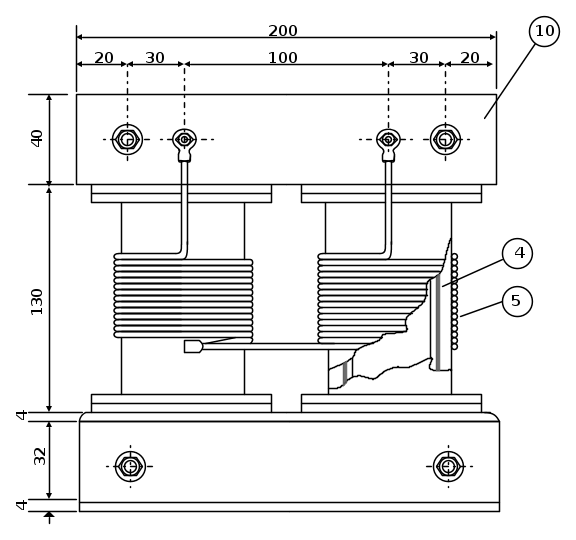
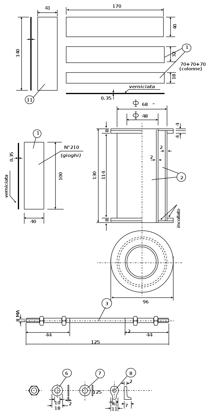
Il trasformatore è del tipo a secco ovvero raffreddamento in aria,con colonne gradinate ed i giunti intercalati, la giunzione dei lamierini delle colonne avviene per serraggio con legature di nastro mentre pe ri giochi attraverso bulloni esterni sulle traverse di compressione in profilato a sezione C, l'isolamento del nucleo è ottenuto fra gli avvolgimenti con cartocci in bachelite fusa con flange.
Riferimenti
Disegno elettromeccanico
ediz.Sansoni-G.Rago '80

Elettrotecnica e non solo (admin)
Un gatto tra gli elettroni (IsidoroKZ)
Esperienza e simulazioni (g.schgor)
Moleskine di un idraulico (RenzoDF)
Il Blog di ElectroYou (webmaster)
Idee microcontrollate (TardoFreak)
PICcoli grandi PICMicro (Paolino)
Il blog elettrico di carloc (carloc)
DirtEYblooog (dirtydeeds)
Di tutto... un po' (jordan20)
AK47 (lillo)
Esperienze elettroniche (marco438)
Telecomunicazioni musicali (clavicordo)
Automazione ed Elettronica (gustavo)
Direttive per la sicurezza (ErnestoCappelletti)
EYnfo dall'Alaska (mir)
Apriamo il quadro! (attilio)
H7-25 (asdf)
Passione Elettrica (massimob)
Elettroni a spasso (guidob)
Bloguerra (guerra)




