Come ho scritto nel primo articolo http://www.electroyou.it/mrc/wiki/n-a-2 in questa seconda parte eseguo una piccola analisi di come si possa lenearizzare la rampa a gradini ottenuta dai circuiti visti nella prima parte.
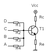
Per questa analisi sono partito da questo circuito, già preso in esame nel primo articolo:
DOVE:
T1 = 2N2222
In questo caso ho imposto di avere la saturazione del transistor con la seguente configurazione di bit di ingresso, dove l' uno corrisponde a 12V:
A=1
B=0
C=0
D=1
e in questa condizione ho imposto la tensione
Usando il procedimento visto nel primo articolo e considerando che con la configurazione di cui sopra si ottiene il seguente circuito equivalente per le resistenze di base:
ottengo:
Re = 3k87Ω e
Rc = 3k87Ω
Per entrambi i valori ho utilizzato il valore commerciale: R = 3k83Ω
Facendo funzionare il circuito con l' integrato 4518, come visto nel primo articolo, ho ottenuto la seguente rampa che coincide con i valori voluti:
Dove: Ampiezza 1V/Div. Base Tempi 200u sec/Div.
Per ottenere la linearizzazione di questa rampa occorre cercare di arrotondare i vari gradini di tensione di cui è composta.
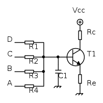
Per ottenere l' arrotondamento dei gradini occorre inserire sulla base del transistor, verso massa, un condensatore di valore appropiato come si può osservare dal seguente schema:
Dove C1 è il condensatore aggiunto.
Il valore del condensatore C1 deve essere scelto in base alla durata dei gradini di tensione che in questo caso vale 100μsec.
La capacità si carica ad una tensione di volta in volta maggiore all' aumentare del numero binario di ingresso fino ad arrivare al massimo consentito dal circuito, in questo caso 6V, subito dopo si scarica con la seguente configurazione di ingresso:
A=0
B=0
C=0
D=0
Il tempo di carica del condensatore è dato dal prodotto del valore della capacità per la resistenza che di volta in volta si ritrova al livello alto cioè 12V.
Ad esempio nella seguente configurazione di ingresso:
A=0
B=1
C=0
D=1
si ottiene il seguente circuito equivalente:
Quindi il condensatore si caricherà attraverso la resistenza equivalente al parallelo tra R1 ed R3 cioè:
80080Ω
e il tempo di carica sarà:
τ = C1Req
Seguendo lo stesso esempio si può ricavare il valore della tensione a cui si carica il condensatore in questa determinata configurazione di ingresso.
Il valore della tensione si ricava applicando la regola del partitore formato dal parallelo di R1 e R2 e il parallelo di R2 e R4. In questo caso specifico si ottiene una tensione di 4V che coincide con quella che si può osservare in corrispondenza del 6° gradino della forma d' onda dell' immagine precedente.
Lo stesso metodo lo si può utilizzare per calcolare le varie tensioni corrispondenti a tutte le configurazioni di ingresso.
Nella seguente tabella riporto i valori delle resistenze equivalenti che si ottengono con i vari ingressi a livello alto e i valori dei tempi di carica corrispondenti, considerando due valori di capacità cioè:
C1 = 1KpF e
C1 = 2,2KpF
Ho scelto questi valori di capacità perchè, seguendo il ragionamento di cui sopra, i tempi di carica si avvicinano molto al tempo di ogni singolo gradino e nel caso di C1 = 1KpF alcuni tempi sono minori, come si può osservare nella tabella.
Proseguo spiegando quale valore di capacità è meglio usare in questo caso.
Come si può osservare, nella tabella, ho omesso volontariamente di riempire le prime caselle questo perchè corrispondono al momento in cui il condensatore si scarica attraverso il parallelo di tutte le resistenze a 0V. In questa situazione la Req è di 26675Ω
Quindi i tempi di scarica saranno:
per C1=1KpF τ = 66,6μsec e
per C1=2,2KpF τ = 146μsec
Con i componenti di cui sopra e con C1=2,2KpF ho ottenuto la seguente rampa:
Dove: Ampiezza 1V/Div. Base Tempi 200u sec/Div.
Da come si può osservare la rampa risulta linearizzata ma lo zero del segnale è "sollevato" rispetto allo zero volt. Questo si spiega considerando che la capacità di valore 2,2KpF è abbastanza alta e quindi in fase di scarica la sua tensione non arriva a zero completo ma riprende a caricarsi in seguito all' arrivo del secondo gradino della rampa successiva ( essendo il primo gradino a 0V ). Infatti, il valore del tempo di scarica, in questo caso, vale τ = 146μsec che è più alto della durata del primo gradino della rampa successiva.
Nel caso invece di C1=1KpF il tempo di scarica vale τ = 66,6μsec ed essendo minore della durata del primo gradino della rampa successiva ( quello corrispondente allo 0V ), la capacità riesce a scaricarsi completamente e quindi il segnale risulta appoggiato allo zero volt, come si può osservare dalla seguente immagine:
Dove: Ampiezza 1V/Div. Base Tempi 200u sec/Div.
Come si può osservare in questo caso le curve di carica del condensatore sono più accentuate rispetto all' immagine precedente questo perchè i tempi di carica sono più bassi, come si vede nella tabella precedente.
Il valore di capacità deve essere scelto, come scritto più sopra, in base alla durata del gradino di tensione.
Questo valore non deve essere troppo alto altrimenti, pur ottenendo una maggiore linearizzazione, la rampa non arriva allo zero volt ma avrà un offset sempre più alto all' aumentare del valore della capacità.
Allo stesso tempo il valore di capacità non deve essere troppo basso altrimenti si ottiene una forte accentuazione della curva di carica venendo meno allo scopo di linearizzare la rampa.
In questo caso il valore corretto di capacità è di 1KpF.

Elettrotecnica e non solo (admin)
Un gatto tra gli elettroni (IsidoroKZ)
Esperienza e simulazioni (g.schgor)
Moleskine di un idraulico (RenzoDF)
Il Blog di ElectroYou (webmaster)
Idee microcontrollate (TardoFreak)
PICcoli grandi PICMicro (Paolino)
Il blog elettrico di carloc (carloc)
DirtEYblooog (dirtydeeds)
Di tutto... un po' (jordan20)
AK47 (lillo)
Esperienze elettroniche (marco438)
Telecomunicazioni musicali (clavicordo)
Automazione ed Elettronica (gustavo)
Direttive per la sicurezza (ErnestoCappelletti)
EYnfo dall'Alaska (mir)
Apriamo il quadro! (attilio)
H7-25 (asdf)
Passione Elettrica (massimob)
Elettroni a spasso (guidob)
Bloguerra (guerra)



