Salve a tutti, vorrei realizare un circuito che mi facesse questo lavoro:
devo scaldare dell'acqua dalla temperatura ambiante a 37/40 gradi in 60 secondi
Per misurare la temperatura vorrei utilizzare un LM325 e con un comparatore tipo LM329 comparare il segnale con uno generato da un partitore con trimmer.
l'uscita del comparatore a sua volta comanda un BD439.
Ho un dubbio, che cosa uso per comandare la resistenza alimentata a 220 vac di 200 watt?
il BD439 puo comandare la bobina di un rele??
Avete qualche soluzione alternativa??
LM325 se dovessi metterno in acqua come posso fare la permiabilizzazione?? silicone??
Vi dico che l'acqua mi serve per uso alimentare!!
grazie in anticipo...
accensione e spegnimento resistenza in base alla temperatura
Moderatori:
carloc,
g.schgor,
BrunoValente,
IsidoroKZ
0
voti
Il circuito che hai descritto non è il massimo della chiarezza, darebbe meglio se lo disegni con FidoCadJ.
E, comunque, per pilotare un relè un transistor va bene, ma devi tenere conto dell'assorbimento della bobina del relè che non superi quello sopportabile dal transistor attraverso il collettore.
E, comunque, per pilotare un relè un transistor va bene, ma devi tenere conto dell'assorbimento della bobina del relè che non superi quello sopportabile dal transistor attraverso il collettore.
0
voti
Ecco il circuito preso da un altro sito!!
Al posto del LM341 posso mettere un LM329??
Oppure posso alimentare LM341 con solo una tensione positiva?
Poi hai delle idee per inserire nell'acqua LM335??
Vorrei sapere con esattezza la temperatura dell'acqua nel recipiente!!
Al posto del led inserisco la bobina del rele per il comando della resistenza da 200w
grazie
Al posto del LM341 posso mettere un LM329??
Oppure posso alimentare LM341 con solo una tensione positiva?
Poi hai delle idee per inserire nell'acqua LM335??
Vorrei sapere con esattezza la temperatura dell'acqua nel recipiente!!
Al posto del led inserisco la bobina del rele per il comando della resistenza da 200w
grazie
- Allegati
-
- 9697_a23315.gif (5.83 KiB) Osservato 5843 volte
-

battiesguscia
5 4 - Frequentatore

- Messaggi: 103
- Iscritto il: 14 ott 2011, 9:45
0
voti
Il circuito deve essere inserito nel forum selezionandolo nella finestra di FidoCadJ e copiandolo con CTRL-C;
poi lo incolli con CTRL-V all'interno dei tag fcd che trovi sopra il box del messaggio.
Quando ti metto un link da leggere, leggilo tutto; le istruzioni per mettere lo schema FidoCadJ erano scritte chiaramente nel link del mio post precedente.
In caso ne avessi bisogno, qui trovi il manuale di FidoCadJ.
PS: non mandarmi messaggi privati per dirmi che hai inserito circuiti e quant'altro.
poi lo incolli con CTRL-V all'interno dei tag fcd che trovi sopra il box del messaggio.
Quando ti metto un link da leggere, leggilo tutto; le istruzioni per mettere lo schema FidoCadJ erano scritte chiaramente nel link del mio post precedente.
In caso ne avessi bisogno, qui trovi il manuale di FidoCadJ.
PS: non mandarmi messaggi privati per dirmi che hai inserito circuiti e quant'altro.
0
voti
Avevo gia lo schema in jpg, non pensavo non di potesse, non è fatto male!!,lo so come si fa con fido..ma non l'avevo pronto adesso..ti ho visto online e ho inviato subito cosi..non si capisce??
-

battiesguscia
5 4 - Frequentatore

- Messaggi: 103
- Iscritto il: 14 ott 2011, 9:45
0
voti
L'uso di FidoCadJ nel forum non è richiesto per ragioni di puntiglio ma piuttosto per permettere a tutti i partecipanti di fare modifiche ad uno schema in modo semplice e pratico.
Oltretutto lo schema che hai messo non contiene le modifiche per le quali tu hai aperto la discussione.
Se io adesso dovessi inserire una modifica nel tuo circuito, dovrei tribolare molto di più che con FidoCadJ.
Ti faccio notare che siamo arrivati al 6° messaggio della discussione senza avere detto nulla di tecnico sul tuo circuito e tutto questo perché non vuoi mettere uno schema con lo strumento giusto; evita di farmi perdere tempo, per piacere.
Oltretutto lo schema che hai messo non contiene le modifiche per le quali tu hai aperto la discussione.
Se io adesso dovessi inserire una modifica nel tuo circuito, dovrei tribolare molto di più che con FidoCadJ.
Ti faccio notare che siamo arrivati al 6° messaggio della discussione senza avere detto nulla di tecnico sul tuo circuito e tutto questo perché non vuoi mettere uno schema con lo strumento giusto; evita di farmi perdere tempo, per piacere.
0
voti
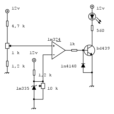
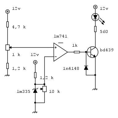
Eccolo, puo andare???
-

battiesguscia
5 4 - Frequentatore

- Messaggi: 103
- Iscritto il: 14 ott 2011, 9:45
0
voti
corretto il componente che fa da comparatore!!
-

battiesguscia
5 4 - Frequentatore

- Messaggi: 103
- Iscritto il: 14 ott 2011, 9:45
0
voti
Dove si connette il potenziometro da 10k ? 

Per usare un simulatore devi conoscere più elettronica di lui. [
IsidoroKZ]
40. There are two ways to write error-free programs; only the third one works.
[Alan J. Perlis, Epigrams on Programming]
40. There are two ways to write error-free programs; only the third one works.
[Alan J. Perlis, Epigrams on Programming]
Chi c’è in linea
Visitano il forum: Nessuno e 157 ospiti

Elettrotecnica e non solo (admin)
Un gatto tra gli elettroni (IsidoroKZ)
Esperienza e simulazioni (g.schgor)
Moleskine di un idraulico (RenzoDF)
Il Blog di ElectroYou (webmaster)
Idee microcontrollate (TardoFreak)
PICcoli grandi PICMicro (Paolino)
Il blog elettrico di carloc (carloc)
DirtEYblooog (dirtydeeds)
Di tutto... un po' (jordan20)
AK47 (lillo)
Esperienze elettroniche (marco438)
Telecomunicazioni musicali (clavicordo)
Automazione ed Elettronica (gustavo)
Direttive per la sicurezza (ErnestoCappelletti)
EYnfo dall'Alaska (mir)
Apriamo il quadro! (attilio)
H7-25 (asdf)
Passione Elettrica (massimob)
Elettroni a spasso (guidob)
Bloguerra (guerra)



