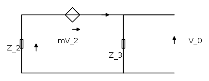
stavo affrontando un es. in regime sinusoidale con un circuito avente un VG e un mV_2 (gen. dipendente) applicando la sovrapposizione. Quando vado ad azzerare il VG indipendente, ottengo il circuito qui sotto disegnato (dove le varie Z sono impedenze).
Come ottengo la I_3 ?
a voi
Es. veloce regime sinusoidale
Moderatori:
g.schgor,
IsidoroKZ
4 messaggi
• Pagina 1 di 1
0
voti
In presenza di generatori dipendenti non dovresti sovrapporre nulla.
Disegna il circuito originale e magari tenta con un approccio diverso.
Disegna il circuito originale e magari tenta con un approccio diverso.
4 messaggi
• Pagina 1 di 1
Torna a Elettrotecnica generale
Chi c’è in linea
Visitano il forum: Nessuno e 18 ospiti

Elettrotecnica e non solo (admin)
Un gatto tra gli elettroni (IsidoroKZ)
Esperienza e simulazioni (g.schgor)
Moleskine di un idraulico (RenzoDF)
Il Blog di ElectroYou (webmaster)
Idee microcontrollate (TardoFreak)
PICcoli grandi PICMicro (Paolino)
Il blog elettrico di carloc (carloc)
DirtEYblooog (dirtydeeds)
Di tutto... un po' (jordan20)
AK47 (lillo)
Esperienze elettroniche (marco438)
Telecomunicazioni musicali (clavicordo)
Automazione ed Elettronica (gustavo)
Direttive per la sicurezza (ErnestoCappelletti)
EYnfo dall'Alaska (mir)
Apriamo il quadro! (attilio)
H7-25 (asdf)
Passione Elettrica (massimob)
Elettroni a spasso (guidob)
Bloguerra (guerra)



?