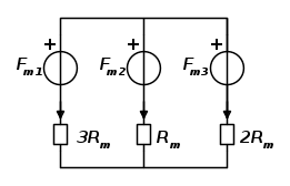
Esercizio circuito magnetico
Moderatori:
g.schgor,
IsidoroKZ
0
voti
Kirchhoff ovviamente, insieme a Thevenin... tutti i circuiti vengono risolti con questi 2 metodi... il metodo dei potenziali ai nodi, invece, essendo materia d'esame di elettrotecnica 2, non ci è stato ancora insegnato...
1
voti
... ok allora usa Kirchhoff per scrivere il sistema e trovare i flussi che scegliamo orientati verso il nodo inferiore e chiamiamo x, y e z (per semplicità) ... per il primo circuito ovviamente ... il secondo lo affrontiamo dopo!
... aspetto i risultati ... la I3 e la Rm ti consiglio di lasciarle indicate fino alla fine, le sostituiamo solo a risultati ottenuti.
===============================================
Edit ... dovrebbe risultarti

... aspetto i risultati ... la I3 e la Rm ti consiglio di lasciarle indicate fino alla fine, le sostituiamo solo a risultati ottenuti.
===============================================
Edit ... dovrebbe risultarti

"Il circuito ha sempre ragione" (Luigi Malesani)
0
voti
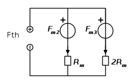
Preferirei usare Thevenin, sono molto più abituato:
Quindi, per calcolare ad esempio il flusso nel primo induttore considero il circuito equivalente di Thevenin:

Quindi avrò:
ϕ1
=
π
Faccio lo stesso per ϕ2


ϕ2
Fino a qui è corretto?
Quindi, per calcolare ad esempio il flusso nel primo induttore considero il circuito equivalente di Thevenin:

Quindi avrò:
ϕ1
=
π
Faccio lo stesso per ϕ2


ϕ2

Fino a qui è corretto?
Ultima modifica di
Gurdjeff il 18 set 2012, 15:30, modificato 5 volte in totale.
1
voti
... controlla Tu con i risultati che ho postato in [42]
viewtopic.php?t=38293&p=337679#p337667
... usando Kirchhoff era più semplice

e risolvevi in Rx e Ry
viewtopic.php?t=38293&p=337679#p337667
... usando Kirchhoff era più semplice

e risolvevi in Rx e Ry
"Il circuito ha sempre ragione" (Luigi Malesani)
1
voti
Ok ora che hai i due flussi trovi le due fem indotte e le sommi; poi sostituisci il valore numerico complesso a I3 e ti trovi il fasore della tensione ai morsetti del GIT che visto il suo valore unitario corrisponde numericamente anche alla potenza complessa generata dallo stesso.
... posta VJ.
... posta VJ.
"Il circuito ha sempre ragione" (Luigi Malesani)
1
voti
OT:
http://www.codecogs.com/latex/eqneditor.php
usa questo per scrivere in LaTeX, le tue formule saranno anche comprensibili,
ma che faticaccia scriverle in quel modo...
end OT.
http://www.codecogs.com/latex/eqneditor.php
usa questo per scrivere in LaTeX, le tue formule saranno anche comprensibili,
ma che faticaccia scriverle in quel modo...
end OT.
1
voti
Gurdjeff ha scritto:A questo punto sarà:
Date le convenzioni per il flusso per trovare la tensione sul GIC col positivo sul morsetto superiore, ovvero usare per lo stesso la convenzione dei generatori, dovremo cambiare di segno Vs.
Passando ai valori numerici

e quella potenza attiva è proprio identica a quella dissipata nel resistore da 10 Ω

e dopo questo controllo mi sarei aspettato una tua domanda, ... ma probabilmente ti sei già dato da solo risposta.
BTW non usare tutte quelle cifre significative .... per un circuito magnetico reale già tre sarebbero troppe!
"Il circuito ha sempre ragione" (Luigi Malesani)
0
voti
già è vero mi ero scordato...
@lillo: grazie mille per il suggerimento
@lillo: grazie mille per il suggerimento
0
voti
RenzoDF ha scritto:e dopo questo controllo mi sarei aspettato una tua domanda, ... ma probabilmente ti sei già dato da solo risposta.
mi incuriosici, non capisco a quale domanda ti riferisci... (forse si poteva dedurre la potenza generata semplicemente calcolandosi la
vista dal generatore? )Torna a Elettrotecnica generale
Chi c’è in linea
Visitano il forum: Nessuno e 24 ospiti

Elettrotecnica e non solo (admin)
Un gatto tra gli elettroni (IsidoroKZ)
Esperienza e simulazioni (g.schgor)
Moleskine di un idraulico (RenzoDF)
Il Blog di ElectroYou (webmaster)
Idee microcontrollate (TardoFreak)
PICcoli grandi PICMicro (Paolino)
Il blog elettrico di carloc (carloc)
DirtEYblooog (dirtydeeds)
Di tutto... un po' (jordan20)
AK47 (lillo)
Esperienze elettroniche (marco438)
Telecomunicazioni musicali (clavicordo)
Automazione ed Elettronica (gustavo)
Direttive per la sicurezza (ErnestoCappelletti)
EYnfo dall'Alaska (mir)
Apriamo il quadro! (attilio)
H7-25 (asdf)
Passione Elettrica (massimob)
Elettroni a spasso (guidob)
Bloguerra (guerra)





π
mWb
mWb
ω
ϕ1
π
ω
ϕ2
π

![\[I3= V3/Z= V3/10 = 0,577+j0,316 A\] \[I3= V3/Z= V3/10 = 0,577+j0,316 A\]](/forum/latexrender/pictures/f0b1b6b4785facbbb97df3864d086297.png)

