Cos'è ElectroYou | Login Iscriviti

ElectroYou - la comunità dei professionisti del mondo elettrico

Regolatore di carica pulsa... Condensatore?

hi-fi, luci, suoni, effetti speciali, palcoscenici...

Moderatore: Foto UtenteIsidoroKZ

1
voti

[1] Regolatore di carica pulsa... Condensatore?

Messaggioda Foto UtenteMrTaik » 5 dic 2012, 16:03

Salve ragazzi, ho un problema al mio piccolo impianto fotovoltaico che mi sta facendo diventare scemo....
Vi spiego meglio:

La situazione che ho attualmente nel mia piccola stanza "esperimento" è così:

- Pannelli fotovoltaici (uscita totale 40W - 3A - 20V)
- Regolatore di carica da 4A che esce a 13,8V
- 3 Batterie collegate in parallelo da 7,2Ah sempre da 12V (13.8V)
- Un porta faretti con lampade autocostruite con 4 LED da 3V in serie (4x3=12V circa) e rispettivamente collegati a gruppi di 3 in parallelo, quindi per ogni faretto ci sono 12 LED.

Quando le batterie sono in carica normale e non completa i led funzionano benissimo, funzionano bene anche la sera quando non sono in carica;
Quando invece sono in carica e le batterie sono "piene" il regolatore comincia a "buttar via" l'energia in eccesso e allora lì cominciano i problemi... i LED cominciano a lampeggiare estremamente con alla fine la bruciatura di qualche LED...

Nella mia ignoranza, ho pensato di mettere un condensatore, per stabilizzare un pochetto, dove prelevo la corrente per i soli LED (visto che il problema di verifica solo con loro), ma tutto ovviamente nella mia ignoranza, visto che non so nemmeno che mettere! :lol:

Per favore aiutatemi perché non ne ho più voglia di continuare a sostituire LED!! :lol: :lol:

Grazie mille in anticipo, sciauussss a tuttiii!!
Avatar utente
Foto UtenteMrTaik
5 2
 
Messaggi: 40
Iscritto il: 17 ott 2011, 15:35

0
voti

[2] Re: Regolatore di carica pulsa... Condensatore?

Messaggioda Foto UtenteLelettrico » 5 dic 2012, 16:45

Comprensibile direi. Pero prima di fare delle ipotesi, se fai uno schema con Fidocadj (cosi i partecipanti lo possono eventualmente modificare.
Sembra che non limiti la I sui LED .. ma qui serve lo schema che hai effettivamente realizzato
O_/
Avatar utente
Foto UtenteLelettrico
2.458 1 4 6
Master
Master
 
Messaggi: 1108
Iscritto il: 13 set 2010, 12:24

0
voti

[3] Re: Regolatore di carica pulsa... Condensatore?

Messaggioda Foto UtenteMrTaik » 5 dic 2012, 18:41

eh si... praticamente la corrente arriva direttamente ai led dalla batteria (quindi anche dal regolatore)... convinto che la serie risolvesse eventuali problemi con le resistenze che dovevano essere apposte (che comunque consumerebbero corrente a vuoto :D ).

Per quanto riguarda il fidocadj come funziona? io non sono un cima in elettronica!! hahaha

Grazie ancora per l'aiuto
Avatar utente
Foto UtenteMrTaik
5 2
 
Messaggi: 40
Iscritto il: 17 ott 2011, 15:35

0
voti

[4] Re: Regolatore di carica pulsa... Condensatore?

Messaggioda Foto UtenteLelettrico » 5 dic 2012, 18:50

FidocadJ trovi il link al tutorial e allo scaricamento cliccando su Regole del Forum (non si vede molto bene che e' un link bisogna sostare col mouse sopra la scritta nella banda rosa sopra il titolo del post. La dentro trovi tutto l'occorrente, comunque essendo questo tool specificatamente progettato per l'uso in un forum vedrai che e' facile da capire. E' un bare bones insomma e proprio per questo chi ha una modifica da suggerire prende lo schema e lo modifica direttamente :!: =D>
Avatar utente
Foto UtenteLelettrico
2.458 1 4 6
Master
Master
 
Messaggi: 1108
Iscritto il: 13 set 2010, 12:24

0
voti

[5] Re: Regolatore di carica pulsa... Condensatore?

Messaggioda Foto UtenteMrTaik » 5 dic 2012, 19:47

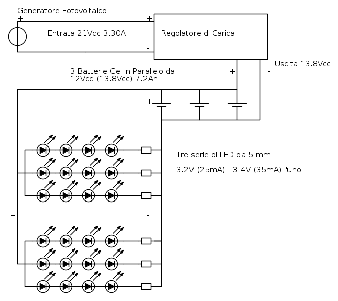
Ho provato a fare il progettino... chiedo scusa in anticipo per il pasticcio, ma come ripeto, non sono molto pratico :D :D

Ecco qui:


P.s. Aiutatemiii!!! hahahah :lol:
Sciauussss a tutti!!! ;-)
Avatar utente
Foto UtenteMrTaik
5 2
 
Messaggi: 40
Iscritto il: 17 ott 2011, 15:35

0
voti

[6] Re: Regolatore di carica pulsa... Condensatore?

Messaggioda Foto UtenteLelettrico » 5 dic 2012, 19:56

Si e' un po torcicollare ma insomma dai va bene vista la rapidita'
Limitare la I in ogni ramo con opportune resistenze. Per i principi base sul calcol oe utilizzo ti rimando ad un articolo di Foto UtenteIsidoroKZ sui LED e loro alimentazione http://www.electroyou.it/isidorokz/wiki/stringhe-di-led-alimentate-a-corrente-costante
Avatar utente
Foto UtenteLelettrico
2.458 1 4 6
Master
Master
 
Messaggi: 1108
Iscritto il: 13 set 2010, 12:24

0
voti

[7] Re: Regolatore di carica pulsa... Condensatore?

Messaggioda Foto Utentemarco438 » 5 dic 2012, 20:04

Come suggerito da Foto UtenteLelettrico devi mettere una resistenza di limitazione su ogni serie di led; suggerirei inoltre di modificare lo schema facendo serie da 3 led ( e non 4) con resistenza da 270 ohm.
I led lavoreranno intorno ai 18/19mA e vedrai che non si bruceranno piu'.
marco
Avatar utente
Foto Utentemarco438
37,1k 7 11 13
-EY Legend-
-EY Legend-
 
Messaggi: 16323
Iscritto il: 24 mar 2010, 15:09
Località: Versilia

0
voti

[8] Re: Regolatore di carica pulsa... Condensatore?

Messaggioda Foto UtenteMrTaik » 6 dic 2012, 9:13

ben bene bene... comincio a vedere la luce (in tutti i sensi!! hahahahah) e se mettessi 3 led in serie però con una resistenza da 100 ohm?
I led dovrebbero lavorare intorno ai 20/25 mA... quindi stando nella "fascia bassa" delle I :roll:

EDIT: con una tensione più bassa non dovrebbero bruciarsi vero? perché mi è venuto un dubbio piccolissimo: non vorrei che le batterie fossero semi scariche (ma non centra nulla con il problema che ho, perché si verifica quando sono sotto carica... #-o )
Avatar utente
Foto UtenteMrTaik
5 2
 
Messaggi: 40
Iscritto il: 17 ott 2011, 15:35

0
voti

[9] Re: Regolatore di carica pulsa... Condensatore?

Messaggioda Foto Utentemarco438 » 6 dic 2012, 9:29

La vita (lunga o corta) dei led dipende da come li fai lavorare e dal fatto che, prima, non usavi resistenze; con 100 ohm di resistenza lavorerebbero oltre i 35mA e defungerebbero a breve termine.
Scendi, al massimo, a 220 ohm.
marco
Avatar utente
Foto Utentemarco438
37,1k 7 11 13
-EY Legend-
-EY Legend-
 
Messaggi: 16323
Iscritto il: 24 mar 2010, 15:09
Località: Versilia

0
voti

[10] Re: Regolatore di carica pulsa... Condensatore?

Messaggioda Foto UtenteMrTaik » 6 dic 2012, 13:50

Bene! sono andato dal mio negoziante di fiducia e ho preso una 22 resistenze a 0,70€ in totale :lol:

Sono da 220 ohm e mi ha chiesto da quanti Watt... non sapendo gli ho detto che mi servivano per alcuni led e me le ha date se non erro da mezzo Watt

Sono di questo colore quindi sono giuste (credo)

rosso - rosso - marrone - oro

Scusate la mia pura ignoranza, ma cosa significano i Watt nella resistenza, davvero scusatemi ma a me piace imparare! hehhehe

Sciauuuusss e grazie ancora!
Avatar utente
Foto UtenteMrTaik
5 2
 
Messaggi: 40
Iscritto il: 17 ott 2011, 15:35

Prossimo

Torna a Elettronica e spettacolo

Chi c’è in linea

Visitano il forum: Nessuno e 20 ospiti