salve, per la terza volta mi trovo costretto a rivolgermi a voi, spero un giorno di poter ricompensare tutto l'aiuto che mi state dando qui.
mentre le altre volte mi era stato possibile fare una "bozza" o un inizio dell'esercizio...questa volta parto completamente da 0, ho studiato e la "teoria" a riguardo la so...ma non riesco proprio a risolvere un esercizio con Kirkoff...per caso qualcuno è così gentile da aiutarmi? grazie in anticipo...
so che devo creare un equazione e a grandi linee so come farla...ma non so proseguirla non so assolutamente cosa farmene di quell'equazione e il prof mi ha detto di risolvere tutto l'esercizio continuando l'equazione...cioè di non utilizzare il classico metodo con le Vab ecc grazie a tutti in anticipo
Esercizio da risolvere con Kirchhoff
Moderatori:
g.schgor,
IsidoroKZ
36 messaggi
• Pagina 1 di 4 • 1, 2, 3, 4
0
voti
Usa la sovrapposizione degli effetti.
http://www.electroyou.it/lillo/wiki/equivalenza
in questo articolo trovi tutto il necessario; lo trovi sicuramente anche nel tuo libro di testo.
http://www.electroyou.it/lillo/wiki/equivalenza
in questo articolo trovi tutto il necessario; lo trovi sicuramente anche nel tuo libro di testo.
"Le domande non sono mai indiscrete. Le risposte lo sono a volte"
Per qualche dollaro in più
Per qualche dollaro in più
0
voti
Intanto il nome è Kirchhoff e la sua teoria
comprende 2 principi, quello delle correnti nei nodi (KCL)
e quello delle tensioni alle maglie(KVL).
Che significa
?
comprende 2 principi, quello delle correnti nei nodi (KCL)
e quello delle tensioni alle maglie(KVL).
Che significa
carlofs95 ha scritto:cioè di non utilizzare il classico metodo con le Vab ecc
?
0
voti
scusate so che non è il metodo migliore ma ho bisogno di un aiuto pratico per finirlo più presto possibile...devo farlo entro stasera...e ne ho altri 5 da fare! diversi...quindi al momento leggere e leggere mi serve davvero a poco...anzi credo...come mi hanno insegnato aiuti precedenti su questo sito che far l'esercizio passo passo con qualcuno che aiuti capisca molto di piu che a legger la teoria e tentare di applicarla da solo...
in sostanza da come ci ha detto il prof devo creare un equazione delle 2 maglie...e questo lo so fare ma poi dovrei risolvere quelle 2 equazioni come in un espressione in matematica non so se mi spiego...abbiate pazienza son a un livello base faccio elettrotecnica da meno di 2 mesi...ma se lunedì non ho questi il 2 me lo prendo lo stesso......grazie a tutti
in sostanza da come ci ha detto il prof devo creare un equazione delle 2 maglie...e questo lo so fare ma poi dovrei risolvere quelle 2 equazioni come in un espressione in matematica non so se mi spiego...abbiate pazienza son a un livello base faccio elettrotecnica da meno di 2 mesi...ma se lunedì non ho questi il 2 me lo prendo lo stesso......grazie a tutti
0
voti
carlofs95 ha scritto:scusate so che non è il metodo migliore ma ho bisogno di un aiuto pratico per finirlo più presto possibile...devo farlo entro stasera...e ne ho altri 5 da fare! diversi...quindi al momento leggere e leggere mi serve davvero a poco...
carlofs95 ha scritto:in sostanza da come ci ha detto il prof devo creare un equazione delle 2 maglie
al massimo vi avrà detto di scrivere due equazioni, le creazioni lasciamole agli dei.
carlofs95 ha scritto:e questo lo so fare
fa vedere...
carlofs95 ha scritto:abbiate pazienza son a un livello base faccio elettrotecnica da meno di 2 mesi...ma se lunedì non ho questi il 2 me lo prendo lo stesso......grazie a tutti
il due lo prendi lo stesso se ti faccio io l'esercizio

0
voti
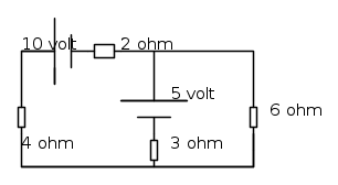
non l'ho messe le lettere li mi son scordato supponiamo che sulla resistenza da 4 ohm l'estremo in alto sia A, l'altro estremo B, l'inizio della resistenza da 3 ohm C quindi di conseguenza dopo D, poi mettiamo E nell'estremo in basso della resistenza da 6 ohm e F sopra...
ABCD= 4 x I1 + 3 x I2 - 5 + 2 x I3 - 10 = 0
DFEC= +6 x I4 +3 x I2 - 5 = 0
più o meno credo di aver reso l'idea...spero sia giusto...da qui non so che altro fare il prof l'ha spiegato al volo in 5 minuti e ha risolto queste equazioni non so come...e non so ottenendo cosa...
il 2 non lo prendo così...perché l'interesse a imparare lo ho...nei giorni passati c'è stato chi mi ha aiutato, e ora quei tipi di esercizi li so risolvere perché ho seguito attentamente ciò che veniva fatto...come una "piccola spiegazione" il 2 è riferito ai compiti, da noi li danno se non li fai...sicuramente seguendo un eventuale vostro aiuto ora passo passo capirei come risolvere l'esercizio anche un'altra volta di fronte al prof, a parte che non è solo una questione di 2, ma anche del fatto che se devo andare a scuola voglio imparare. su questo non ci piove...ma ora ho un esigenza...grazie
ABCD= 4 x I1 + 3 x I2 - 5 + 2 x I3 - 10 = 0
DFEC= +6 x I4 +3 x I2 - 5 = 0
più o meno credo di aver reso l'idea...spero sia giusto...da qui non so che altro fare il prof l'ha spiegato al volo in 5 minuti e ha risolto queste equazioni non so come...e non so ottenendo cosa...
il 2 non lo prendo così...perché l'interesse a imparare lo ho...nei giorni passati c'è stato chi mi ha aiutato, e ora quei tipi di esercizi li so risolvere perché ho seguito attentamente ciò che veniva fatto...come una "piccola spiegazione" il 2 è riferito ai compiti, da noi li danno se non li fai...sicuramente seguendo un eventuale vostro aiuto ora passo passo capirei come risolvere l'esercizio anche un'altra volta di fronte al prof, a parte che non è solo una questione di 2, ma anche del fatto che se devo andare a scuola voglio imparare. su questo non ci piove...ma ora ho un esigenza...grazie
0
voti
Dovresti scrivere le equazioni in Latex.
Comunque hai scritto due equazioni e ci sono 4 incognite, mi sembra. Dal punto di vista matematico non ti sembra che qualcosa non va?
Comunque hai scritto due equazioni e ci sono 4 incognite, mi sembra. Dal punto di vista matematico non ti sembra che qualcosa non va?
"La progettazione, il primo presidio della sicurezza" [Michele Guetta]
1
voti
carlofs95 ha scritto:non l'ho messe le lettere li mi son scordato supponiamo che sulla resistenza da 4 ohm l'estremo in alto sia A, l'altro estremo B, l'inizio della resistenza da 3 ohm C quindi di conseguenza dopo D, poi mettiamo E nell'estremo in basso della resistenza da 6 ohm e F sopra...
E allora mettile! Oltre che ad impiegare di più a scriverle in questo modo, ti pare che chi vuole aiutarti debba scervellarsi per seguire una simile descrizione?
0
voti
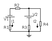
Il consiglio che posso darti è quello di scrivere le equazioni
delle tensioni alle maglie seguendo il circuito in questo modo.
Come vedi I1 e I2 sono le sole incognite (ma attenzione alla R3...)
delle tensioni alle maglie seguendo il circuito in questo modo.
Come vedi I1 e I2 sono le sole incognite (ma attenzione alla R3...)
36 messaggi
• Pagina 1 di 4 • 1, 2, 3, 4
Torna a Elettrotecnica generale
Chi c’è in linea
Visitano il forum: Nessuno e 71 ospiti

Elettrotecnica e non solo (admin)
Un gatto tra gli elettroni (IsidoroKZ)
Esperienza e simulazioni (g.schgor)
Moleskine di un idraulico (RenzoDF)
Il Blog di ElectroYou (webmaster)
Idee microcontrollate (TardoFreak)
PICcoli grandi PICMicro (Paolino)
Il blog elettrico di carloc (carloc)
DirtEYblooog (dirtydeeds)
Di tutto... un po' (jordan20)
AK47 (lillo)
Esperienze elettroniche (marco438)
Telecomunicazioni musicali (clavicordo)
Automazione ed Elettronica (gustavo)
Direttive per la sicurezza (ErnestoCappelletti)
EYnfo dall'Alaska (mir)
Apriamo il quadro! (attilio)
H7-25 (asdf)
Passione Elettrica (massimob)
Elettroni a spasso (guidob)
Bloguerra (guerra)










