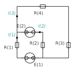
... comunque questo è l'esercizio:(spero si capisca la figura)
Ho incominciato isolando i 2 generatori di tensione:
Chiamo R5 la somma di R3+R4= 40 Ω
Ho impostato un sistema in tre equazioni (le 2 maglie più un nodo) in tre incognite (le tre correnti):



A cui sono arrivato ai risultati:



è giusto fino qui? c'erano altri metodi?? appena finisco il disegno edito la seconda parte con i generatori di corrente dove ho parecchi dubbi...

Elettrotecnica e non solo (admin)
Un gatto tra gli elettroni (IsidoroKZ)
Esperienza e simulazioni (g.schgor)
Moleskine di un idraulico (RenzoDF)
Il Blog di ElectroYou (webmaster)
Idee microcontrollate (TardoFreak)
PICcoli grandi PICMicro (Paolino)
Il blog elettrico di carloc (carloc)
DirtEYblooog (dirtydeeds)
Di tutto... un po' (jordan20)
AK47 (lillo)
Esperienze elettroniche (marco438)
Telecomunicazioni musicali (clavicordo)
Automazione ed Elettronica (gustavo)
Direttive per la sicurezza (ErnestoCappelletti)
EYnfo dall'Alaska (mir)
Apriamo il quadro! (attilio)
H7-25 (asdf)
Passione Elettrica (massimob)
Elettroni a spasso (guidob)
Bloguerra (guerra)














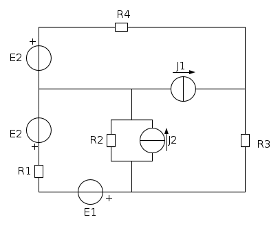
![V_{AB}=\frac{(E_2G_4+J_1)(G_2+G_1)-[(E_1+E_2)G_1-J_2]G_4}{(G_4+G_3)(G_1+G_2+G_3)-G_3^2} V_{AB}=\frac{(E_2G_4+J_1)(G_2+G_1)-[(E_1+E_2)G_1-J_2]G_4}{(G_4+G_3)(G_1+G_2+G_3)-G_3^2}](/forum/latexrender/pictures/3cb39f2c12b54d8b4081c9f1b12d1d0d.png)