L ’utilizzo diretto dell’energia prodotta da un impianto fotovoltaico è più conveniente che regalarla alla rete elettrica nazionale.
Come anticipato in un precedente commento a “Staccarsi dalla rete” di Theremino vi presento il circuito del prototipo che ho realizzato per sapere quando il mio fotovoltaico produce abbastanza potenza per alimentare una stufetta e staccarla quando invece non genera (e quindi si preleva dall’Enel pagando la tariffa intera).
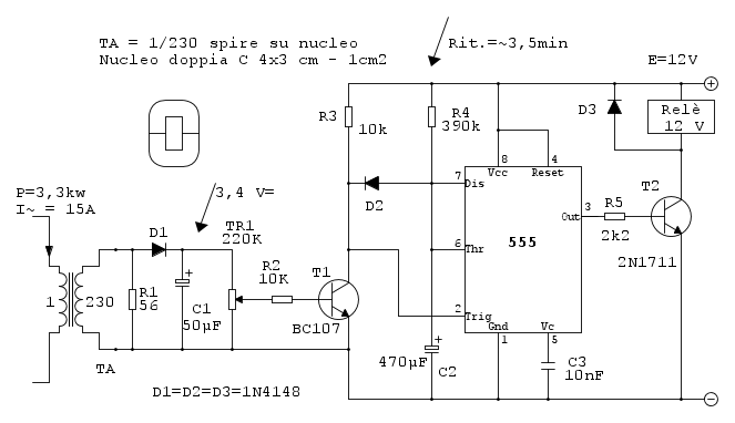
Partiamo dal sensore di corrente alternata, realizzato con un nucleo doppia C con sezione da 1 cm quadrato. Il primario è semplicemente un filo del 220V in uscita dal fotovoltaico fatto passare all’interno del nucleo e per secondario ho avvolto 230 spire di rame smaltato recuperato da un vecchio trasformatore.
La resistenza R1 serve da carico ed evita tensioni pericolose al circuito. Segue un classico raddrizzatore a semionda che alimenta il trimmer da cui è possibile regolare la soglia di intervento del transistor T1.
Questo, quando in conduzione, tiene a livello basso il pin 2 dell’integrato 555, noto timer tuttofare in configurazione monostabile, e quindi l’uscita al pin 3 risulta alta ed il relè è attivo.
Il condensatore C2 è tenuto a livello basso tramite il diodo D2 ed il transistor T1. In tal modo il tempo di ritardo partirà sempre da zero.
Vediamo ora cosa succede quando la potenza generata scende sotto la soglia impostata. Se diminuisce la corrente erogata dal FV sul trimmer TR1 avremo una diminuzione della tensione continua che, ad un certo punto, porterà in interdizione T1. Il pin 2 tornerà a livello alto ma il relè resterà ancora attivo fino a quando il pin 6 non supererà i 2/3 della tensione di alimentazione. Questo avverrà solo dopo che la resistenza R4 avrà caricato il condensatore C2 non più tenuto a massa dal diodo.
Il tempo di ritardo, che non è critico, varia tra i tre e i quattro minuti e dipende dalle tolleranze dei componenti. Se durante questo tempo il FV ritorna a produrre potenza il circuito si resetta ed il relè rimane sempre attivo (ovvero stufetta accesa) altrimenti passati i tre minuti si stacca ed attende paziente il ritorno del sole.
Adesso che tutto è chiaro vi dico che questa è solamente la metà più facile del progetto. Perché va bene in inverno dove serve produrre calore ma in estate che si fa? Se pensate di alimentare un frigorifero con la porta aperta o un condizionatore state sbagliando tutto. Perché il primo funziona con il circuito sopra indicato ma non otterrete nessun raffrescamento se non portate la serpentina in cortile. Il secondo non funziona in modo automatico perché quando ritorna la corrente serve una manina umana che prema il giusto tasto sul telecomando ( a meno di trovare un condizionatore dotato di interruttore e termostato manuali).
Non sempre l’automazione automatizza. Meditate gente,meditate!

Elettrotecnica e non solo (admin)
Un gatto tra gli elettroni (IsidoroKZ)
Esperienza e simulazioni (g.schgor)
Moleskine di un idraulico (RenzoDF)
Il Blog di ElectroYou (webmaster)
Idee microcontrollate (TardoFreak)
PICcoli grandi PICMicro (Paolino)
Il blog elettrico di carloc (carloc)
DirtEYblooog (dirtydeeds)
Di tutto... un po' (jordan20)
AK47 (lillo)
Esperienze elettroniche (marco438)
Telecomunicazioni musicali (clavicordo)
Automazione ed Elettronica (gustavo)
Direttive per la sicurezza (ErnestoCappelletti)
EYnfo dall'Alaska (mir)
Apriamo il quadro! (attilio)
H7-25 (asdf)
Passione Elettrica (massimob)
Elettroni a spasso (guidob)
Bloguerra (guerra)
