Indice |
Premessa
Data la caratura tecnica degli articoli in questo forum, ho avuto qualche titubanza nel voler presentare questo lavoro, ma siccome nessuno nasce "imparato" spero possa essere utile a qualcuno.
Nella mia attività radioamatoriale mi sono trovato spesso a dover risolvere dei problemi senza dover o poter mettere mano al portafoglio, gesto non condiviso dalla maggioranza delle mogli, ma sopratutto perché all'epoca non esisteva internet e la reperibilità di certi componenti era problematica.
Quando realizzai il mio primo transverter per i 10 GHz (nel 1987) il problema della commutazione d'antenna fu risolto usando un relè coassiale da 28 volt recuperato da un vecchio analizzatore HP e, dato che intendevo usarlo in portatile, non mi potevo permettere un consumo elevato considerando che l'avvolgimento da 90 Ohm a 28 Volt assorbe più di 300 mA. Anche costruendo un buon survoltore, col rendimento di quei tempi, solo per far attrarre il relè consumavo circa mezzo ampere! Improponibile data la capacità delle mie batterie da soli 5 Ah che dovevano garantirmi un'autonomia di almeno 8-10 ore.
Si possono trovare, alle varie fiere, dei bellissimi relè coassiali fino a 18 GHz, ma che hanno il "difetto" di lavorare a 24 volt.
Scopo di queste righe è cercare di spiegare come si possa aggirare questa limitazione con un circuitino che potrà, nella maggioranza dei casi, utilizzare un relè alla tensione di 12 volt anche se costruito per funzionare con una tensione di 24 volt.
Cercherò prima di spiegare
alcuni concetti fondamentali
Il relè, di tipo tradizionale, consta di una bobina avvolta su nucleo di ferro, un'ancora mobile ed un gruppo di molle. Può avere uno o più avvolgimenti attivi a seconda dello scopo per cui è stato costruito ma noi, essenzialmente, esamineremo quello che più ci riguarda, ad un solo avvolgimento.
Come avvolgimento "attivo" si intende quello che, quando percorso da corrente, determina la forza magnetica che fa muovere l'ancora.
Fin qui nulla di nuovo.
La determinazione della forza di attrazione di un relè è basata essenzialmente sul numero delle spire dell'avvolgimento e sul valore della corrente; pertanto l'entità della forza di attrazione può essere espressa direttamente in amperspire (Asp).
Il valore della corrente è determinato dalla resistenza ohmica dell'avvolgimento e dalla tensione applicata allo stesso.
Come si è già detto, il numero delle amperspire (Asp) è dato dal prodotto della corrente in A per il numero delle spire.
Si dice perciò che un relè porta 1 Asp quando, moltiplicando il numero delle spire per l'intensità della corrente, si ottiene 1; per esempio:
- 0,5 A e 2 spire = 1 Asp
- 0,01 A e 100 spire = 1 Asp
Non ha importanza in quale rapporto stiano tra loro le due predette grandezze: quello che conta è il prodotto.
Nei nostri relè, difficilmente conosciamo il numero delle spire e quindi non ci è possibile risalire al valore in Asp.
Supponiamo di avere un relè con queste caratteristiche:
- Vl = 12 Tensione di lavoro in volt
- R = 100 Resistenza avvolgimento in ohm
- Ns = 1000 Numero di spire
Quindi
Vediamo che
Se riduciamo la tensione:
Quindi
Vediamo che
Insufficienti, il relè non si muoverà.
Togliamo metà spire lasciando Vl a 6 volt, ovviamente la resistenza dell'avvolgimento diminuirà:
Quindi
Vediamo che
Abbiamo la stessa situazione di prima.
Aumentiamo la corrente raddoppiando la sezione del filo così da ottenere
Quindi
Vediamo che
Ci siamo!
Quanto visto sopra ci fa capire che non basta togliere metà spire per fare funzionare a 12 Volt il nostro relè ma che dobbiamo aumentare la corrente fino a raggiungere il corretto valore in Asp e questo si ottiene solamente raddoppiando la sezione del filo che costituisce l' avvolgimento.
Raramente i relè si prestano a modifiche così sostanziali, ma se qualcuno vuol provare posso solamente augurarli buon lavoro!
Ma
veniamo alla pratica, finalmente!
Prendiamo un alimentatore regolabile da qualche volt fino a circa 30 volt.
Mettiamo sotto tensione l'avvolgimento del nostro relè a 24 volt ed operiamo in modo che la corrente cresca gradatamente e, dopo aver raggiunto il massimo, diminuisca del pari gradatamente, avremo così ottenuto un diagramma nel quale sono messi in evidenza i principali dati di funzionamento del relè.
Dal diagramma appare che il numero delle Asp di eccitazione è sempre più alto del numero delle Asp di caduta; ciò dipende dal fatto che, prima dell'eccitazione, l'ancora è distaccata dal nucleo e l'interferro che ne deriva costituisce una resistenza aggiuntiva per il flusso magnetico.
Una volta eccitato il relè, la predetta resistenza viene a mancare e quindi, a parità di amperspire, il flusso magnetico è maggiore. E' questa caratteristica che noi andremo a sfruttare.
Nel nostro caso abbiamo notato che il punto di attrazione è maggiore di 12V (es. 17 volt) e quindi ci sono buone probabilità che il punto di caduta sia attorno ai 9-10 volt. Se questo accade, a 12 volt il nostro relè è ancora ben attratto!
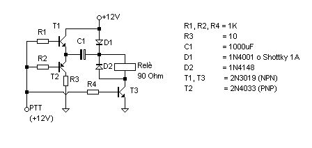
Mi armai di pazienza, e fatte le misure viste precedentemente realizzai il circuito che vi vado a descrivere. Per questo tipo di relè penso di aver toccato il limite e quindi se avete qualcosa di più piccolo, non preoccupatevi che andate sul sicuro!
Vediamo un po'
come funziona
All'accensione (+12V presenti) C1 si carica sull'armatura positiva tramite D1 mentre l'armatura negativa è connessa a massa tramite T2, che è saturo, ed R3 che serve a limitare la corrente iniziale.
Con la presenza di +12V sul punto PTT, T2 si interdice, T3 e T1 si saturano e in questo momento, C1 si trova connesso al +12V con l'armatura negativa ed al relè con quella positiva sommando così la sua tensione ai +12V; in questo preciso istante il relè attrae con la corrente di scarica di C1 e si mantiene sul +12V tramite D1.
Togliendo il +12V dal punto PTT, T1 e T3 si interdicono, il relè si diseccita e T2 si satura, così C1 si carica pronto ad iniziare un nuovo ciclo.
Il dimensionamento dei componenti può variare a seconda delle caratteristiche del relè, quelli elencati sono stati usati per un relè da 90 Ohm a 28 Volt ma, disponendo di relè con resistenza dell'avvolgimento più elevata, si possono adeguatamente modificarne i valori, diminuendo C1 ed aumentando R1,R2,R4; R3 si può anche eliminare.

Elettrotecnica e non solo (admin)
Un gatto tra gli elettroni (IsidoroKZ)
Esperienza e simulazioni (g.schgor)
Moleskine di un idraulico (RenzoDF)
Il Blog di ElectroYou (webmaster)
Idee microcontrollate (TardoFreak)
PICcoli grandi PICMicro (Paolino)
Il blog elettrico di carloc (carloc)
DirtEYblooog (dirtydeeds)
Di tutto... un po' (jordan20)
AK47 (lillo)
Esperienze elettroniche (marco438)
Telecomunicazioni musicali (clavicordo)
Automazione ed Elettronica (gustavo)
Direttive per la sicurezza (ErnestoCappelletti)
EYnfo dall'Alaska (mir)
Apriamo il quadro! (attilio)
H7-25 (asdf)
Passione Elettrica (massimob)
Elettroni a spasso (guidob)
Bloguerra (guerra)