Ben ritrovati. Questo è un piccolo articolo che riguarda la configurazione bridge di un amplificatore e la costruzione di un circuito che permette di collegare un amplificatore stereo a ponte anche se inizialmente non previsto dal costruttore.
Indice |
Premessa
Cosa si intende per collegamento a ponte?
Ipotizziamo di avere uno stereo a 2 vie da 100w su 4 ohm per via. Se colleghiamo insieme le 2 vie otteniamo un uscita monofonica, ma si avrà una potenza quadruplicata.
W = V2 / R
A quanto corrisponde la corrente erogata dall'amplificatore collegato a ponte?
La corrente corrisponderà alla formula:
I = VW / R
Dobbiamo però a questo punto considerare che la corrente non si ripartisce tra gli amplificatori ma è la stessa che
circola in entrambi quindi è come se si avesse un carico di 2 ohm...
Quindi, per evitare di danneggiare l'amplificatore dobbiamo raddoppiare l'impedenza dei diffusori: a fronte di 4 ohm
dovremo mettere dei diffusori da 8 ohm, ottenendo cosi "solamente" un raddoppio della potenza (facendo passare cosi metà della corrente).
Quando si può collegare un amplificatore a ponte?
Un amplificatore può essere connesso a ponte solo se le due uscite sono sfasate di 180 gradi tra loro, quindi bisogna controllare se ciò è previsto dal costruttore oppure bisogna realizzare un circuito che ci divida il nostro suono in due segnali sfasati tra loro:
Attenzione però: se le uscite dell'amplificatore sono già ponticellate internamente si rischia di danneggiare l'amplificatore
Vantaggi e svantaggi di questa configurazione
- Vantaggio: si ottengono alte potenze anche con una tensione di alimentazione bassa.
- Svantaggio: bisogna raddoppiare l'impedenza dei diffusori per non sovraccaricare l'amplificatore
- Vantaggio/Svantaggio : si ottiene un notevole aumento di potenza a fronte però della trasformazione da stereo a mono.
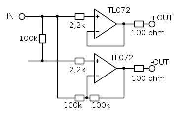
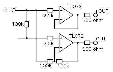
Il circuito sfasatore
Per sfasare un segnale, su livello teorico basterebbe solo un operazionale ma cosi ci ritroveremo con due segnali con un ampiezza del segnale non uguali tra loro. Servono quindi due operazionali, uno che inverte ed amplifica ed uno che amplifica solamente. Dopo varie ricerche sul web ho trovato questo schema:
Per quanto riguarda l'alimentazione deve essere duale, non c'è un valore consigliato ma l'importante è non superare la tensione massima di 18 volt duali, pena il danneggiamento dell'operazionale (consiglio 9-12 volt duali). Gli operazionali come vedete nello schema erano dei TL072 ma, avendo già a disposizione dei TL071 inutilizzati decisi di chiedere sul forum se fossero intercambiabili. Avuta la conferma ho proceduto al montaggio su millefori e ne ho subito testato il suo effettivo funzionamento, nonostante però non abbia ancora un oscilloscopio.
Realizzazione su millefori
Questa volta, a differenza delle altre non ho utilizzato spezzoni di filo per i collegamenti ma ho realizzato le piste con lo stagno. Ho utilizzato ovviamente più stagno con questo metodo ma mi ritengo molto soddisfatto del risultato:
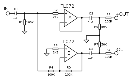
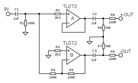
Piccolo miglioramento
Sotto consiglio di DarwinNE e MavKtr ho aggiunto dei condensatori sull'ingresso e le uscite in modo da disaccoppiare la corrente continua. Inoltre dei condensatori sull'alimentazione filtrano eventuali disturbi.
Conclusioni
Come potete immaginare la spesa è veramente bassa e la realizzazione idem.
Perdonate se l'articolo non è molto esauriente ma volevo parlare soprattutto della realizzazione pratica
rispetto alla teoria.
Con questo è tutto, ci vediamo alla prossima.

Elettrotecnica e non solo (admin)
Un gatto tra gli elettroni (IsidoroKZ)
Esperienza e simulazioni (g.schgor)
Moleskine di un idraulico (RenzoDF)
Il Blog di ElectroYou (webmaster)
Idee microcontrollate (TardoFreak)
PICcoli grandi PICMicro (Paolino)
Il blog elettrico di carloc (carloc)
DirtEYblooog (dirtydeeds)
Di tutto... un po' (jordan20)
AK47 (lillo)
Esperienze elettroniche (marco438)
Telecomunicazioni musicali (clavicordo)
Automazione ed Elettronica (gustavo)
Direttive per la sicurezza (ErnestoCappelletti)
EYnfo dall'Alaska (mir)
Apriamo il quadro! (attilio)
H7-25 (asdf)
Passione Elettrica (massimob)
Elettroni a spasso (guidob)
Bloguerra (guerra)



