Un argomento del forum mi ha indotto alla "ristampa" di un vecchio articolo sulla bobina Petersen.
Inevitabile però ampliarlo con l'analisi delle diverse modalità di collegamento a terra del neutro dei generatori, una messa a terra di funzionamento che serve a garantire un corretto esercizio della rete.
Indice |
Generalità
Il guasto a terra di una fase, è il guasto elettrico più frequente nelle linee di distribuzione.
Il modo di collegamento a terra del neutro si ripercuote su regolarità, sicurezza e continuità del servizio. Da esso dipendono infatti l'entità delle correnti di guasto, le sovratensioni conseguenti, la possibilità di una loro rapida rivelazione ed eliminazione. Elevate correnti di guasto producono forti cadute di tensione, surriscaldamenti con possibile fusione di conduttori e distruzione dell'isolamento, sforzi elettrodinamici che possono pregiudicare l'integrità meccanica delle macchine, tensioni di contatto potenzialmente pericolose, disturbi ad impianti di telecomunicazione posti nelle vicinanze.
Schema di riferimento
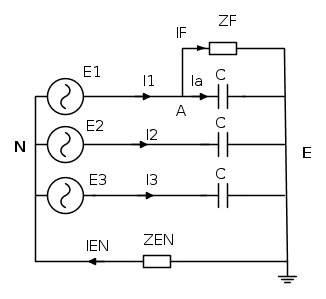
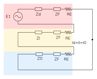
Nel sistema costituito da una linea alimentata da un trasformatore con centro stella collegato a terra mediante un'impedenza
, si ha, nella fase uno, un guasto la cui impedenza è indicata con
.
Utlizziamo il seguente schema per rappresentare la situazione
- Note
- I pedici provengono dalle norme internazionali: E: Earth (terra), F: Fault (guasto)
- Nello schema sono trascurate le impedenze longitudinali (linea e trasformatore) e considerate unicamente le capacità verso terra. Trascurare le impedenze logitudinali semplifica i calcoli ovviamente, ma è lecito quando il sistema non è di grande estensione. Ciò può andare bene per reti in media tensione, ma non nelle reti ad alta tensione in quanto la reattanza della capacità verso terra diventa, in questo caso, confrontabile con l'impedenza longitudinale. Anche il valore dell'impedenza di messa a terra
non deve essere eccessivamente piccolo. Vedremo infatti che quando la ipotizzeremo nulla, per poter calcolare la corrente di guasto franco sarà necessario considerare le impedenze longitudinali.
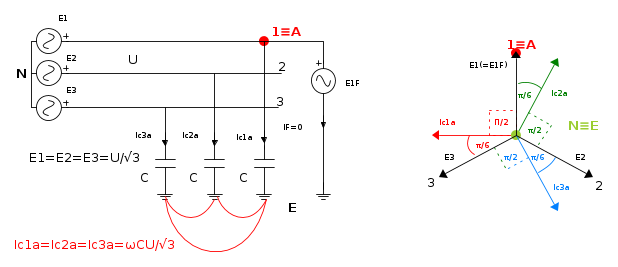
- Per ogni fase consideriamo una capacità pari a C = lc , essendo l l'estensione in lunghezza del sistema di distribuzione trifase e c la capacità per unità di lunghezza rispetto a terra. Tale capacità è dell'ordine del 70% della capacità di esercizio, ce, (il rimanente 30% è da attribuire alle mutue capacità tra i conduttori), ricavabile con la
- dove
- d è il diametro dei conduttori
è la media geometrica delle mutue distanze tra i conduttori mentre ::
è la media geometrica delle distanze tra conduttori e terreno. Per linee aeree la capacità di esercizio assume valori dell'ordine di
mentre quello delle linee in cavo è nettamente superiore, da 20 a 70 volte, per la minore distanza tra i conduttori e per la maggior costante dielettrica dell'isolante.
- La capacità unitaria rispetto a terra è dunque
, quindi, per le linee aeree è dell'ordine dei
- Prima del guasto le correnti nelle tre capacità sono uguali in modulo e pari alla tensione stellata del sistema moltiplicata per la suscettanza verso terra :
; la corrente nell'impedenza di messa a terra del centro stella è nulla:
.
Calcolo della corrente di guasto
Il valore della corrente di guasto serve per dimensionare le protezioni. Da esso e dalla conformazione dell'impianto di terra dipende la tensione di contatto nella zona circostante al punto in cui il guasto si verifica, che non deve superare i 50 V.
La Norma CEI EN 50522 non considera più le tensioni di passo, ritenendo sufficiente, ai fini della sicurezza, mantenere le tensioni di contatto entro i limiti. Essa è una parte della tensione totale di terra, prodotto della corrente di guasto IF, per la resistenza di messa a terra dell'impianto RE. Valori di
si possono facilmente ottenere in terreni di pianura con resistività dell'ordine di
.
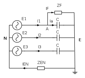
Riferendoci a reti di distribuzione in media tensione, se ammettiamo che l'impianto di terra della cabina di trasformazione MT/BT sia realizzato in modo tale che la tensione di contatto non superi il 20% della tensione totale di terra, UE, il valore della corrente di guasto non pericolosa è 
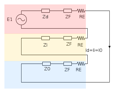
In base alle ipotesi fatte in precedenza, ci riferiremo al seguente circuito
Il calcolo di IF può essere sviluppato in vari modi. Per esercizio lo affronteremo dapprima con il metodo del generatore equivalente (Thevenin), successivamente con la teoria delle componenti simmetriche.
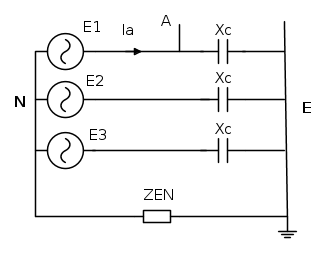
Generatore di Thevenin
Si deve ricavare il generatore che alimenta il guasto tra il punto A e la terra E, quindi determinare la
che è la tensione esistente tra A e E a vuoto, cioè prima del guasto, e l'impedenza equivalente
vista tra A e E dopo aver spento i generatori di tensione (sostituiti con un cortocircuito)
Calcolo di 
Supponendo simmetrica la terna delle tensioni, la tensione tra i centri stella N e E è nulla.
La tensione tra A e E, è la forza elettromotrice del generatore di Thevenin visto tra i due punti, che alimenta il guasto, e coincide con la tensione di fase
(è la tensione fase-terra in assenza di guasto). Quindi

Calcolo di 
Spegnendo i tre generatori di tensione, quindi sostituendoli con un cortocircuito, A coincide con N e l'impedenza equivalente di Thevenin si ricava dal circuito seguente
Le tre reattanze capacitive sono in parallelo all'impedenza di messa a terra del neutro. Quindi
poiché


La corrente di guasto
la calcoliamo dunque con
Ponendo in evidenza la capacità rispetto a terra si ha

dividendo numeratore e denominatore del primo addendo per
si ottiene
- Osservazioni
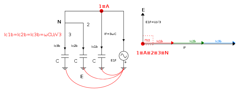
- Nel caso di guasto franco, cioè per
, la corrente di guasto diventa

- il primo addendo,
, è la corrente nell'impedenza di messa a terra; il secondo,
, la corrente che percorre le capacità verso terra delle fasi sane; quella relativa alla fase guasta è nulla in quanto cortocircuitata dal guasto franco. Tale corrente è uguale, in modulo, alla somma dei moduli delle correnti nelle tre capacità verso terra prima del guasto.
- Come ovvio possiamo vederlo considerando lo schema che rappresenta questa situazione
- dal quale si possono ricavare

- Se valutiamo la potenza reattiva in gioco nelle capacità verso terra, troviamo che dopo il guasto, questa diventa il doppio.
- Infatti, prima del guasto vale QCi = 3ωCE2 ; dopo QCF = 2ωCU2 , per cui, ricordando che
si ha
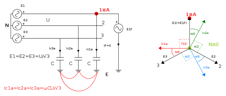
Componenti simmetriche
La corrente di guasto è la somma delle componenti di sequenza diretta
, inversa
, e zero (omopolare)
della corrente. Il guasto a terra corrisponde alla serie dei tre bipoli di sequenza, visti nel punto di guasto.
Si suppone che la terna delle tensioni sia simmetrica, quindi che non esistano tensioni di sequenza inversa e zero. Per l'ipotesi fatta di trascurare le impedenze longitudinali, il bipolo alla sequenza diretta è la serie della tensione di fase con l'impedenza di guasto; quello di sequenza inversa corrisponde alla sola impedenza di guasto; il bipolo di sequenza zero alla serie dell'impedenza di guasto con il parallelo della reattanza dovuta alla capacità rispetto a terra con il triplo dell'impedenza di messa a terra del neutro.

quindi

da cui

(uguale all'espressione [2] già trovata, per fortuna e conforto :) )
- nota
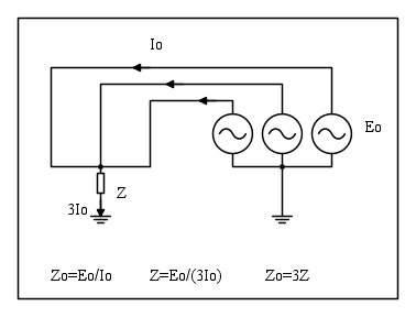
- Forse ci si può chiedere il perché
sia moltiplicato per tre nel bipolo di sequenza zero. L'impedenza di sequenza zero si ottiene imponendo nella sezione considerata tre generatori in fase, dopo aver annullato le fem di rete ed eseguendo il rapporto tra la fem del generatore imposto e la corrente di una fase. L'impedenza di messa a terra è percorsa da una corrente pari a tre volte quella di fase. La figura illustra quanto detto
Altre grandezze relative al guasto
Tensione tra terra e neutro
Applicando Millman si ottiene
Tensione tra fase guasta e terra
Tensione tra fasi sane e terra
Corrente nell'impedenza di messa a terra
Modalità di messa a terra del neutro
Neutro isolato
La condizione che lo definisce è
I valori delle grandezze elettriche di interesse si ottengono dunque facendo tendere all'infinito
nelle precedenti espressioni. Quindi abbiamo
![{{\dot I}_F} = \frac{{{{\dot E}_1}}}{{{{\dot Z}_F} - {\text{j}}\frac{{{X_C}}}{3}}} = {\dot E_1}\frac{{{\text{j}}3\omega C}}{{1 + {\text{j}}{{\dot Z}_F}3\omega C}} \quad [7]](/mediawiki/images/math/e/4/d/e4db3f7211f141b7d53c339c84ca29f1.png)
![{{\dot U}_{EN}} = \frac{{\frac{{{\dot E_1}}}{{{{\dot Z}_F}}}}}{{\frac{1}{{{{\dot Z}_F}}} + {\text{j}}\frac{3}{{{X_C}}}}} = {{\dot E}_1}\frac{1}{{1 + {\text{j}}\frac{{3{{\dot Z}_F}}}{{{X_C}}}}} = \frac{{{{\dot E}_1}}}{{1 + {\text{j}}3\omega C{{\dot Z}_F}}} \quad [8]](/mediawiki/images/math/8/d/8/8d879ec348e9886a531ae9fbcbb7814c.png)
![\dot U_F = {{\dot E}_1}\frac{{{\text{j}}3\omega C{{\dot Z}_F}}}{{1 + {\text{j}}{{\dot Z}_F}3\omega C}}=\text{j} \dot Z_F 3 \omega C \dot U_{EN} \quad [10]](/mediawiki/images/math/3/b/0/3b05ad258b5ac259fd910e970538fb70.png)
Guasto resistivo
E' definito da
L'impedenza di guasto è un numero reale puro.
Si ha per la tensione terra-neutro, posto 

Il valore della tensione tra terra e neutro è pari alla tensione stellata
ed in fase con la tensione della fase guasta,
per guasto franco (RF = 0), nullo in assenza di guasto
e, per l'intervallo di valori
assume un valore intermedio. L'estremo del fasore
al variare di RF si muove sulla semicirconferenza di diametro E essendo
la somma di due fasori ortogonali
ed
- NB
- moltiplicare un vettore per jk significa infatti ruotarlo di
in senso antiorario modificando il modulo secondo il fattore k = 3ωCRF nel caso specifico.
Si ha perciò il seguente diagramma fasoriale che mostra anche le tensioni delle fasi sane rispetto a terra, pari ad E se non c'è guasto e pari alla concatenata se il guasto è franco.
- NB:
è la componente omopolare, cambiata di segno, delle tre tensioni di fase rispetto a terra. Lo possiamo ovviamente verificare
- e per le [5]
- La componente omopolare è definita come
- quindi sostituendo si ha

- quindi

Il valore della corrente di guasto
è massimo quando il guasto è franco
e vale

e dipende solo dalla capacità rispetto a terra.
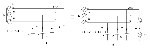
- Nota 1
- Interessante è esaminare il regime delle correnti prima e dopo il guasto franco, Allo scopo osserviamo che al collegamento equipotenziale che rappresenta il guasto franto tra A ed E, può essere sostituito da due generatori ideali di tensione in serie ed in opposizione di fase tra loro. Teoricamete la loro forza elettromotrice può essere qualsiasi, ma la prenderemo uguale alla tensione stellata del sistema ed in modo che la fase di uno dei due coincida con
. Ciò comporta l'equivalenza dei due schemi seguenti
- Possiamo a questo punto applicare la sovrapposizione degli effetti. Nel primo schema parziale, cortocircuitiamo il generatore
che ha il + verso E. Otteniamo
- Lo schema precedente corrisponde alla situazione prima del guasto.
e le tre correnti sulle capacità verso terra formano un sistema equilibrato. Ciascuna corrente è quella assorbita dalla capacità verso terra della fase sottoposta alla tensione stellata del sistema. Il modulo è
. Le tre correnti si richiudono nel terreno seguendo percorsi del tipo segnato in rosso.
- Ora cortocircuitiamo i generatori precedenti e riaccendiamo quello in precedenza cortocircuitato. Otteniamo lo schema
- Il generatore
produce nelle tre capacità verso terra tre correnti uguali ed in fase tra loro ed uguali, in modulo, a quelle del precedente schema. Esse si richiudono attraverso il terreno secondo i percorsi segnati in rosso e, sommate, danno luogo alla corrente di guato
. E' riportato anche il diagramma fasoriale ( dove le correnti sono in quadratura di ritardo rispetto alla tensione in quanto si riferiscono ai versi indicati nel disegno che sono opposti a quello che corrispondono alla usuale convenzione usata per il condensatore, cioè quella di utilizzatore.)
- Sommando ora gli effetti, otteniamo la situazione in regime di guasto
- La corrente nella capacità della fase guasta è nulla. Nelle altre due capacità circolano due correnti che sono
volte maggiori di quelli esistenti prima del guasto; infatti ora le capacità sono sottaposte alla tensione concatenata rispetto a terra delle fasi sane. Le due correnti si sommano vettorialmente dando luogo alla corrente di guasto.
- Nota 2
- Se indichiamo con ca la capacità unitaria delle linee aeree (F / km) e con cc quella dei cavi, si può scrivere
- C = cala + cclc con la ed lc rispettivamente le lunghezze in chilometri di linee aeree e linee in cavo. Esprimendo in kV la tensione avremo allora che la corrente in ampere è data da
- Se attribuiamo alle linee aeree ed in cavo, rispettivamente i valori di capacità unitaria verso terra pari a
- sotituendo abbiamo la formula
- IF = (0,003la + 0,2lc)U che le Norme CEI ( vedi ad es CEI 0-16, 5.2.1.7) forniscono per il calcolo approssimato della corrente di guasto nelle reti a neutro isolato. Alla tensione di 20 kV ogni kilometro di linea aerea fornisce alla corrente di guasto 0,06 A, mentre ogni kilometro di linea in cavo fornisce 4 A.
Guasto puramente induttivo
Posto
sostituendo nella [8] si ha
Se 3ω2CLF = 1 cioè se si realizza la condizione di risonanza per cui
il valore della tensione neutro-terra tende all'infinito per cui si ha sicuramente un rapido cedimento dell'isolamento.
Osservazioni
- Le grandezze elettriche calcolate (corrente di guasto, tensioni delle fasi rispetto a terra, ecc.) non dipendono dalla posizione del guasto ma solo dal valore dell'impedenza di guasto e della totale capacità verso terra della rete.
- Ricordiamo che nelle formule precedenti si trascurano le reattanze longitudinali di linee e macchinari. Ciò è accettabile per le reti di bassa e media tensione, per le quali la reattanza delle capacità rispetto a terra è molto maggiore delle reattanze longitudinali induttive, ma non per quelle ad alta tensione, nelle quali le due reattanze diventano confrontabili. In queste reti dunque, tenendo conto di entrambe le reattanze, poiché le longitudinali compensano le capacitive, le correnti di guasto e le tensioni di fase verso terra risultano sensibilmente maggiori di quelle date dalle precedenti formule e potrebbero essere addirittura molto maggiori di quelle che si verificano con neutro direttamente a terra. Il valore della corrente di guasto, nonché delle altre grandezze che da essa dipendono, non è più indipendente dalla posizione del guasto, in quanto essa determina il valore delle impedenze longitudinali di cui tenere conto.
- I calcoli mostrati si riferiscono al regime permanente. In presenza però di brusche variazioni di tensione, si hanno fenomeni transitori con sovratensioni che possono assumere valori più elevati di quelli a regime, a frequenze maggiori di quella di rete. Lo studio preciso è complicato e qui ci limitiamo a fornire una descrizione sommaria di tali fenomeni. Ad esempio, con guasto franco di una fase, divenendo la tensione sulle fasi sane pari alla concatenata, l'energia accumulata nelle rispettive capacità verso terra triplica mentre quella relativa alla fase guasta si annulla. Complessivamente l'energia accumulata nella capacità verso terra della rete, raddoppia rispetto a quella a regime prima del guasto (vedi quanto già mostrato in precedenza: [2b]). Tale variazione di energia dà luogo a sovratensioni frequenza abbastanza più elevata di quella di rete, di ampiezza pari a 2,5 volte la tensione di fase. Quando la corrente di guasto si annulla, l'arco formatosi nel punto di guasto si annulla. Entra in gioco di nuovo, a questo punto, la capacità rispetto a terra della fase quasta, il sistema delle tensioni verso terra si riequilibra, ma l'eventuale eccesso di carica immagazzinata dà luogo a nuove sovratensioni. Se riadesca l'arco le sovratensioni che si manifestano sulle linee ad alta tensione possono anche essere dieci volte maggiori della tensione stellata.
Neutro direttamente a terra
E' definito da

Sostituendo nelle solite forumule
![{{\dot I}_F} = \frac{{{{\dot E}_1}}}{{{{\dot Z}_F}}} \quad [11]](/mediawiki/images/math/7/8/a/78accd4b314b8c29a1e73060cf20fe5b.png)

![{{\dot I}_{EN}} = \frac{{{{\dot E}_1}}}{{{{\dot Z}_F}}} \quad [12]](/mediawiki/images/math/b/7/6/b76df3dc725baf1b2edc9c9788bc6db9.png)
Con guasto franco la corrente di guasto tende teoricamente ad infinito, ma ciò è dovuto al fatto di aver trascurato le impedenze logitudinali che la limitano. Essa può essere calcolata ricorrendo alla teoria delle componenti simmetriche. Il guasto a terra è riconducibile alla serie dei tre bipoli di sequenza visti dal punto di guasto, come già visto. Se consideriamo anche la resistenza di messa a terra RE dell'impianto in cui avviene il guasto, il circuito da considerare è
Quindi sarà
E' sempre una corrente molto elevata in quanto è in pratica una corrente di cortocircuito, ma il guasto può essere rapidamente eliminato con relè di massima corrente o ad impedenza. Le tensioni rispetto a terra delle due fasi sane non subiscono però grandi variazioni, per cui le capacità verso terra non variano di molto l'energia immagazzinata, producendo sovratensioni di ampiezza limitata. Secondo le norme CEI, la massima tensione che possono assumere le fasi sane in caso di guasto, non deve superare l'80% della concatenata, e ciò si ottiene abbastanza facilmente collegando il neutro a terra anche di un limitato numero di trasformatori.
Il neutro direttamente a terra è perciò praticamente obbligatorio nelle reti ad alta tensione, perché facilita il coordinamento dell'isolamento per la limitazione delle sovratensioni. Le elevate correnti per guasto a terra sono, come detto, rapidamente interrotte dalle protezioni, e gli impianti di terra sono ben progettati in modo da limitare ai valori di sicurezza le tensioni di contatto cui esse danno luogo.
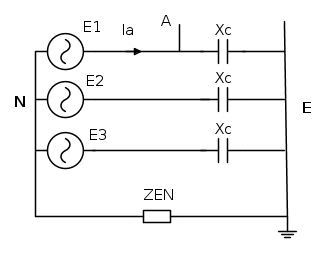
Esercizio
Data la rete di figura calcolare la corrente di guasto permanente nel punto A della lina AT, tenendo conto che il netro del trasformatore è direttamente a terra e ritenendo nulle sia l'impedenza di guasto che la resistenza di terra. Si trascurino le resistenze.
In base alla [14] occorre determinare le impedenze alle sequenze che coincidono in pratica con le reattanze, come del resto suggerisce.
La reattanza alla sequenza diretta della linea aerea, uguale per le tre fasi ( (conduttori regolarmente trasposti) ed uguale a quella della sequenza inversa, è data dal prodotto della reattanza chilometrica per la distanza del guasto. Quindi

La reattanza alla sequenza zero dipende dalla disposizione dei conduttori, dalla presenza della fune di guardia, dal valore della resistività del suolo, dalla distribuzione nel suolo della corrente di ritorno; in genere essa un valore che va da tre a cinque volte la reattanza diretta. Assumeremo un valore pari a tre volte quello corrispondente alla reattanza precedentemente calcolata. Quindi

La reattanza alla sequenza diretta del trasformatore e uguale sia alla reattanza alla sequenza inversa che a quella alla sequenza zero. Infatti nel collegamento triangolo stella con centrostella a terra, la circolazione delle correnti omopolari è possibile nell'avvolgimento a stella per il neutro francamente a terra e possono circolare pure al primario richiudendosi nel triangolo senza iteressare il collegamento con il generatore. Tale reattanza corrisponde in pratica all'impedenza di cortocircuito.

Per il generatore sincrono, ipotizzando che l'alternatore disponga di un regolatore rapido di tensione, che, a regime, annulla la caduta dovuta alla reazione di indotto, occorre considerare la reattanza di dispersione per la reattanza di sequenza diretta, mentre per quella di sequenza inversa assumeremo il vaore della reattanza subtransitoria.
Assumendo come grandezze di base

quindi

avremo

La reattanza alla squenza zero del generatore non va considerata in quanto non interessato dalle correnti omopolari che si chiudono nel triangolo del trasformatore.
In definitiva le reattanze per la [14] sono date da



per cui la corrente di guasto nel punto A è data da
Neutro a terra mediante resistenza
L'impedenza di messa terra è, matematicamente, un numero reale positivo

Sostituendo nelle formule del caso generale

![{{\dot I}_F} = \frac{{{\text{j}}3{R_E}\omega C{{\dot E}_1}}}{{{{\dot Z}_F} + {R_{EN}}\left( {{\text{j}}3{{\dot Z}_F}\omega C + 1} \right)}} + \frac{{{{\dot E}_1}}}{{{{\dot Z}_F} + {R_{EN}}\left( {{\text{j}}3{{\dot Z}_F}\omega C + 1} \right)}} \quad [15]](/mediawiki/images/math/b/7/0/b70d8117385b370b5fb26320a4137178.png)
![{{\dot I}_{EN}} = \frac{{{{\dot E}_1}}}{{{{\dot Z}_F} + {R_{EN}}\left( {1 + {\text{j}}3\omega C{{\dot Z}_F}} \right)}}\quad [17]](/mediawiki/images/math/6/1/9/6195c68f2a4e168c91b60d6b83167035.png)
![{{\dot U}_F} = {{\dot Z}_F}{{\dot I}_F} = {{\dot E}_1}\frac{{{{\dot Z}_F}\left( {1 + {\text{j}}3\omega C{R_{EN}}} \right)}}{{{{\dot Z}_F} + {R_{EN}}\left( {1 + {\text{j}}{{\dot Z}_F}3\omega C} \right)}}\quad [18]](/mediawiki/images/math/8/1/1/811a815635e653019cdcba7da158516a.png)
Se il guasto è franco
si hanno



La corrente di guasto è maggiore che nel collegamento a neutro isolato, ma minore di quella con collegamento diretto a terra del neutro e si può limitarla al valore più opportuno, relativamente al funzionamento delle protezioni adottate, dimensionando la REN.
Negli impianti industriali con cabina AT/MT, quindi con media tensione interna all'impianto utilizzatore, il neutro della media è bene sia a terra mediante resistenza. La resistenza va scelta in base alla corrente di guasto che si desidera ottenere. Correnti basse di qualche decina di ampere, salvaguardano maggiormente il ferro delle macchine, interessato dalla corrente di guasto, ma rende più difficoltosa la protezione con relè di massima corrente (51N) in quanto tendono ad essere dell'ordine delle correnti capacitive dell'impianto, con conseguente possibilità di interventi intempestivi.
Correnti di terra di alcune centinaia di ampere non hanno questo problema, ma possono sollecitare troppo il ferro delle macchine.
La soluzione in genere adottata è di una corrente di terra di 100 A.
In bassa tensione si può ritenere trascurabile la capacità rispetto a terra, quindi considerare C = 0, per cui assumendo che l'impedenza di guasto sia anch'essa una pura resistenza
, la corrente di guasto dipende solo dalle due resistenze

La tensione di fase si ripartisce tra le due resistenze. Il valore della resistenza va scelto in base alla corrente di guasto da ottenere.
Neutro a terra con bobina Petersen (neutro compensato)
La bobina Petersen può essere schematizzata con una induttanza L, quindi con una reattaza XL = ωL = 2πfL, con f frequenza di rete, in parallelo ad una resistenza. In prima approssimazione comunque, trascuriamo la resistenza essendo molto maggiore della reattanza. Se si fa in modo che sia allora
sostituendo in [2a] si ottiene

La corrente di guasto è dunque nulla qualunque sia il valore di
. La bobina di Petersen si dice in tal caso accordata con la capacità verso terra della rete.
Se non è realizzata la precedente condizione, la corrente di guasto, a parità di L e di C, assume un valore tanto più elevato, quanto minore è il valore dell'impedenza di guasto. E' dunque massima per un guasto franco Ponendo
e ponendo in evidenca l'induttanza della bobina e la capacità verso terra della rete, il modulo della corrente di guasto si ricava con
![{I_F} = \frac{{3{\omega ^2}LC - 1}}{{\omega L}}E = \frac{U}{{\sqrt 3 }}\frac{{3{\omega ^2}LC - 1}}{{\omega L}} \quad [20]](/mediawiki/images/math/d/8/5/d85376ee6e07fccb5a80150219c8e7df.png)
L'espressione precedente mostra che si può fare in modo di stabilire un valore di L per imporre una determinata corrente di guasto; basta ricavare L
Tornando all'ipotesi di bobina accordata, sostituendo la [19] nella [6] si ricava la corrente che la percorre
![{{\dot I}_{EN}} = \frac{{{{\dot E}_1}}}{{{{\dot Z}_F} + {\rm{j}}\frac{1}{{3\omega C}}\left( {1 + {\rm{j}}3\omega C{{\dot Z}_F}} \right)}} = \frac{{{{\dot E}_1}}}{{{{\dot Z}_F} + {\rm{j}}\frac{1}{{3\omega C}} - {{\dot Z}_F}}} = - {\rm{j}}3\omega C{{\dot E}_1} \quad [22]](/mediawiki/images/math/2/a/6/2a6c6a29387344342626c71f30fbe8fd.png)
![{{\dot U}_{EN}} = {{\dot E}_1 \quad [23]}](/mediawiki/images/math/d/c/e/dce67abdfabf04e4692598ad74a46d33.png)
La corrente nella bobina è dunque uguale in valore alla corrente nelle capacità verso terra (come richiede la condizione di risonanza imposta del resto).
La corrente di guasto non può essere completamente annullata in quanto essa si compone di una parte attiva dovuta alle perdite dei vari componenti di rete (trasformatore, bobina stessa, conduttanza trasversale per isolamento non perfetto) e, oltre alla componente a frequenza di rete, contiene armoniche. L'induttanza della bobina viene dimensionata per compensare l'armonica fondamentale della corrente capacitiva e la corrente residua è in genere dell'ordine del 10% di essa.
In pratica la corrente di guasto nel sistema di distribuzione MT in Italia, è limitata ad un valore stabilito che è
a
e di
a
.
La reattanza della bobina può avere un valore fisso, scelto in base alle caratteristiche della rete, oppure regolabile automaticamente da un sistema di controllo denominato DAN (Dispositivo Analizzatore Neutro). All'interno della bobina ci sono due colonne ferromagnetiche ed il traferro che le separa è regolato dal DAN.
I valori riportati sono adottati da ENEL distribuzione per una rete a 20 kV. La resistenza Rp è alimentata a 500 V da un avvolgimento accoppiato con la bobina.
La resistenza in parallelo Rp aumenta la componente attiva della corrente di guasto (tipicamente correnti dai 20 A ai 30 A) garantendo il sicuro intervento delle protezioni direzionali di terra; inoltre favorisce l’autoestinzione degli archi a terra. Quella in serie, Rs, limita la durata della componente unidirezionale della corrente di guasto, evitando la saturazione dei TA toroidali che alimentano la protezione direzionale di terra.
Considerazioni conclusive
Il guasto a terra di una fase è il più frequente negli impianti elettrici.
Esso dà luogo ad una corrente nel terreno circostante, ed altera la tensione delle fasi sane rispetto a terra. Il valore della corrente e l'entità delle tensioni dipendono dal modo in cui il neutro del sistema è collegato al terreno.
Se non vi è alcun collegamento metallico (neutro isolato) la corrente di guasto è determinata dalla capacità rispetto a terra fondamentalmente, e da una dispersione resistiva dovuta al non perfetto isolamento. In un sistema trifase 400 V, la corrente capacitiva può essere stimata sui 0,4 A per ogni MVA di potenza installata. Generalmente dunque, anche per grossi impianti, la corrente è modesta (qualche ampere) ed è agevole soddisfare la condizione di sicurezza per l'impianto di terra
. Ciò permette di non interrompere immediatamente il circuito non essendoci pericolo per le persone. Occorre però segnalare il guasto ed eliminarlo prima che si verifichi un secondo guasto che pregiudicherebbe la sicurezza, secondo guasto che, tra l'altro, diventa probabile per le sovratensioni che si producono con il primo nelle fasi sane.
Il neutro isolato può essere adottato negli impianti utilizzatori industriali che ricevono l'energia in media tensione e dispongono di cabina propria di trasformazione MT/bt. La soluzione è riservata ad impianti nei quali è di grande importanza la continuità del servizio, come ad esempio negli ospedali.
Nei sistemi di distribuzione pubblica in bassa tensione, il neutro è invece messo francamente a terra. Ciò aumenta la corrente di guasto, ma limita le sovratensioni e facilita l'intervento delle protezioni.
Per la distribuzione pubblica in media tensione, non esiste una soluzione univoca.
Fino ad una decina di anni fa in Italia era adottata la soluzione a neutro isolato. Attualmente invece si adotta la messa a terra mediante bobina Petersen, come nei paesi scandinavi, e la corrente di guasto è limitata al valore di 50 A per sistemi a 20 kV ( 40 A a 15 kV).
La Francia adotta la messa a terra mediante resistenza e la corrente di guasto è limitata a 300 A per linee aeree, a 1000 A per linee in cavo.
La limitazione della corrente di guasto permette di aumentare il tempo di intervento delle protezioni da parte del distributore essendo più agevole, per l'utilizzatore, realizzare un impianto con resistenza di terra RE che rispetta la condizione di sicurezza. L'utente deve tarare le sue protezioni in modo che intervengano sicuramente prima di quelle del distributore.
Per la media tensione un impianto di terra è ritenuto sicuro se la tensione di contatto che si può stabilire in qualsiasi punto dell'impianto non supera la tensione ammissibili UTp (T: Touche p: permissible)
Più rapido è l'intervento delle protezioni tF , maggiore è la tensione ammissibile.
I due parametri, tF ed UTp sono definiti nella Norma CEI EN 50522 (Classificazione CEI 99-3) che sostituisce la CEI 11.1 dal primo novembre 2013.
Per un
si ha
; per
si ha
; per
si ha
.
A
si ha
con tF > 10s, quindi deve essere 
In Inghilterra, Stati Uniti, Canada il neutro è messo direttamente a terra.
In alta tensione (AT) si adotta la messa a terra diretta del neutro.
I problemi relativi all'isolamento sono prevalenti, quindi è indispensabile limitare al massimo le sovratensioni. Le correnti di guasto risultano ovviamente molto elevate (ma lo sarebbero anche con neutro isolato essendo le reti AT molto estese).
I sistemi di protezione sono di alta qualità ed intervengono in tempi rapidissimi. L'impianto di terra è poi realizzato con molta cura in modo che le tensioni di passo e di contatto siano entro i limiti di sicurezza.
Riferimenti
Bibliografia
- Lezioni di Impianti elettrici - Antonio Paolucci - CLEUP 1971
- Trasmissione e distribuzione dell'energia elettrica - Noverino Faletti, Paolo Chizzolini-Patron 2004
- Fondamenti di sicurezza Elettrica - Vito carrescia - TNE 2008
- Elementi di progettazione elettrica - Piero Vezzani - TNE 2001
Link
- Norme tecniche di riferimento:cei-en-50522-cei-99-3
- Analisi di guasto a terra in rete enel - elektro.it
- La protezione contro i contatti indiretti negli impianti utente secondo CEI 11.1 - elektro.it
- Protezione dai contatti indiretti in media tensione - elektro.it
- Analisi dei guasti a terra nei sistemi MT a neutro isolato e neutro compensato -Galileo Engineering
- 1.3 - Stato del neutro nelle reti di distribuzione - tesi di laurea - Università di Padova
- Norma CEI 0.16
- Il passaggio da neutro isolato a neutro compensato Alberto Cerretti - Enel Distribuzione
- Guasto monofase a terra
- Costanti fondamentali delle linee

Elettrotecnica e non solo (admin)
Un gatto tra gli elettroni (IsidoroKZ)
Esperienza e simulazioni (g.schgor)
Moleskine di un idraulico (RenzoDF)
Il Blog di ElectroYou (webmaster)
Idee microcontrollate (TardoFreak)
PICcoli grandi PICMicro (Paolino)
Il blog elettrico di carloc (carloc)
DirtEYblooog (dirtydeeds)
Di tutto... un po' (jordan20)
AK47 (lillo)
Esperienze elettroniche (marco438)
Telecomunicazioni musicali (clavicordo)
Automazione ed Elettronica (gustavo)
Direttive per la sicurezza (ErnestoCappelletti)
EYnfo dall'Alaska (mir)
Apriamo il quadro! (attilio)
H7-25 (asdf)
Passione Elettrica (massimob)
Elettroni a spasso (guidob)
Bloguerra (guerra)





















