La situazione normativa
La delibera AEEG 333/2007 (successivamente modificata dalle delibere AEEG 341/2007, 66/2008, 119/2008, 17/2009) stabilisce all'art. 36 che i clienti attivi e passivi connessi alla rete di distribuzione MT in data anteriore al 16/11/2006 sono tenuti ad inviare all'Azienda Distributrice di energia la dichiarazione di adeguatezza (redatta secondo il modello contenuto nella delibera AEEG 119/2008 All. C) per avere diritto agli indennizzi automatici causati da disservizi del Distributore e non pagare il CTS (Corrispettivo Tariffario Specifico).
La dichiarazione di adeguatezza è un documento scritto e firmato congiuntamente dal cliente e da un tecnico abilitato in cui si dichiara che l'impianto di utente risponde a specifiche caratteristiche richiamate dalle sopracitate delibere AEEG e dalla norma CEI 0-16 che riassume le RTC (Regole Tecniche di Connessione) degli utenti attivi e passivi alle reti AT e MT della distribuzione elettrica.
Il CTS è una sorta di penale, stabilita dall'AEEG, che l'Azienda Distributrice applica a quegli utenti poco virtuosi che non intendono adeguare e/o dichiarare conformi alle delibere e norme competenti i propri impianti. Tutto questo è teso a garantire una migliore qualità della distribuzione elettrica e vede coinvolti sinergicamente da un lato le Aziende Distributrici che hanno intrapreso un adeguamento dei propri impianti di rete (passaggio da neutro isolato a neutro compensato nella distribuzione MT), e dall'altro gli utenti che sono chiamati a garantire determinate prestazioni dei loro sistemi di protezione.
E' lecito domandarsi se conviene o meno inviare la dichiarazione di adeguatezza, e la situazione è semplicemente riassunta nella seguente tabella :
Da una semplice analisi in termini di costi/benefici e possibili rischi correlati alla possibilità di dover rispondere economicamente di danni difficilmente quantificabili, ma sicuramente ingenti, si deduce che è assolutamente consigliabile inviare la dichiarazione di adeguatezza all'Azienda Distributrice.
La dichiarazione di adeguatezza
Dal 01/01/2009 la dichiarazione di adeguatezza deve essere redatta secondo il modello in Appendice 1. Si distinguono due categorie di utenti MT :
1) utenti con i requisiti semplificati sono quelli che hanno una potenza disponibile fino a 400 kW ed hanno in cabina MT/BT un solo TRF con potenza massima di 400 kVA, protetto con IMS o interruttore con relè di massima corrente, cavo tra IMS/interruttore e TRF di lunghezza inferiore o uguale a 20 m, e la cabina MT/BT è sottoposta a manutenzione effettuata e registrata secondo norma CEI 0-15 (schede F, S\IVOR\SF6\ISV, QMT, TR-S, TR-L) da impresa abilitata ai sensi del DM 37/2008;
2) utenti con requisiti ordinari sono quelli che non hanno i requisiti semplificati e quindi è richiesto che i propri impianti rispondano ai punti A.1, A.2, A.3 della delibera ARG/elt 119/2008 Allegato C.
Nel caso 1) se sono soddisfatti tutti i requisiti elencati, la dichiarazione di adeguatezza può senz'altro essere compilata ed inviata all'Azienda Distributrice.
Nel caso 2) generalmente per inviare la dichiarazione di adeguatezza è necessario sostituire tutto od in parte il sistema di protezione generale di utente, detto SPG, per soddisfare i punti A.1, A.2, A.3 della sopracitata delibera ARG/elt 119/2008.
Si ricorda che il sistema di protezione di utente SPG è formato dall'insieme del dispositivo di interruzione della sovracorrente DG comandato dal dispositivo di rilevazione della sovracorrente PG : in sintesi SPG = DG + PG. Gli utenti che non hanno i requisiti semplificati e che ad oggi non hanno ancora inviato la dichiarazione di adeguatezza, ma che intendono farlo, devono fare un'analisi della situazione del proprio impianto guidati se necessario da un consulente elettrico esperto oppure da un installatore abilitato, ed individuare gli interventi a minor impatto economico per rispondere ai punti A.1, A.2, A.3.
Di seguito viene esaminato specificatamente il punto A.3 che richiede delle misure e quindi viene approfondito il metodo di misura e le caratteristiche delle apparecchiature per eseguirle.
Sistema di misura secondo la norma CEI 0-16 All. B
Il punto A.3 della delibera ARG/elt 119/2008 richiama espressamente la norma CEI 0-16 All. B, riportata per comodità in Appendice 2, in cui sono specificate le modalità di misura e le prove “...finalizzate ad accertare il tempo complessivo d'intervento del complesso DG+PG in caso di scatto delle protezioni”.
Le misure prevedono tre prove distinte :
1: prova del tempo d'intervento del SPG riferito alla protezione istantanea di massima corrente (50)
con il seguente circuito di misura :
il banco prova relè inietta negli ingressi amperometrici della protezione 50 una corrente per un tempo di 100 ms. La corrente è regolabile nel campo da 0 a 25 A (con TA 300/5 equivale ad una corrente primaria da 0 a 1,5 kA lato MT) e viene misurata sul canale 1 dell'oscilloscopio.
Sul canale 3 dell'oscilloscopio si osserva la tensione ausiliaria applicata al contatto ausiliario NC ad interruttore chiuso e da esso trascinato in apertura durante l'intervento del sistema di protezione SPG. L'intervallo di tempo tra l'istante di applicazione della corrente di prova (TEST) e l'estinzione della tensione ausiliaria rappresenta il tempo d'intervento del sistema SPG. Le registrazioni acquisite con l'oscilloscopio a memoria digitale costituiscono il report di prova richiesto dalla norma CEI 0-16 ed in esse sono evidenziati i valori della corrente iniettata nel relè ed i tempi d'intervento dell'interruttore.
Un esempio di tali registrazioni è riportato di seguito : la fig. 1 si riferisce ad una corrente di prova pari a 3,33 A (33,3 mV letti con fattore di scala di 10 mV/A) che equivale allo scatto istantaneo della protezione regolata a 165 A primari (1,2 x 165/300 x 5 = 3,3 A); la fig. 2 evidenzia la corrente di prova applicata per 100 ms (5 sinusoidi da 20 ms ciascuna) all'ingresso amperometrico del relè ed il relativo tempo d'interruzione, evidenziato con i cursori di misura ∆t, inferiore ai 200 ms prescritti.
2: prova del tempo d'intervento del SPG riferito alla protezione istantanea di massima corrente omopolare (51N)
il banco prova relè inietta sul primario del trasformatore omopolare TO collegato all'ingresso amperometrico della protezione 51N una corrente per un tempo di 100 ms. Se non risulta agevole l'accesso al primario del TO è possibile iniettare la corrente direttamente all'ingresso del relè (tenendo conto del rapporto di trasformazione del TO in genere 100/1 A). A questo scopo il banco prova relè ha due uscite a corrente ridotta di 1 A e 0,1 A con prelievo del segnale di misura che presenta fattori di conversione di 10 V/A e 0,1 V/A rispettivamente. La corrente omopolare viene regolata al valore desiderato misurandola sul canale 1 dell'oscilloscopio. Sul canale 3 dell'oscilloscopio si osserva la tensione ausiliaria applicata al contatto ausiliario NC ad interruttore chiuso e da esso trascinato in apertura durante l'intervento del sistema di protezione SPG. L'intervallo di tempo tra l'istante di applicazione della corrente di prova (TEST) e l'estizione della tensione ausiliaria rappresenta il tempo d'intervento del sistema SPG. Le registrazioni acquisite costituiscono il report di prova richiesto dalla norma CEI 0-16 ed in esse sono evidenziati i valori della corrente iniettata nel relè ed i tempi d'intervento dell'interruttore. Un esempio di tali registrazioni è riportato di seguito : la fig. 3 si riferisce ad una corrente di prova pari a 2,42 A (24,2 mV letti con fattore di scala di 10 mV/A) che equivale allo scatto istantaneo della protezione regolata a 2 A primari (1,2 x 2,4 = 2,4 A); la fig. 4 evidenzia la corrente di prova applicata per 100 ms (5 sinusoidi da 20 ms ciascuna) all'ingresso omopolare del relè ed il relativo tempo d'interruzione, evidenziato con i cursori di misura ∆t, inferiore ai 200 ms prescritti.
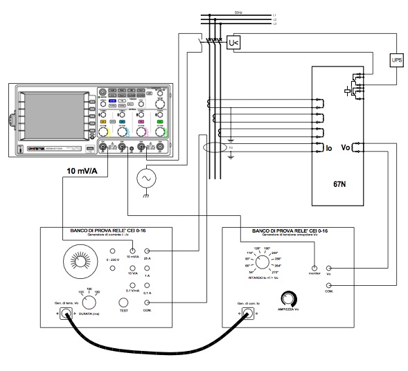
3: prova del tempo d'intervento del SPG riferito alla protezione direzionale di terra (67N)
con il seguente circuito di misura
il banco prova relè applica una tensione omopolare all'ingresso voltmetrico ed inietta una corrente sul primario del trasformatore omopolare TO della protezione 67N con tempi e valori regolabili nel campo stabilito dalla tabella contenuta nella norma CEI 0-16 All. B.
La corrente omopolare viene regolata al valore desiderato misurandola sul canale 1, mentre la tensione omopolare viene regolata misurandola sul canale 2 dell'oscilloscopio. Sul canale 3 dell'oscilloscopio si osserva la tensione ausiliaria applicata al contatto ausiliario NC ad interruttore chiuso e da esso trascinato in apertura durante l'intervento del sistema di protezione SPG.
L'intervallo di tempo tra l'istante di applicazione della corrente di prova (TEST) e l'estizione della tensione ausiliaria rappresenta il tempo d'intervento del sistema SPG. Anche in questo caso le registrazioni acquisite costituiscono il report di prova richiesto.
CARATTERISTICHE DEL SISTEMA DI MISURA
Il sistema di misura è facilmente trasportabile e consente di eseguire prove sia in officina che in cabina MT/ BT di utente come evidenziato nella fig. 5 seguente :
Il sistema di misura comprende :
1) Unità banco prova relè 50 e 51N per iniezione di corrente I - I0 con regolazione continua di correnti 0 ÷ 25 A (coeff. di conversione 10 mV/A), 0 ÷ 1 A (coeff. di conversione 10 V/A), 0 ÷ 0,1 A (coeff. di conversione 0,10 mV/A) e tempi regolabili a scatti di 100 ms, 160 ms, 180 ms.
2) Unità banco prova relè 67N di generazione della tensione omopolare V0 nel campo di tensione 0 ÷ 8 VRMS (carico nominale Zc= 2 kΩ , Pn= 32 mV A) e sfasamento in anticipo su I 0 (o equivalentemente I0 in ritardo su V0) a scatti di 54°, 66°, 90°, 114°, 126°, 180°, 244°, 256°, 264°, 270°.
L'unità 1) è indipendente dall'unità 2) nel senso che può funzionare autonomamente per la prova dei relè 50 e 51N; se è richiesta la prova del relè 67N allora le due unità vengono collegate da un cavo multipolare che fornisce all'unità 2) l'alimentazione ed il riferimento di fase rispetto a I0 per la corretta generazione della tensione omopolare V0.
Nota Bene : Le moderne protezioni elettroniche indirette presentano sull'ingresso voltmetrico omopolare una Pn = 0,1 ÷ 0,5 VA a Vn = 100 V e quindi hanno un'impedenza d'ingresso come minimo pari a :
kΩ ampiamente compatibile con quella di uscita del banco prova relè.
3) Oscilloscopio a memoria digitale a quattro canali INSTEK tipo GDS 2204 per misurare le grandezze applicate al relè del SPG in prova e registrare l'oscillogramma del tempo di apertura dell'interruttore.
4) Memoria USB per il salvataggio delle schermate di misura oppure PC portatile con programma di comunicazione con l'oscilloscopio tramite porta USB per acquisizione in tempo reale di tutte le misure effettuate e creazione del report di prova.
5)Generatore da 1 kVA/230 Vca per alimentazione ausiliaria di tutto il sistema di misura.
Vale la pena ricordare che sul campo ed in particolare in cabina MT/BT di utente solitamente l'unica sorgente BT a 230 Vca disponibile per alimentare il sistema di misura è proprio l'impianto elettrico che va fuori tensione con l'apertura dell'interruttore MT del SPG da provare e quindi è imperativo l'uso di una sorgente di alimentazione ausiliaria. Infine si fa notare che l'unica apparecchiatura che esegue le misure sulle grandezze fisiche oggetto di prova è l'oscilloscopio che è uno strumento commerciale e quindi dotato dei competenti certificati di calibrazione.
RINGRAZIAMENTI
Grazie ad ADMIN perchè ha avuto la pazienza e la cortesia di formattare ed inserire sul portale il presente articolo.
Ing. Alesandro Cortopassi
esisnc@tiscalinet.it

Elettrotecnica e non solo (admin)
Un gatto tra gli elettroni (IsidoroKZ)
Esperienza e simulazioni (g.schgor)
Moleskine di un idraulico (RenzoDF)
Il Blog di ElectroYou (webmaster)
Idee microcontrollate (TardoFreak)
PICcoli grandi PICMicro (Paolino)
Il blog elettrico di carloc (carloc)
DirtEYblooog (dirtydeeds)
Di tutto... un po' (jordan20)
AK47 (lillo)
Esperienze elettroniche (marco438)
Telecomunicazioni musicali (clavicordo)
Automazione ed Elettronica (gustavo)
Direttive per la sicurezza (ErnestoCappelletti)
EYnfo dall'Alaska (mir)
Apriamo il quadro! (attilio)
H7-25 (asdf)
Passione Elettrica (massimob)
Elettroni a spasso (guidob)
Bloguerra (guerra)