Indice |
Premessa
Sono passati circa due anni dalla pubblicazione dei due articoli riguardanti le prove richieste dalla norma CEI 0-16 Allegato B ([1] e [2]) ed in questo tempo ho ricevuto numerosi apprezzamenti e richieste sia di acquisto del sistema di misura descritto sia degli schemi elettrici e di consigli per la sua autocostruzione.
Ringrazio quindi tutti coloro che mi hanno manifestato il loro consenso e questo portale che mi ha offerto l'occasione di presentare il mio lavoro.
Non essendo attrezzato per fornire un'apparecchiatura finita, a chi si è voluto cimentare nell'autocostruzione, ho sempre inviato gli schemi elettrici e le indicazioni dove reperire i materiali necessari, però ho avuto la conferma che esiste una certa difficoltà (per chi non è ben introdotto nel mondo dell'elettronica) nella reperibilità dei componenti necessari.
Allora ho pensato che poteva essere utile anzitutto divulgare lo schema elettrico e la lista parti del generatore di corrente di prova I - Io, e poi proporre un kit di montaggio con tutti i componenti principali necessari alla sua realizzazione pratica.
Si parte inizialmente con il generatore di corrente I - Io perchè è quello che consente da solo la prova delle protezioni 50-51-51N che sono poi in definitiva quelle presenti nell'80% dei casi negli impianti industriali alimentati con propria cabina di trasformazione MT/BT. La descrizione della cassetta generatrice della tensione omopolare Vo per il test della protezione 67N direzionale di terra, sarà presentata in seguito se il presente articolo raccoglierà manifestazioni d'interesse da parte dei lettori. Questo articolo inoltre vuole fornire degli spunti pratici di utilizzo dell'apparecchiatura, derivati direttamente da esperienze vissute sul campo, in questi due anni d'impiego del sistema di misura con numerose prove effettuate su impianti MT sul territorio nazionale.
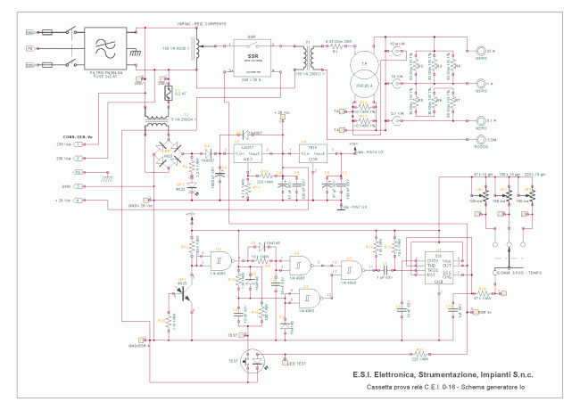
Download dello schema
Lo schema precedente è scaricabile da qui per una migliore visibilità
Come fare la prova della protezione 50-51
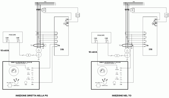
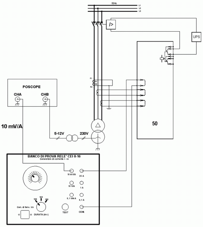
L'Allegato B della norma CEI 0-16 dice che bisogna iniettare in un ingresso amperometrico della PG una corrente pari a 1,2 volte il valore della soglia di scatto istantaneo per un tempo di 100 ms (50.S3 o I>>> solitamente tarata a 600 A e quindi corrente di prova primaria di 1,2x600=720 A che all'ingresso amperometrico della PG corrisponde a 12 A se sono montati TA 300/5 oppure 2,4 A con TA 300/1). Quindi si deve fare una registrazione dell'intervento del SPG misurando il tempo tra l'istante di applicazione del segnale di iniezione di corrente e l'estinzione della tensione prelevata dal secondario del TRF MT/BT di cabina. Detto tempo non deve essere superiore a 200 ms e devono essere fatte tre aperture con una dispersione massima dei tempi d'intervento non superiore al 20%. In pratica il circuito di prova è il seguente.
Operativamente si procede come segue :
- Si regola partendo da zero, salendo lentamente, la corrente iniettata nella PG leggendo il corrispondente valore sul CHA del POSCOPE in modalità "OSCILLOSCOPE" che è stato preventivamente collegato alla porta USB di un comune computer portatile. Il fattore di conversione V/A dipende dalla presa di collegamento della cassetta prova relè al circuito amperometrico di prova.
- Quando si ottiene l'intervento della PG si ha il corrispondente valore della soglia d'intervento in corrente impostata sulla PG.
- A questo punto è possibile procedere al test vero e proprio riarmando l'interruttore MT. Il trasformatore da 230V/5-12V da pochi VA di potenza collegato al CHB del POSCOPE (lato 5-12V) e tra una fase del secondario del TRF MT/BT ed il centro stella (lato 230V) serve per ottenere il segnale di tensione indispensabile per vedere quando l'interruttore MT ha completato la sua apertura. Va benissimo per questo scopo qualunque adattatore/caricabatteria da muro purchè con uscita in c.a. nel campo di tensione da 5V a 12V.
- Si predispone ora il POSCOPE in funzione di "RECORDER" e si avvia la registrazione, quindi si inietta (TEST) la corrente di prova facendo intervenire il SPG con l'apertura dell'interruttore MT arrestando poco dopo la registrazione.
Quello che si ottiene è rappresentato dalle figure seguenti.
.......la misura della corrente di prova fino a trovare la soglia d'intervento della PG....
.......la registrazione del tempo di apertura. Il test è andato a buon fine perchè, utilizzando i cursori di misura del POSCOPE, si vede che tutto il processo di apertura è avvenuto in 129 ms cioè meno dei 200 ms prescritti. Per la cronaca la prova sopra documentata si riferisce ad una protezione 51 THYTRONIC tipo DIB con In=5A soglia I> 2xIn=10 A e tr=110 ms.
Come fare la prova della protezione 51N
Lo stesso procedimento spiegato al paragrafo precedente viene seguito per il test della protezione 51N. L'iniezione di corrente ora viene fatta o direttamente nel trasformatore omopolare (TO) oppure sugll'ingresso amperometrico omopolare della protezione PG. Quando non c'è la protezione direzionale di terra 67N la soglia 51N.S1 generalmente è regolata a 2 A e quindi la corrente da iniettare è 1,2x2=2,4 A (direttamente nel TO) oppure di 24 mA (2,4/100=0,024 A) nell'ingresso amperometrico omopolare della PG se è montato nell'impianto un classico TO 100/1. Lo schema di collegamento del sistema di misura è il seguente :
Le schermate sul PC portatile ottenute con il POSCOPE alla fine del processo di test saranno del tutto analoghe a quelle presentate poco sopra.
Consigli pratici
Gli scomparti MT prefabbricati hanno di solito un cassonetto segregato dove è alloggiata la protezione con tutta la circuiteria degli ausiliari per la gestione dell'interruttore MT (isolato in SF6 od in vuoto i VOR sono ormai abbandonati), ivi compresa la morsettiera cortocircuitabile sulla quale sono attestati i conduttori provenienti dai TA di fase (2 o 3 a seconda se la rilevazione della sovracorrente di linea è bipolare o tripolare) e dal TO omopolare. Quando di inietta la corrente di prova nella PG, e per fare questo si scollegano da essa i secondari dei trasformatori di corrente, è sempre necessario CORTOCITCUITARLI per evitare che funzionino a circuito aperto. Quando sono presenti solo 2 TA su due fasi la corrente nella terza fase è ricavata per somma delle altre due. In questo caso non è possibile iniettare la corrente di prova direttamente sui morsetti cortocircuitabili perchè così facendo la corrente attraverserebbe non solo la fase direttamente interessata ma anche le altre due ed il secondario dell'altro TA. Lo schema seguente chiarisce quanto ora detto.
Quando si è in fase di ricerca e misura della soglia d'intervento della PG (TRIP) può essere utile non far aprire ripetutamente l'interruttore MT (DG). Si fa intervenire solo la PG o come si dice in termini tecnici si eseguono delle prove "in bianco". Nel momento in cui si sono settati tutti i parametri della misura e si decide di fare il test "vero" allora, e solo allora, si fa aprire il DG. Per fare questo è utile avere a disposizione un accessorio (un banalissimo interruttore a levetta) collegato sui contatti ausiliari in uscita della PG che esclude il pilotaggio della bobina di apertura (a lancio di corrente o di minima tensione) del DG.
Durante l'esecuzione di alcune prove della PG 50, quando dalle sbarre BT del TRF di cabina sono derivate utenze che alimentano inverter per motori, convertitori elettronici e gruppi di rifasamento, è capitato che le registrazioni del CHB all'apertura del DG presentano code con forme d'onda di tensione ad andamento sinusoidale smorzato di durata ben oltre 200ms. Questo fenomeno è dovuto alla presenza dei condensatori di rifasamento ed alla loro interazione con le altre utenze e quindi è sempre bene, per evitare di formulare frettolose valutazioni negative sul SPG, sezionare tutti i carichi a valle del TRF di cabina. Infine, se le prove sono l'attività finale di un intervento di adeguamento del SPG, è molto utile in fase di installazione del TO far passare un filo (1x2,5 N07-VK per esempio) all'interno di esso ed attestare i due capi (principio e fine) su due morsetti montati nel cassonetto che ospita la PG. In questo modo si potrà sempre iniettare direttamente nel primario del TO la corrente di prova anche quando il TO stesso non sarà più accessibile perchè segregato in un posto il cui accesso è possibile solo con un fuori tensione da parte del Distributore.
Perché proporre un kit di autocostruzione
Le ragioni di tale iniziativa sono in parte spiegate in premessa e poi c'è una ragione di tipo nostalgico. Chi è che non si ricorda delle scatole di montaggio AMTRON (distribuite dalla GBC) o dei kit di NUOVA ELETTRONICA????? Tutti gli elettronici in erba di qualche decennio fa, magari oggi esperti tecnici professionisti, si sono fatti le ossa smanettando su questi kit, e la trepidazione al momento di provare la costruzione fatta con le proprie mani è una sensazione che è ancora viva nei miei ricordi. Infine la realizzazione di uno strumento di misura fatto con le proprie mani, e quindi conosciuto nei suoi minimi particolari, rende più consapevole il tecnico che ne fa uso ed accresce notevolmente il suo bagaglio culturale. Alla fine della costruzione del kit proposto quello che si ottiene è questo :
Cosa contiene il kit di autocostruzione
Il kit comprende tutti i principali componenti per la realizzazione della cassetta prova relè che genera la corrente da iniettare nella PG con funzioni protettive 50-51-51N. La corrente erogata per i tempi previsti dalla CEI 0-16 Allegato B (100ms, 160ms e 180ms con passaggio per lo zero) ha valore regolabile da zero ad un massimo di circa 25 Arms (la soglia istantanea 50.S3 o I>>> non supera mai generalmente 650 A lato MT o 13 A di prova nella PG con TA 300/5) e quindi soddisfa tutte le ordinarie esigenze di misura. Il kit contiene quello che si vede in foto :
Il circuito stampato dell'elettronica in foto è raffigurato montato, ma è prevista la sola fornitura dei componenti elettronici e del PCB, quindi il montaggio dei componenti sul PCB è a cura di chi realizzerà il kit. Il PCB in foto è il prototipo di laboratorio, il PCB è previsto che sia realizzato industrialmente in FR4 a doppia faccia con fori metallizzati, stagnatura chimica delle piste di rame da 35 um, solder mask, solder resist e serigrafia componenti (naturalmente se le prenotazioni per il kit saranno in numero sufficiente per giustificare un tale impegno). Nel kit non sono compresi i cavi/conduttori di cablaggio e la minuteria meccanica ordinaria (viteria) perchè si pensa che chi monterà il kit ne disporrà certamente in laboratorio. La mascherina frontale della cassetta è di tipo adesivo, realizzata su foglio 3M con stampa laser, e protetto da pellicola adesiva trasparente. Il kit comprende inoltre il "POSCOPE BASIC2" che è un ottimo oscillocopio da PC da collegare alla porta USB di un PC, molto conveniente, e perfettamente adatto allo scopo previsto nel presente articolo. Chi avesse già a disposizione un oscilloscopio a memoria digitale può avere il kit senza il "POSCOPE BASIC2" con un corrispondente risparmio economico. Il kit comprende un CD con i file e le istruzioni d'installazione del programma su PC, il manuale utente del "POSCOPE BASIC2" e della documentazione di montaggio e taratura della cassetta. Per la taratura dei tempi di iniezione della corrente di prova si può usare il POSCOPE, quindi il kit non richiede, per la sua realizzazione, l'impiego di strumentazione particolare non compresa nel kit. Nella foto della cassetta c'è un'uscita presa direttamente sull'uscita del variac (0-230V) che mi serviva per un uso personale non necessaria al funzionamento del kit e quindi non prevista, ma nulla vieta a chi servisse di prevederla nel montaggio. Infine i costi: Il kit con quanto visibile in foto € 410,00 + IVA. Il kit con quanto visibile in foto senza "POSCOPE BASIC2" € 350,00 + IVA. Spese di spedizione € 13,00 con pacco assicurato "J3" delle Poste Italiane.
Conclusione
Il presente articolo ha prevalente scopo divulgativo e vuol dimostrare come sia possibile, con un po' d'iniziativa ed un ragionevole impegno economico, affrontare la soluzione di problemi di misura su impianti elettrici industriali altrimenti riservati solo a chi può disporre di notevoli risorse economiche. Ricordo che per l'acquisto di una cassetta prova relè CEI 0-16 commerciale si parte da € 5.000,00 ed oltre e quindi occorrono diverse misure, offerte di conseguenza a costi importanti, per ammortizzare un tale investimento. Ciò frena i proprietari degli impianti a fare gli interventi di adeguamento, oltre che non favorire il mercato in questo settore. Con la soluzione proposta forse con una o due misure si copre l'investimento, si arricchisce non poco il proprio profilo culturale e si possono aprire nuove opportunità di lavoro...........scusate se è poco........
Per contatti e commenti : esisnc@tiscalinet.it

Elettrotecnica e non solo (admin)
Un gatto tra gli elettroni (IsidoroKZ)
Esperienza e simulazioni (g.schgor)
Moleskine di un idraulico (RenzoDF)
Il Blog di ElectroYou (webmaster)
Idee microcontrollate (TardoFreak)
PICcoli grandi PICMicro (Paolino)
Il blog elettrico di carloc (carloc)
DirtEYblooog (dirtydeeds)
Di tutto... un po' (jordan20)
AK47 (lillo)
Esperienze elettroniche (marco438)
Telecomunicazioni musicali (clavicordo)
Automazione ed Elettronica (gustavo)
Direttive per la sicurezza (ErnestoCappelletti)
EYnfo dall'Alaska (mir)
Apriamo il quadro! (attilio)
H7-25 (asdf)
Passione Elettrica (massimob)
Elettroni a spasso (guidob)
Bloguerra (guerra)